GM Service Manual Online
For 1990-2009 cars only
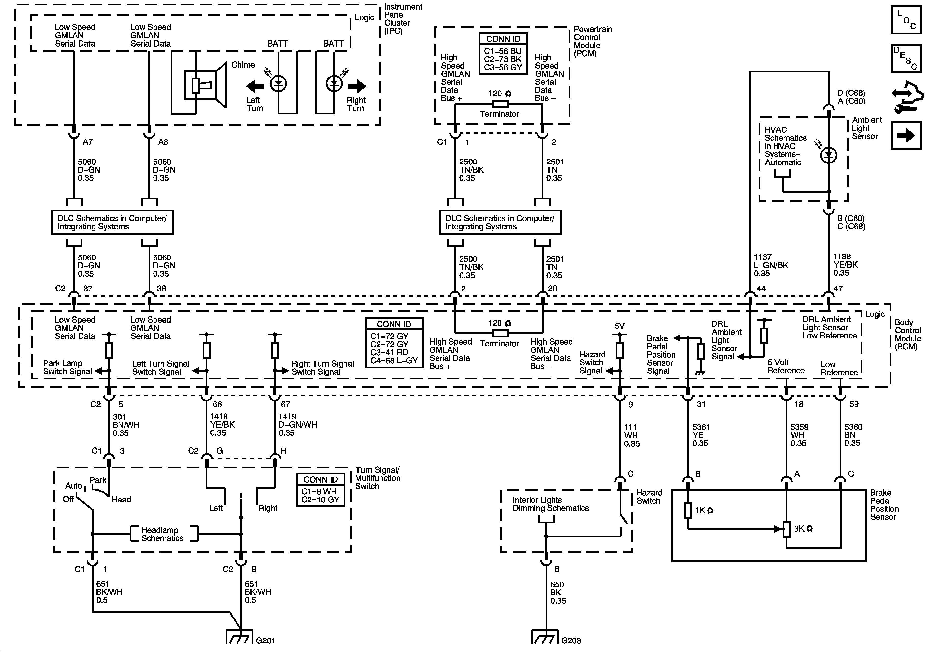
Figure 1:

Ambient Light Sensor, Brake Pedal Position Sensor, Hazard Switch and Turn Signal/Multifunction Switch


Object Number: 1501065  Size: FS
Master Electrical Component List
Exterior Lighting Systems Description and Operation
Control Module References
Turn Signals and Stop Lamps
Low Speed Serial Data
Power, Ground, Class 2 and High Speed Serial Data
Mode and Air Temperature Controls
Displays
G201
G203
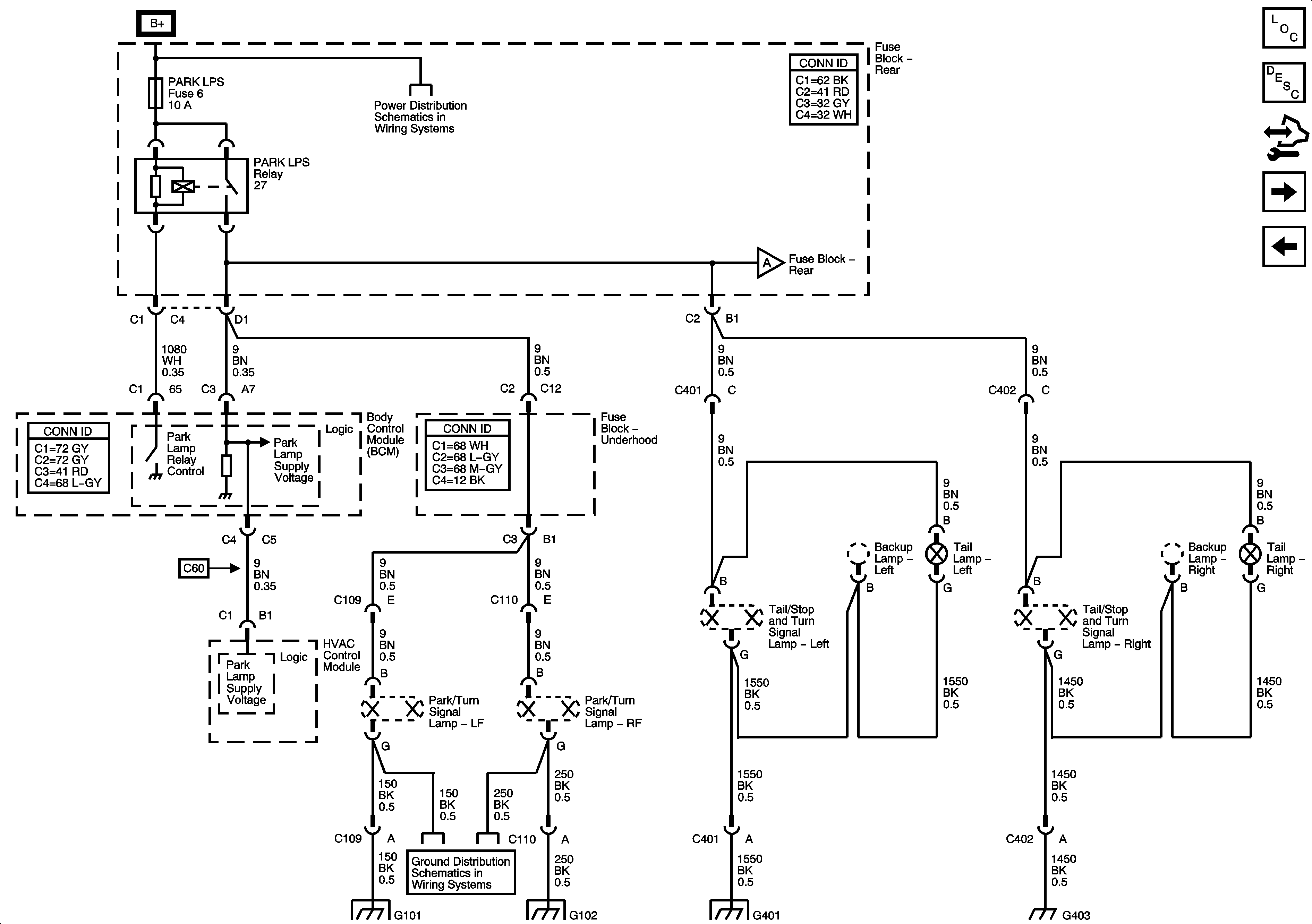
Figure 2:

Turn Signals and Stop Lamps


Object Number: 1501067  Size: FS
Master Electrical Component List
Exterior Lighting Systems Description and Operation
Control Module References
Park Lamps
Ambient Light Sensor, Brake Pedal Position Sensor, Hazard Switch and Turn Signal/Multifunction Switch
Engine Data Sensors - Electronic Throttle Controls
G101 and G102
G401 and G403
G302
G101 and G102
G101 and G102
G401 and G403
G302
G109
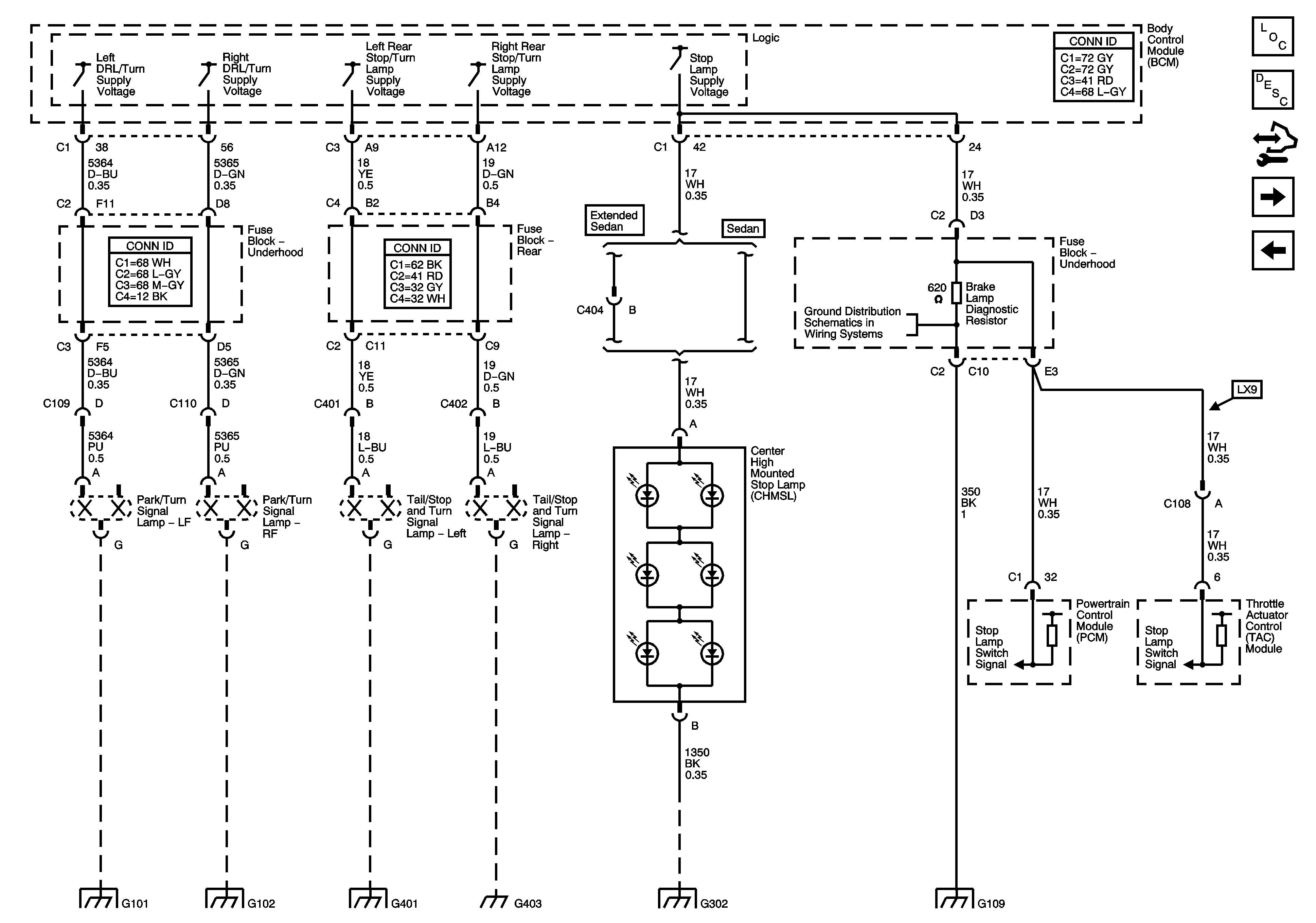
Figure 3:

Park Lamps


Object Number: 1501069  Size: FS
Master Electrical Component List
Exterior Lighting Systems Description and Operation
Control Module References
License Lamps and Backup Lamps
Turn Signals and Stop Lamps
Underhood Fuse Block - Run Relay, RBEC Battery 2 Fuses, Rear Fuse BLock - Driver Power Seat, Fuel Pump, Park Lamps, Trunk Release, ERLS Fuses
License Lamps and Backup Lamps
G101 and G102
G101 and G102
G101 and G102
G401 and G403
Figure 4:

License Lamps and Backup Lamps


Object Number: 1501072  Size: FS
Master Electrical Component List
Exterior Lighting Systems Description and Operation
Control Module References
Park Lamps
Underhood Fuse Block - RBEC Fuse Rear Fuse Block - Cigar/Aux Power, Sunroof,RKEW/SM/DVD/UGD, Stop Lamp, Rear Defog, HTD Mirror, AUX PWR, HTD Seat Fuses
Garage Door Opener
Park Lamps
Inside Rearview Mirror Schematics
OnStar Schematics
G302
G304 and G305
G401 and G403