GM Service Manual Online
For 1990-2009 cars only
Makes
🢒
Chevrolet
🢒
2005
🢒
Malibu
🢒 Sedan
Sedan
Sedan
Master Electrical Component List
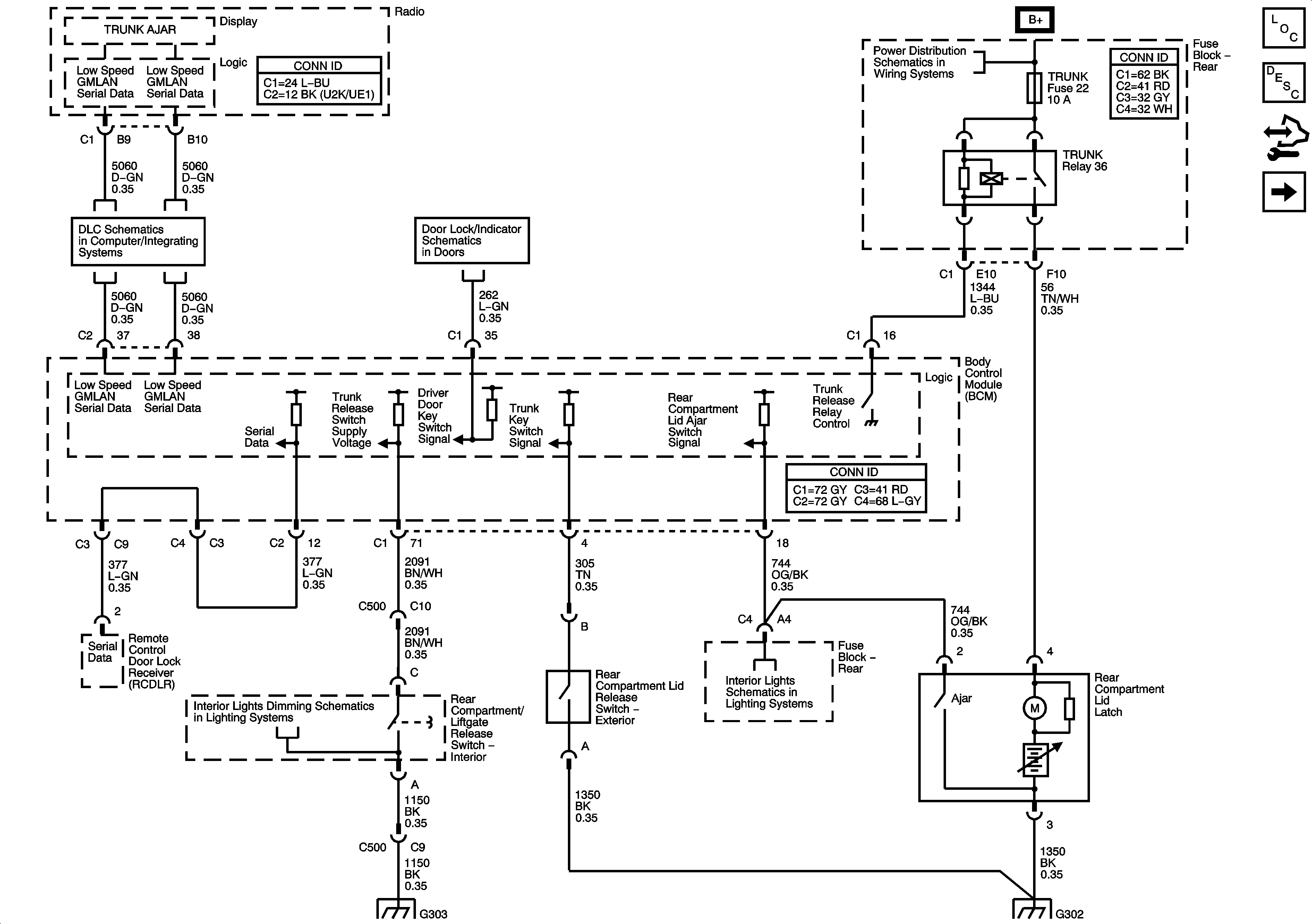
Luggage Compartment Description and Operation (Sedan)
Control Module References
Extended Sedan
Low Speed Serial Data
Underhood Fuse Block - Run Relay, RBEC Battery 2 Fuses, Rear Fuse BLock - Driver Power Seat, Fuel Pump, Park Lamps, Trunk Release, ERLS Fuses
Switches
Inputs
G303
G302