GM Service Manual Online
For 1990-2009 cars only
Makes
🢒
Chevrolet
🢒
2005
🢒
Malibu
🢒 Extended Sedan
Extended Sedan
Extended Sedan
Master Electrical Component List
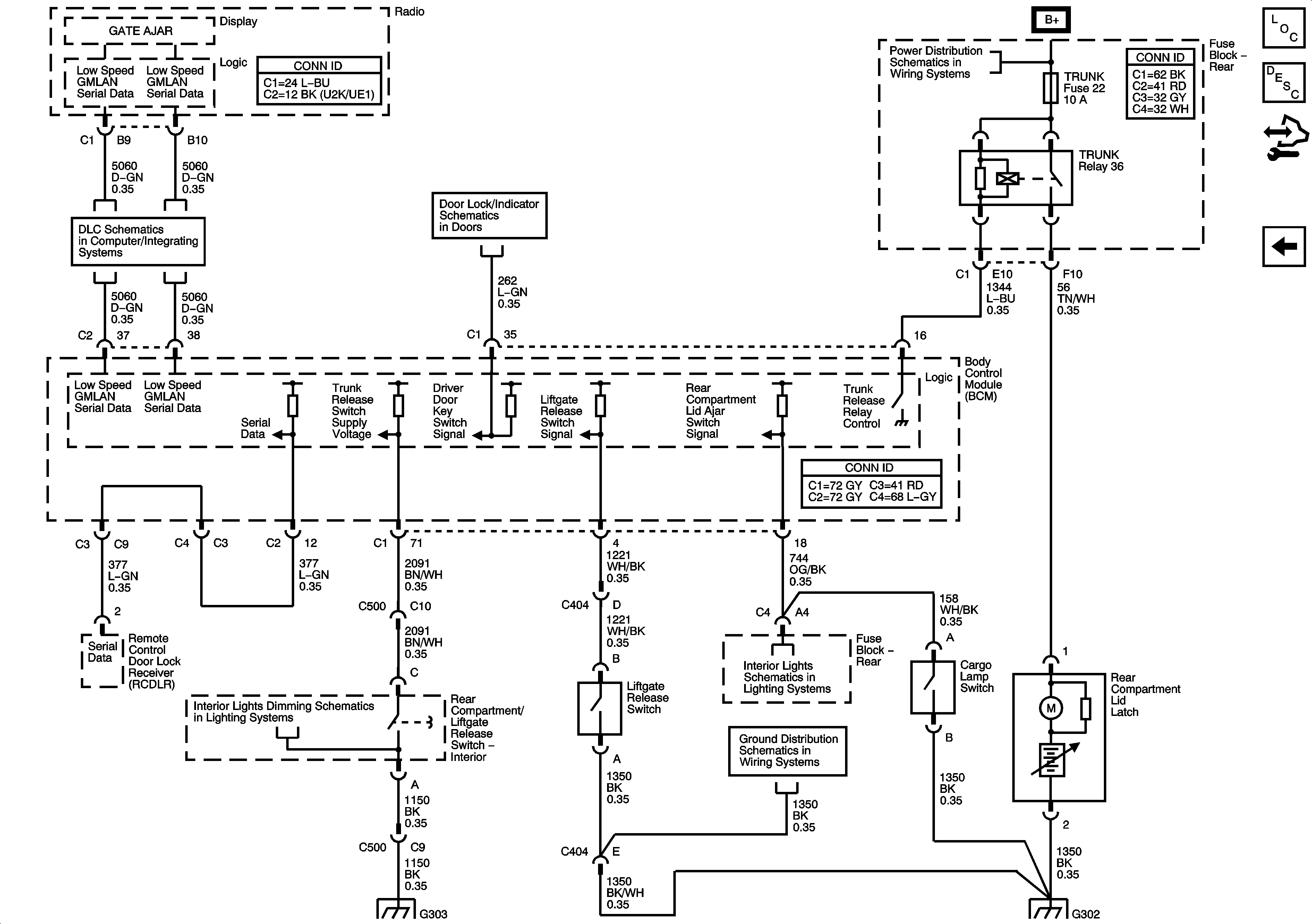
Luggage Compartment Description and Operation (Extended Sedan)
Control Module References
Sedan
Low Speed Serial Data
Door Lock Switches
Underhood Fuse Block - Run Relay, RBEC Battery 2 Fuses, Rear Fuse BLock - Driver Power Seat, Fuel Pump, Park Lamps, Trunk Release, ERLS Fuses
Switches
Inputs
G302
G303
G302