GM Service Manual Online
For 1990-2009 cars only
Makes
🢒
Chevrolet
🢒
2006
🢒
Malibu
🢒
Body
🢒
Wipers/Washer Systems
🢒 Wiper/Washer Schematics
Figure
1:
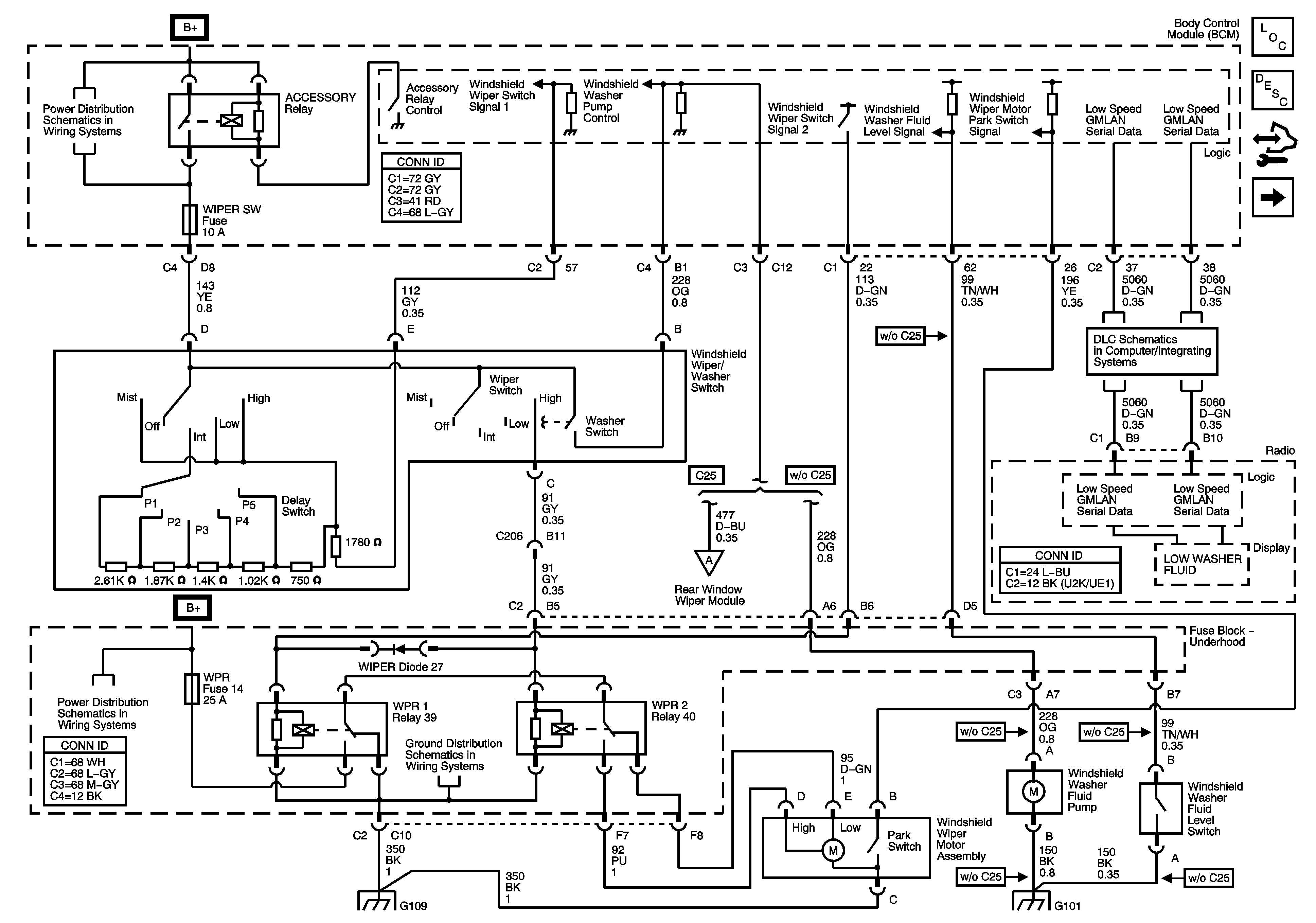
Front Wiper/Washers
Master Electrical Component List
Wiper/Washer System Description and Operation
Control Module References
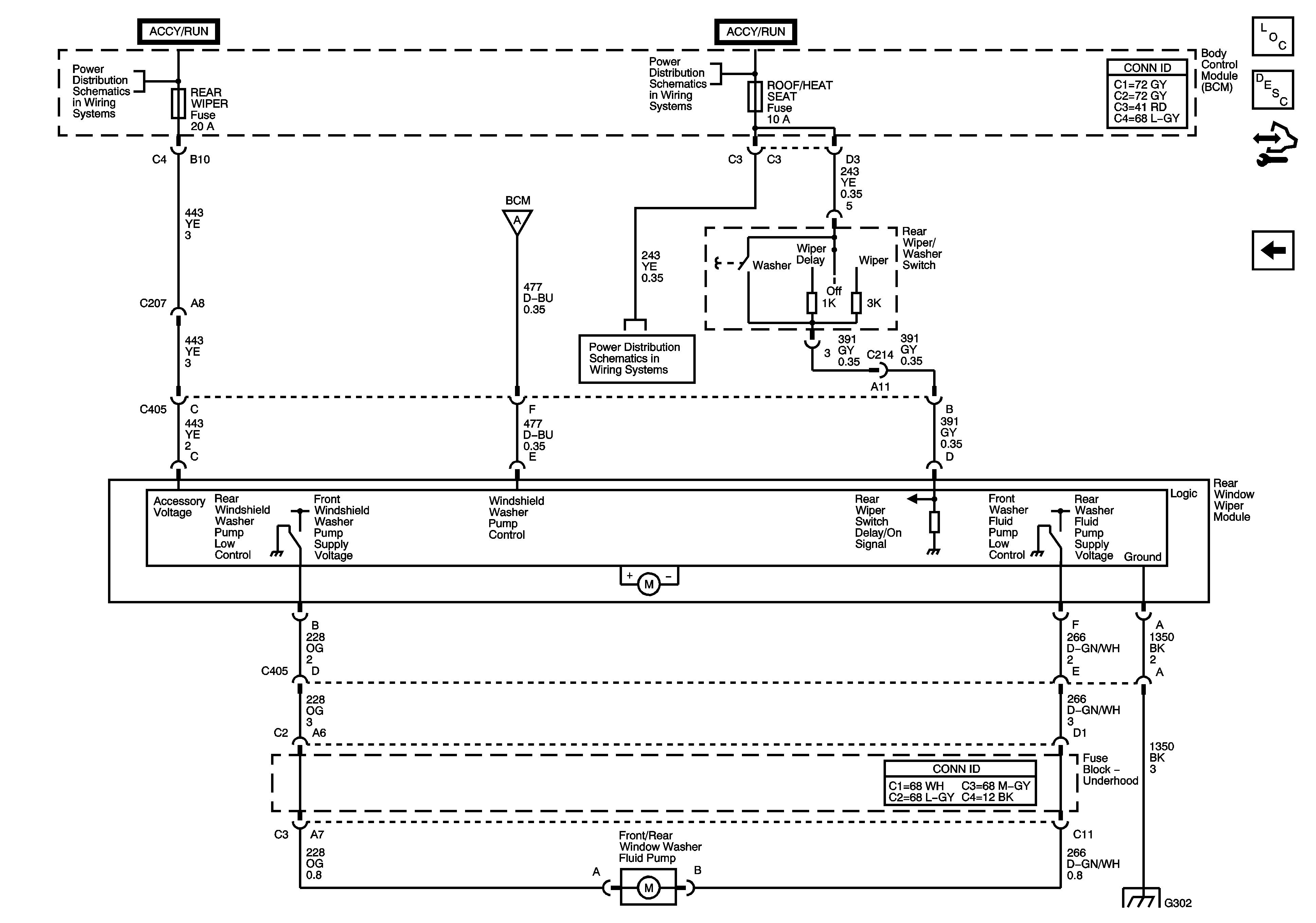
Rear Wiper and Front/Rear Washers (C25)
Underhood Fuse Block, ICBM 2, Body Control Module (BCM), ACCESSORY Relay, DOOR LOCK, INTERIOR LIGHTS, POWER WINDOWS, REAR WIPER, ROOF/HEAT SEAT and WIPER SW Fuses
Low Speed Serial Data
B+ Bussing
G109
Rear Wiper and Front/Rear Washers (C25)
G101 and G102
Figure
2:
Rear Wiper and Front/Rear Washers (C25)
Master Electrical Component List
Wiper/Washer System Description and Operation
Control Module References
Front Wiper/Washers
Underhood Fuse Block, ICBM 2, Body Control Module (BCM), ACCESSORY Relay, DOOR LOCK, INTERIOR LIGHTS, POWER WINDOWS, REAR WIPER, ROOF/HEAT SEAT and WIPER SW Fuses
Front Wiper/Washers
Underhood Fuse Block, ICBM 2, Body Control Module (BCM), ACCESSORY Relay, DOOR LOCK, INTERIOR LIGHTS, POWER WINDOWS, REAR WIPER, ROOF/HEAT SEAT and WIPER SW Fuses
G302