GM Service Manual Online
For 1990-2009 cars only
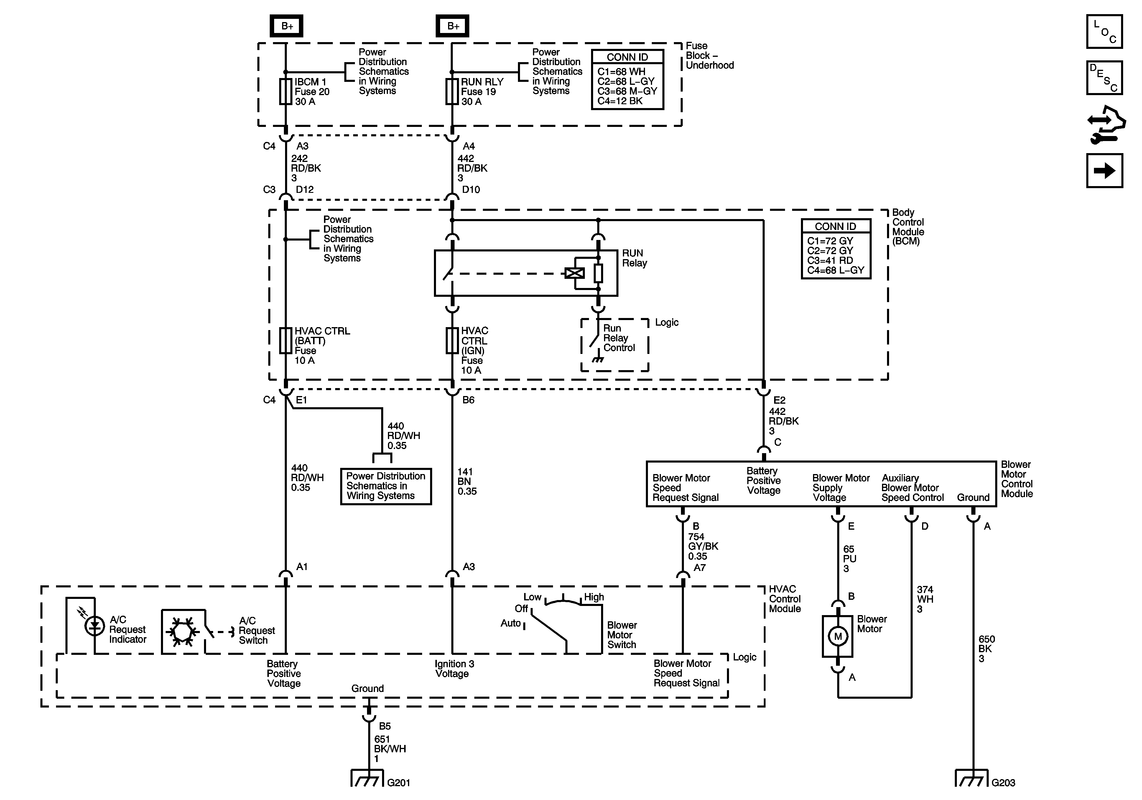
Figure 1:

Power, Ground and Blower Motor Controls


Object Number: 1637885  Size: FS
Master Electrical Component List
Air Delivery Description and Operation
Control Module References
Compressor Controls
Underhood Fuse Block - IBCM 1, Body Control Module (BCM), AIR BAG (BATT), CLUSTER/THEFT, HVAC CTRL (BATT), IGN SENSOR, and RADIO Fuses
Underhood Fuse Block, RBEC 2, RUN RLY, Body Control Module (BCM) HVAC BLOWER HIGH Relay, RUN Relay, HVAC BLOWER, HVAC CTRL (IGN), Rear Fuse Block, FUEL/PMP Relay, PARK LP Relay, TRUNK Relay, DRV ST
Underhood Fuse Block - IBCM 1, Body Control Module (BCM), AIR BAG (BATT), CLUSTER/THEFT, HVAC CTRL (BATT), IGN SENSOR, and RADIO Fuses
Underhood Fuse Block - IBCM 1, Body Control Module (BCM), AIR BAG (BATT), CLUSTER/THEFT, HVAC CTRL (BATT), IGN SENSOR, and RADIO Fuses
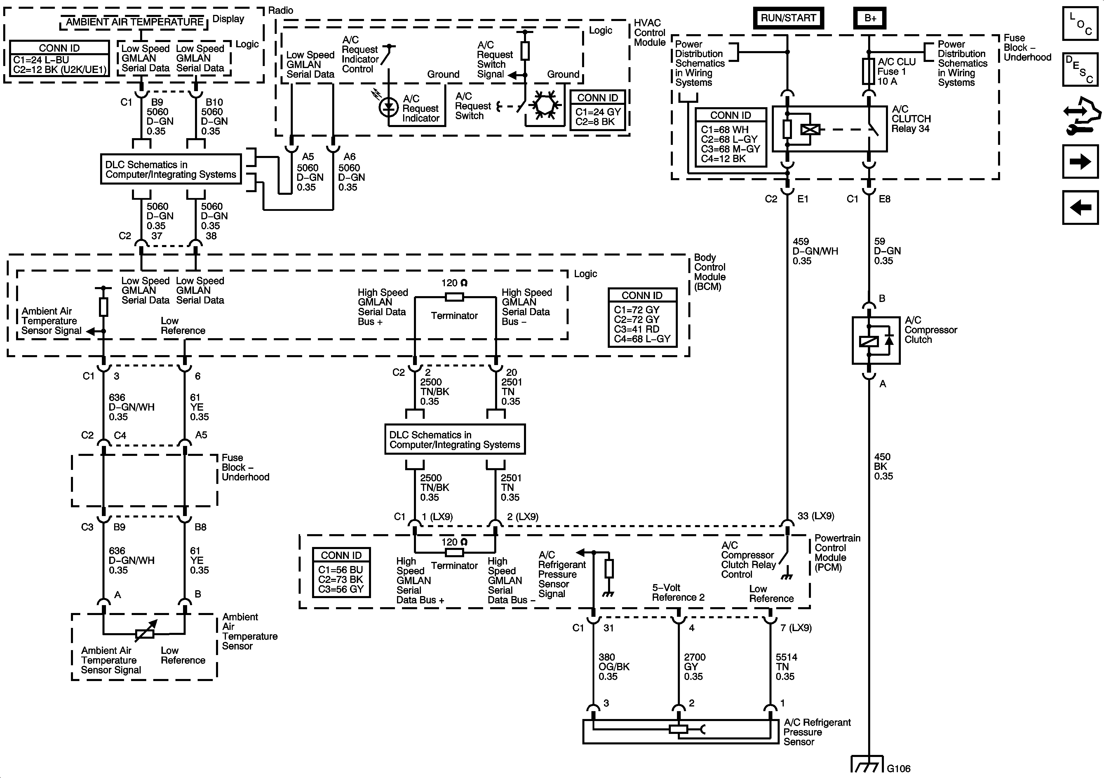
G201
G203
Figure 2:

Compressor Controls


Object Number: 1637886  Size: FS
Master Electrical Component List
Air Temperature Description and Operation
Control Module References
Mode and Air Temperature Controls
Power, Ground and Blower Motor Controls
Low Speed Serial Data
B+ Bussing
Underhood Fuse Block, A/C CLUTCH Relay, PWR/TRN Relay, A/C CLU, EMISSION 1, and ETC Fuses
Power, Ground, Class 2 and High Speed Serial Data
G106
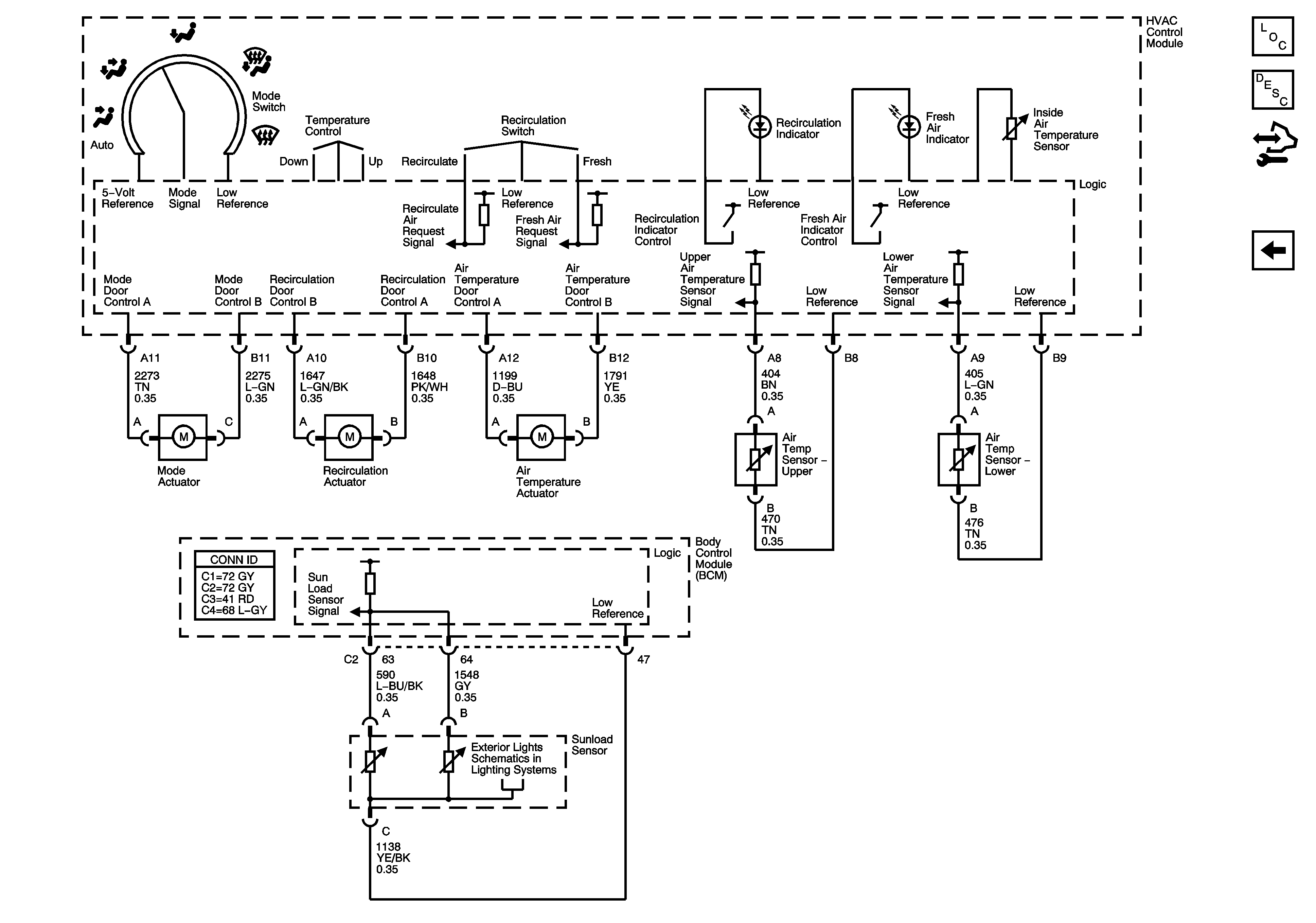
Figure 3:

Mode and Air Temperature Controls


Object Number: 1637888  Size: FS
Master Electrical Component List
Air Temperature Description and Operation
Control Module References
Compressor Controls