GM Service Manual Online
For 1990-2009 cars only
Makes
🢒
Chevrolet
🢒
2006
🢒
Malibu
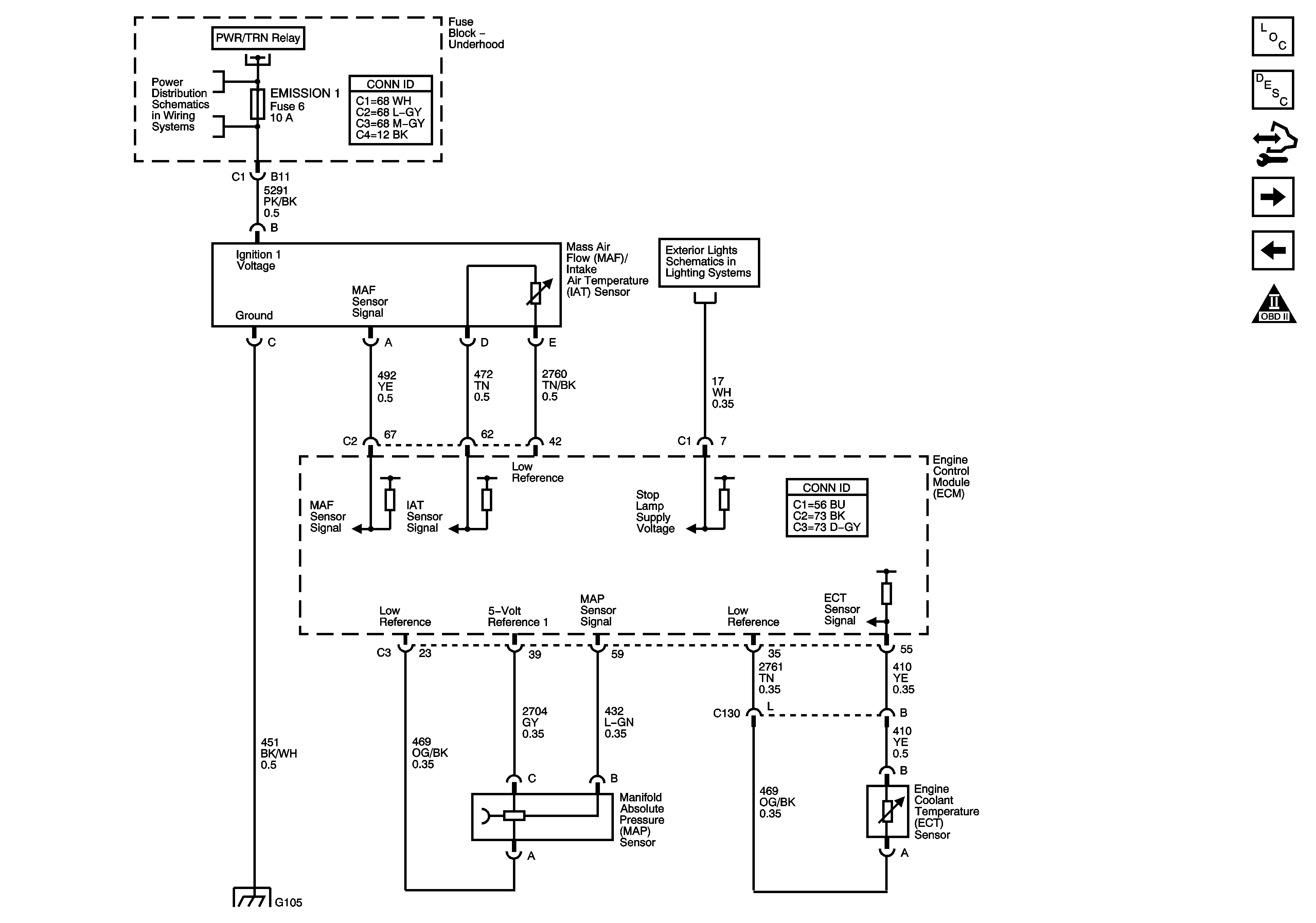
🢒 ECT, MAF and MAP Sensors
ECT, MAF and MAP Sensors
ECT, MAF and MAP Sensors
Master Electrical Component List
Engine Control Module Description
Control Module References
Heated Oxygen Sensors
5 Volt and Low References
Engine Controls Schematic Icons
Underhood Fuse Block, A/C CLUTCH Relay, PWR/TRN Relay, A/C CLU, EMISSION 1, and ETC Fuses
Power, Ground, Serial Data and MIL
Turn Signals and Stop Lamps
G103, G104, and G105