GM Service Manual Online
For 1990-2009 cars only
Makes
🢒
Chevrolet
🢒
2006
🢒
Malibu
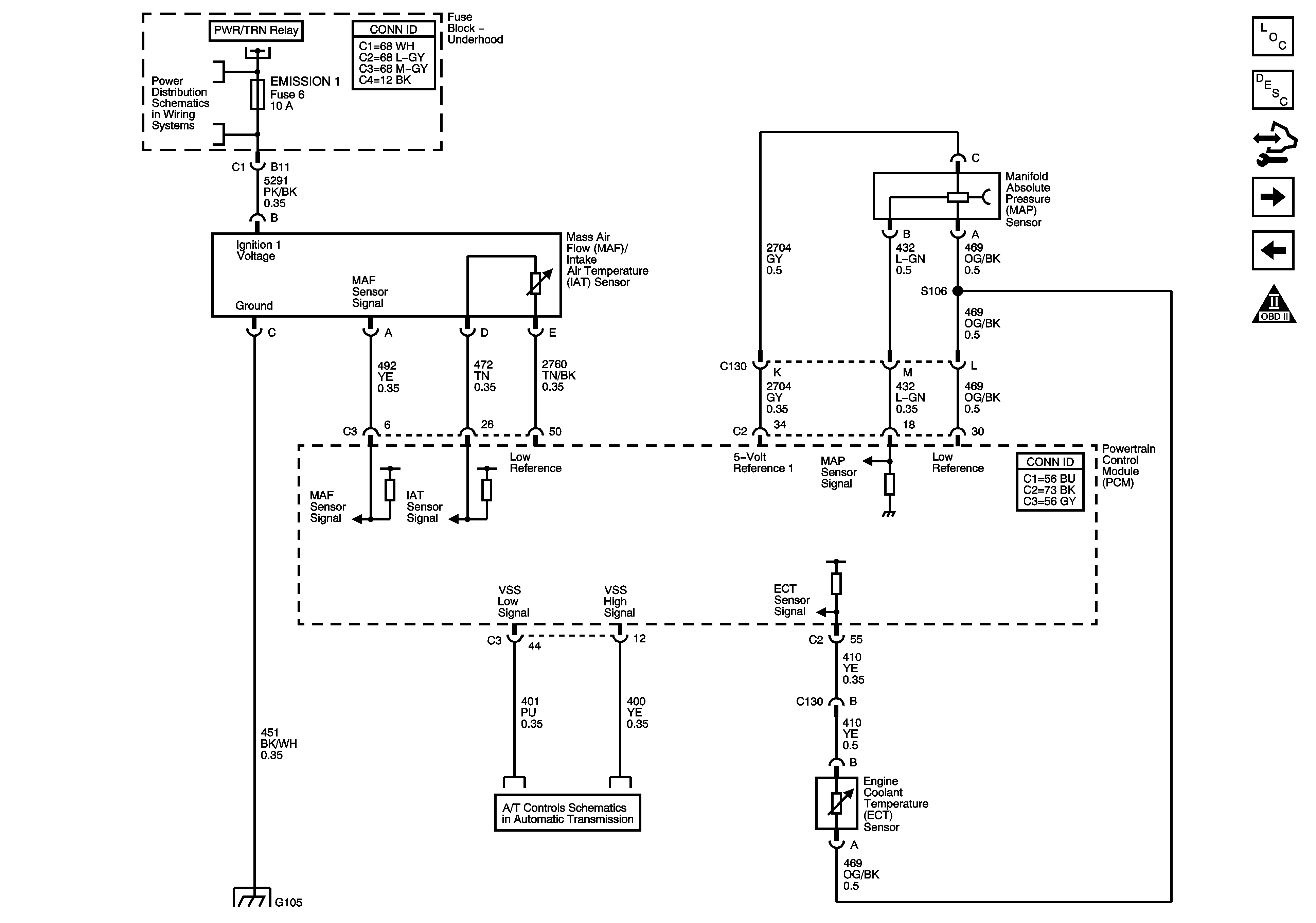
🢒 Pressure and Temperature Sensors
Pressure and Temperature Sensors
Engine Data Sensors - Pressure and Temperature
Master Electrical Component List
Powertrain Control Module Description
Control Module References
Heated Oxygen Sensors
5-Volt and Low References
Engine Controls Schematic Icons
Underhood Fuse Block, A/C CLUTCH Relay, PWR/TRN Relay, A/C CLU, EMISSION 1, and ETC Fuses
Power, Ground, Serial Data and MIL
Transmission Solenoids and VSS
G103, G104, and G105