GM Service Manual Online
For 1990-2009 cars only
Makes
🢒
Chevrolet
🢒
2006
🢒
Malibu
🢒 Power, Ground and Blower Motor Controls
Power, Ground and Blower Motor Controls
Power, Ground and Blower Motor Controls
Master Electrical Component List
Air Delivery Description and Operation
Control Module References
Compressor Controls
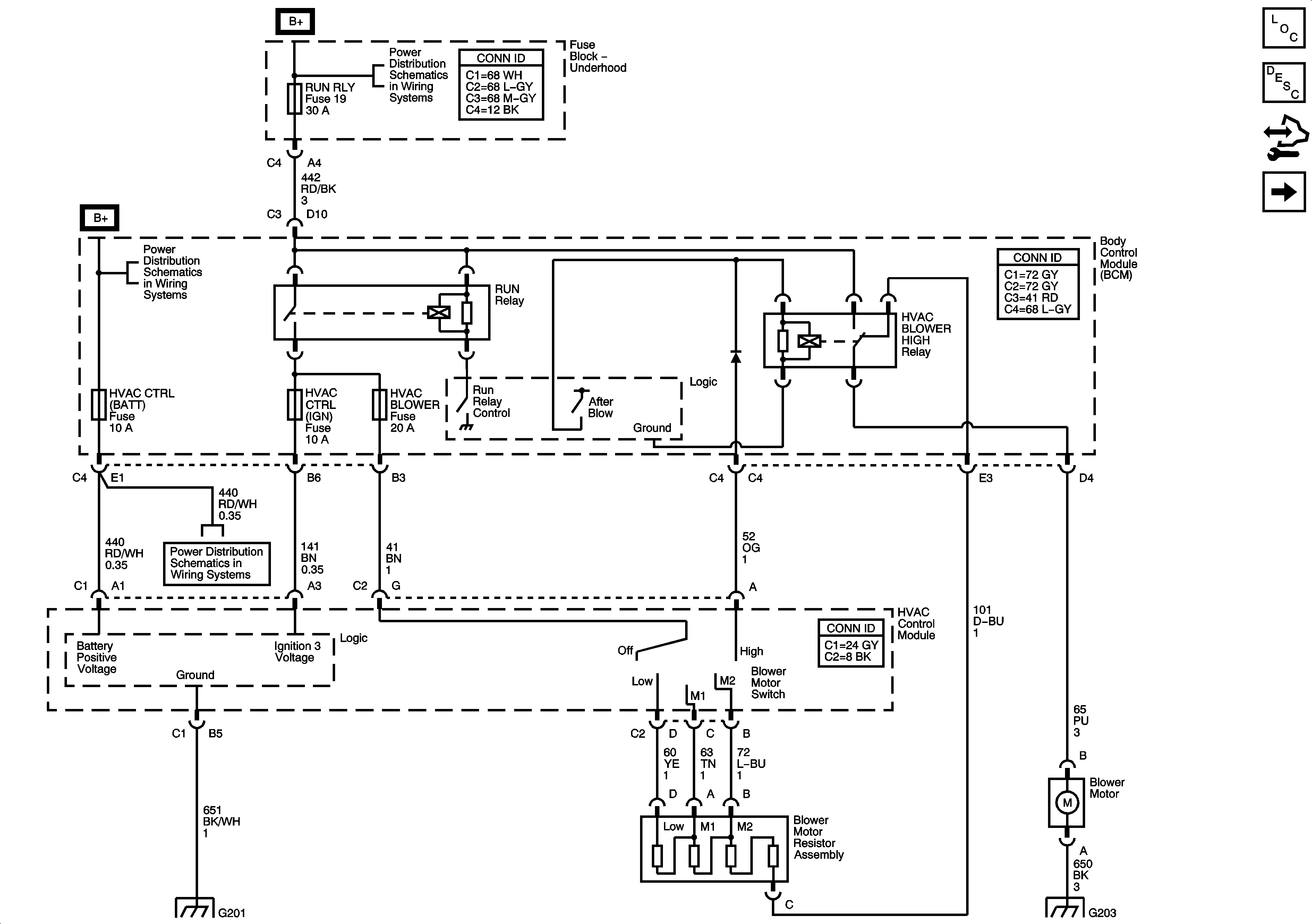
Underhood Fuse Block, RBEC 2, RUN RLY, Body Control Module (BCM) HVAC BLOWER HIGH Relay, RUN Relay, HVAC BLOWER, HVAC CTRL (IGN), Rear Fuse Block, FUEL/PMP Relay, PARK LP Relay, TRUNK Relay, DRV ST
Underhood Fuse Block - IBCM 1, Body Control Module (BCM), AIR BAG (BATT), CLUSTER/THEFT, HVAC CTRL (BATT), IGN SENSOR, and RADIO Fuses
Underhood Fuse Block - IBCM 1, Body Control Module (BCM), AIR BAG (BATT), CLUSTER/THEFT, HVAC CTRL (BATT), IGN SENSOR, and RADIO Fuses
G201
G203