GM Service Manual Online
For 1990-2009 cars only
Makes
🢒
Chevrolet
🢒
2006
🢒
Malibu
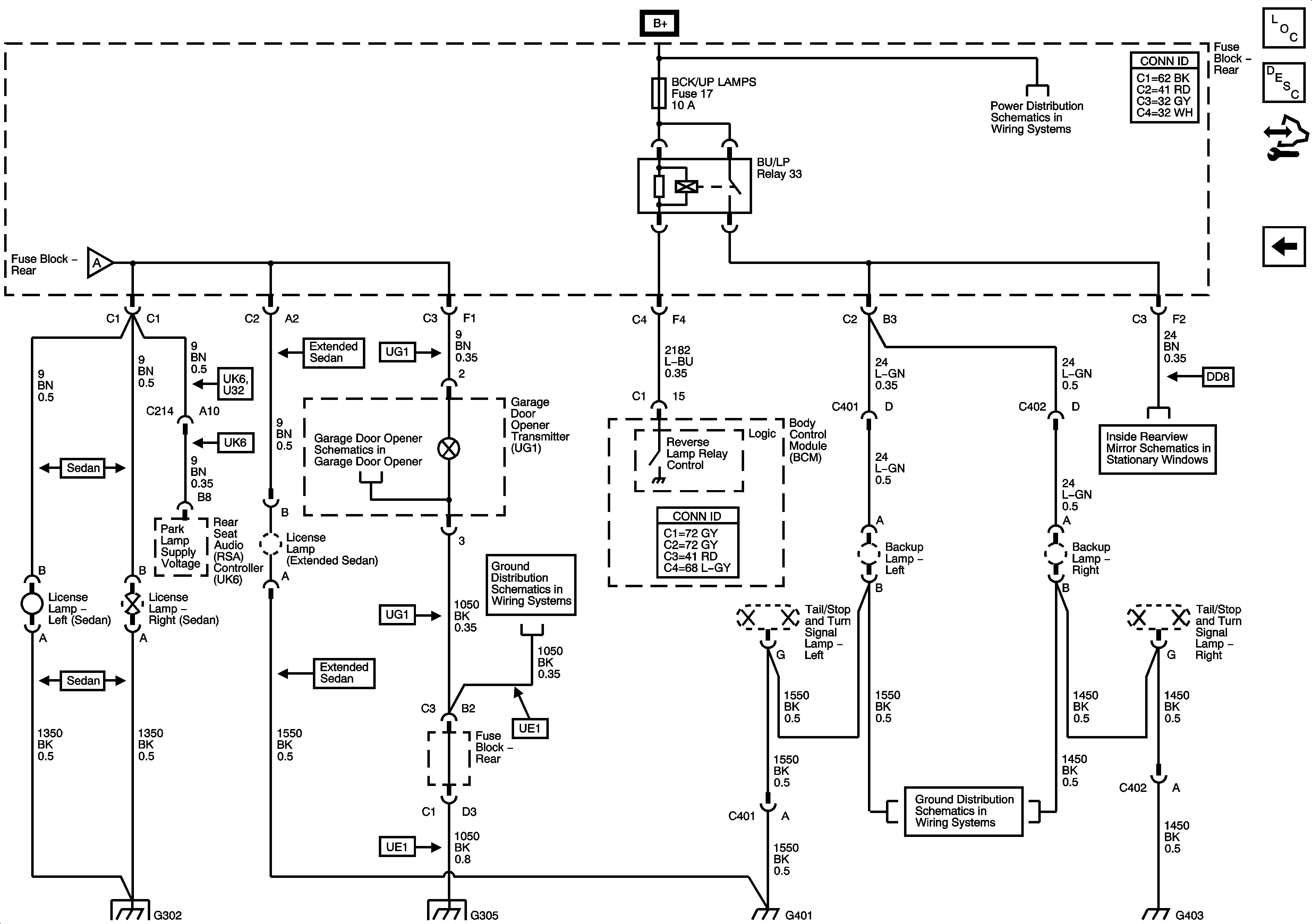
🢒 License Lamps and Backup Lamps
License Lamps and Backup Lamps
License Lamps and Backup Lamps
Master Electrical Component List
Exterior Lighting Systems Description and Operation
Control Module References
Park Lamps
Underhood Fuse Block - RBEC 1 Fuse, Rear Fuse Block, AUX PWR #2, BCK/UP LAMPS, CIG/AUX, HTD MIR, HTD SEAT, RKE/XM/DVD/UGD, RR DEFOG and S/ROOF Fuses
Park Lamps
Garage Door Opener Schematics
Inside Rearview Mirror Schematics
OnStar Schematics
G302
G304 and G305
G401 and G403
G401 and G403
G401 and G403