GM Service Manual Online
For 1990-2009 cars only
Makes
🢒
Chevrolet
🢒
2006
🢒
Malibu
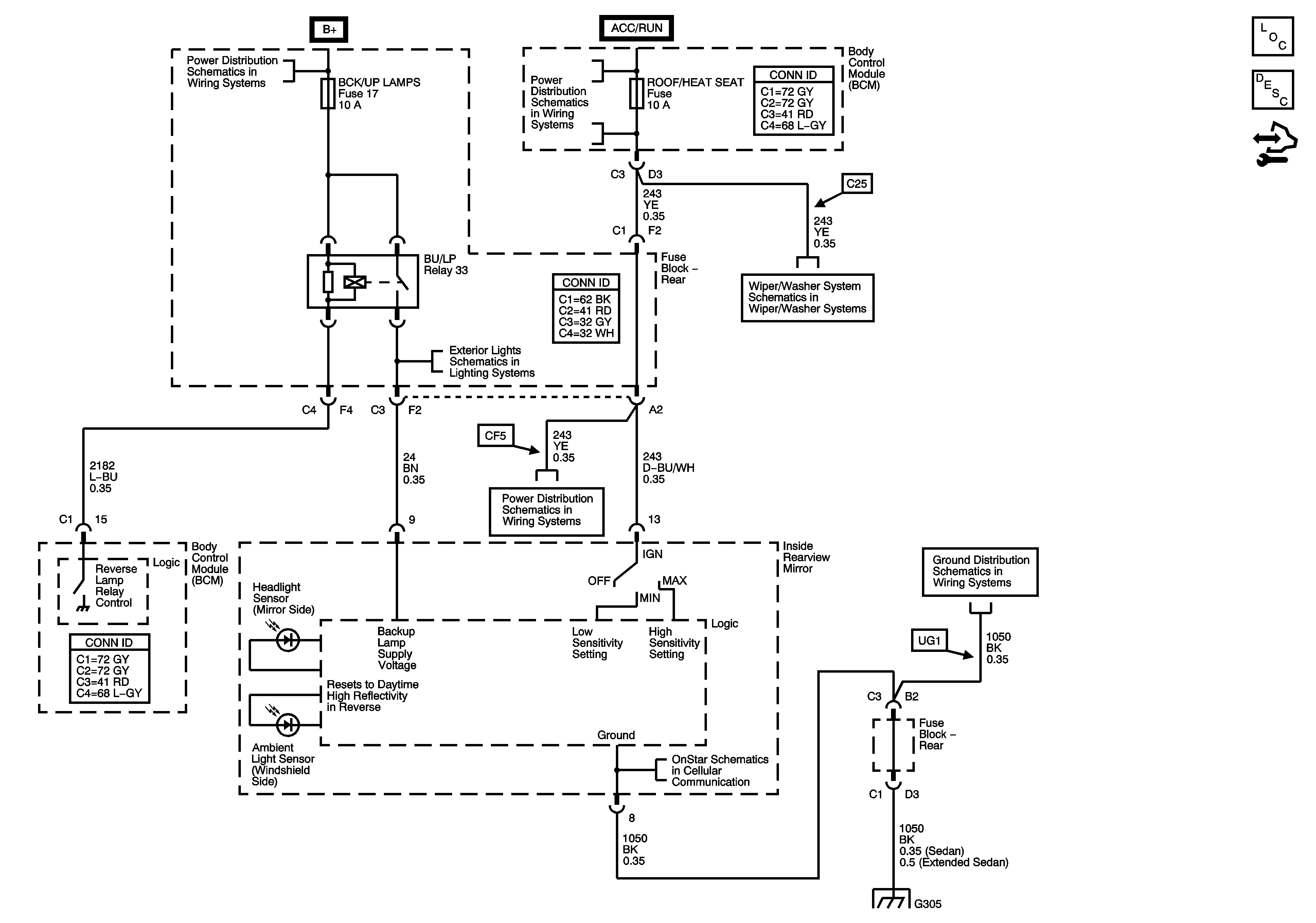
🢒 Inside Rearview Mirror Schematics
Inside Rearview Mirror Schematics
Master Electrical Component List
Automatic Day-Night Mirror Description and Operation
Control Module References
Underhood Fuse Block, ICBM 2, Body Control Module (BCM), ACCESSORY Relay, DOOR LOCK, INTERIOR LIGHTS, POWER WINDOWS, REAR WIPER, ROOF/HEAT SEAT and WIPER SW Fuses
License Lamps and Backup Lamps
Underhood Fuse Block, ICBM 2, Body Control Module (BCM), ACCESSORY Relay, DOOR LOCK, INTERIOR LIGHTS, POWER WINDOWS, REAR WIPER, ROOF/HEAT SEAT and WIPER SW Fuses
G304 and G305
OnStar Schematics
G304 and G305