GM Service Manual Online
For 1990-2009 cars only
Figure 1:

Cell 21: Power, Ground, MIL, and DLC


Object Number: 344650  Size: FS
Engine Controls Components
Powertrain Control Module Description
Cell 10: Generator, Starter, Fusible Links, MaxiFuse® 1, 2 and4
Cell 10: Generator, Starter, Fusible Links, MaxiFuse® 1, 2 and4
Cell 10: Fuses 12, 21, 30, 33, 39, and 42
Cell 11: Anti-Theft PCM (12), Air Bag (21), Turn Signal (30), and IP Electronics Ignition Feed (39) Fuses
Cell 11: Anti-Theft PCM (12), Air Bag (21), Turn Signal (30), and IP Electronics Ignition Feed (39) Fuses
Cell 11: PCM BAT, and R/CMPT REL Fuses
Cell 14: G111 and G113
Cell 14: G201 and G204 (SEO)
Cell 50: Theft Deterrent Module (SEO), PCM, EBCM, SDM
Cell 11: IP Electronics Battery (10), and Power Accessory No.1 (19)Fuses
Handling ESD Sensitive Parts Notice
Handling ESD Sensitive Parts Notice
OBD II Symbol Description Notice
Cell 21: Ignition System, Knock Sensors
Cell 11: Anti-Theft PCM (12), Air Bag (21), Turn Signal (30), and IP Electronics Ignition Feed (39) Fuses
Figure 2:

Cell 21: Ignition System, Knock Sensors


Object Number: 344652  Size: FS
Engine Controls Components
Powertrain Control Module Description
Handling ESD Sensitive Parts Notice
Handling ESD Sensitive Parts Notice
Handling ESD Sensitive Parts Notice
OBD II Symbol Description Notice
Cell 21: Power, Ground, MIL, and DLC
Cell 21: Fuel Controls
Cell 10: Fuses 12, 21, 30, 33, 39, and 42
Figure 3:

Cell 21: Fuel Controls


Object Number: 344653  Size: FS
Engine Controls Components
Powertrain Control Module Description
Cell 21: Engine Data Sensors-A/C Refrig Press, TP, MAP, ECT, IAT
Handling ESD Sensitive Parts Notice
Handling ESD Sensitive Parts Notice
Handling ESD Sensitive Parts Notice
Cell 11: PCM BAT, and R/CMPT REL Fuses
Cell 10: Generator, Starter, Fusible Links, MaxiFuse® 1, 2 and4
Cell 21: Fuel Injectors
Cell 21: Ignition System, Knock Sensors
OBD II Symbol Description Notice
Cell 21: Engine Data Sensors-A/C Refrig Press, TP, MAP, ECT, IAT
Cell 14: G301 and G306 (SEO)
Cell 14: G111 and G113
Figure 4:

Cell 21: Fuel Injectors


Object Number: 344654  Size: FS
Engine Controls Components
Powertrain Control Module Description
Cell 21: Engine Data Sensors-A/C Refrig Press, TP, MAP, ECT, IAT
Cell 21: Fuel Controls
OBD II Symbol Description Notice
Handling ESD Sensitive Parts Notice
Cell 10: Battery, Fusible Links (SEO), MaxiFuses®: ABS, HD LPS, IGN SW 1, and Fuses: ABS, FAN 3, HORN, PARK LPS
Figure 5:

Cell 21: Engine Data Sensors-A/C Refrig Press, TP, MAP, ECT, IAT


Object Number: 344656  Size: FS
Engine Controls Components
Powertrain Control Module Description
Handling ESD Sensitive Parts Notice
Handling ESD Sensitive Parts Notice
OBD II Symbol Description Notice
Cell 21: Fuel Injectors
Cell 21: Engine Data Sensors-HO2S 1, HO2S 2
Cell 81: Instrument Cluster w/Analog Speedometer 1 of 4
Cell 21: Engine Data Sensors-MAF, EVAP Vent, EVAP Purge, EGR
Cell 21: Engine Data Sensors-Automatic Transaxle TCC Switch
Cell 21: Fuel Controls
Cell 21: Fuel Controls
Cell 21: Engine Data Sensors-MAF, EVAP Vent, EVAP Purge, EGR
Figure 6:

Cell 21: Engine Data Sensors-HO2S 1, HO2S 2


Object Number: 344657  Size: FS
Engine Controls Components
Powertrain Control Module Description
Cell 10: Fuses 12, 21, 30, 33, 39, and 42
Cell 11: ELEK IGN, F/INJN, and PCM IGN Fuses
Cell 14: G117
Handling ESD Sensitive Parts Notice
OBD II Symbol Description Notice
Cell 21: Engine Data Sensors-A/C Refrig Press, TP, MAP, ECT, IAT
Cell 21: Engine Data Sensors-MAF, EVAP Vent, EVAP Purge, EGR
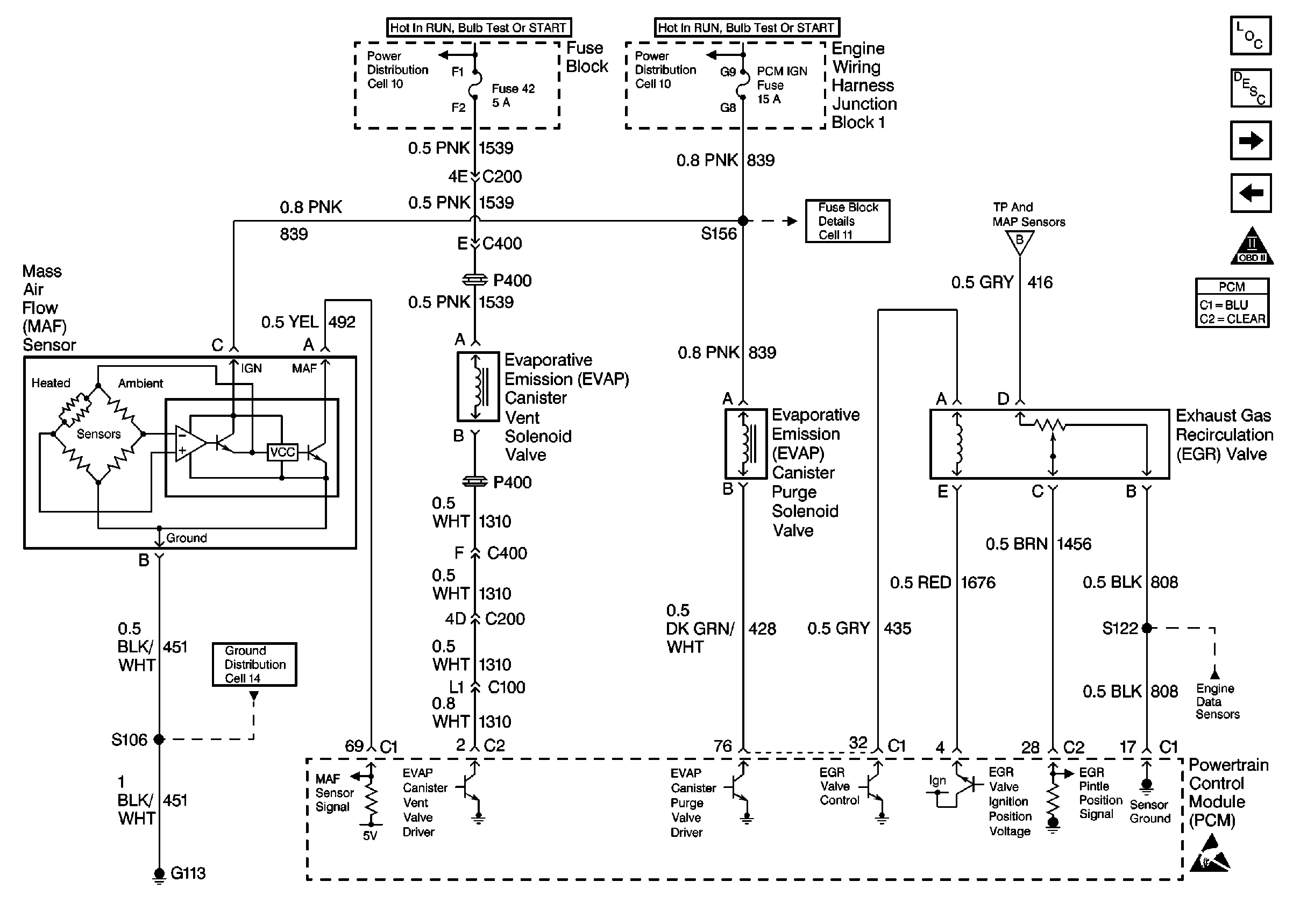
Figure 7:

Cell 21: Engine Data Sensors-MAF, EVAP Vent, EVAP Purge, EGR


Object Number: 344660  Size: FS
Engine Controls Components
Powertrain Control Module Description
Cell 10: Fuses 12, 21, 30, 33, 39, and 42
Cell 10: Fuses 12, 21, 30, 33, 39, and 42
Cell 21: Engine Data Sensors-IAC, Engine Oil Level
Cell 21: Engine Data Sensors-HO2S 1, HO2S 2
OBD II Symbol Description Notice
Cell 11: ELEK IGN, F/INJN, and PCM IGN Fuses
Cell 21: Engine Data Sensors-A/C Refrig Press, TP, MAP, ECT, IAT
Cell 14: G111 and G113
Cell 21: Engine Data Sensors-A/C Refrig Press, TP, MAP, ECT, IAT
Handling ESD Sensitive Parts Notice
Figure 8:

Cell 21: Engine Data Sensors-IAC, Engine Oil Level


Object Number: 344661  Size: FS
Engine Controls Components
Powertrain Control Module Description
Handling ESD Sensitive Parts Notice
Cell 14: G111 and G113
OBD II Symbol Description Notice
Cell 21: Engine Data Sensors-MAF, EVAP Vent, EVAP Purge, EGR
Cell 21: Engine Data Sensors-Indicator Lamps
Figure 9:

Cell 21: Engine Data Sensors-Indicator Lamps


Object Number: 344663  Size: FS
Engine Controls Components
Powertrain Control Module Description
Cell 11: Anti-Theft PCM (12), Air Bag (21), Turn Signal (30), and IP Electronics Ignition Feed (39) Fuses
Cell 10: Fuses 12, 21, 30, 33, 39, and 42
Handling ESD Sensitive Parts Notice
Handling ESD Sensitive Parts Notice
OBD II Symbol Description Notice
Cell 14: G201 and G204 (SEO)
Cell 21: Engine Data Sensors-VSS, Cruise
Cell 21: Engine Data Sensors-IAC, Engine Oil Level
Cell 14: G201 and G204 (SEO)
Figure 10:

Cell 21: Engine Data Sensors-VSS, Cruise


Object Number: 344662  Size: FS
Engine Controls Components
Powertrain Control Module Description
Handling ESD Sensitive Parts Notice
Handling ESD Sensitive Parts Notice
Handling ESD Sensitive Parts Notice
OBD II Symbol Description Notice
Cell 21: Engine Data Sensors-Indicator Lamps
Cell 21: Engine Data Sensors-Automatic Transaxle TCC Switch
Figure 11:

Cell 21: Engine Data Sensors-Automatic Transaxle TCC Switch


Object Number: 344664  Size: FS
Engine Controls Components
Powertrain Control Module Description
Cell 10: Fuses 12, 21, 30, 33, 39, and 42
Cell 11: Anti-Theft PCM (12), Air Bag (21), Turn Signal (30), and IP Electronics Ignition Feed (39) Fuses
Cell 10: Fuses 12, 21, 30, 33, 39, and 42
Cell 21: Engine Data Sensors-A/C Refrig Press, TP, MAP, ECT, IAT
Cell 21: Engine Data Sensors-VSS, Cruise
Cell 21: Engine Data Sensors-Automatic Transaxle
OBD II Symbol Description Notice
Handling ESD Sensitive Parts Notice
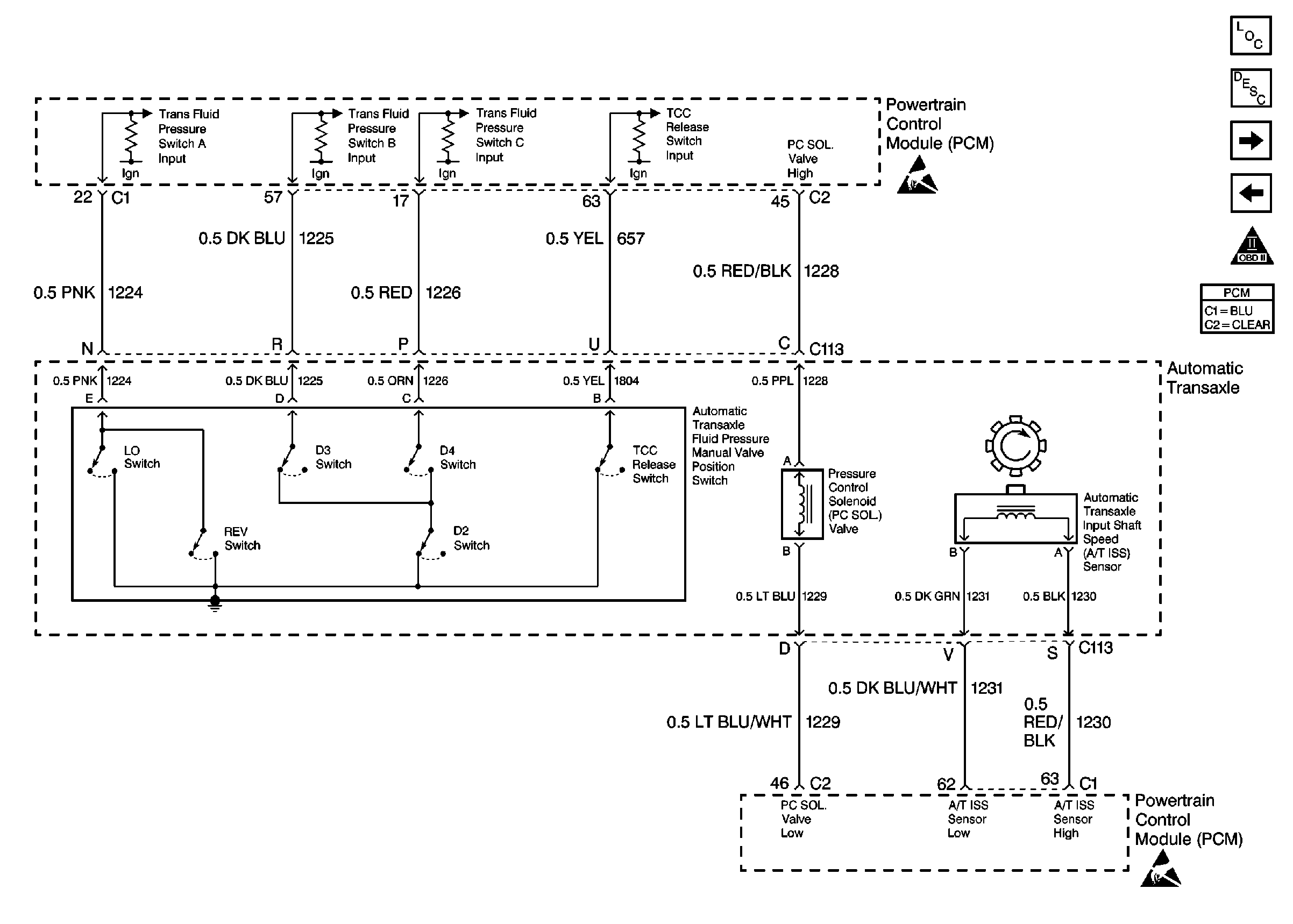
Figure 12:

Cell 21: Engine Data Sensors-Automatic Transaxle


Object Number: 344665  Size: FS
Engine Controls Components
Powertrain Control Module Description
Handling ESD Sensitive Parts Notice
OBD II Symbol Description Notice
Handling ESD Sensitive Parts Notice
Cell 21: Engine Data Sensors-Automatic Transaxle TCC Switch
Cell 21: Engine Data Sensors-A/C Compressor Controls
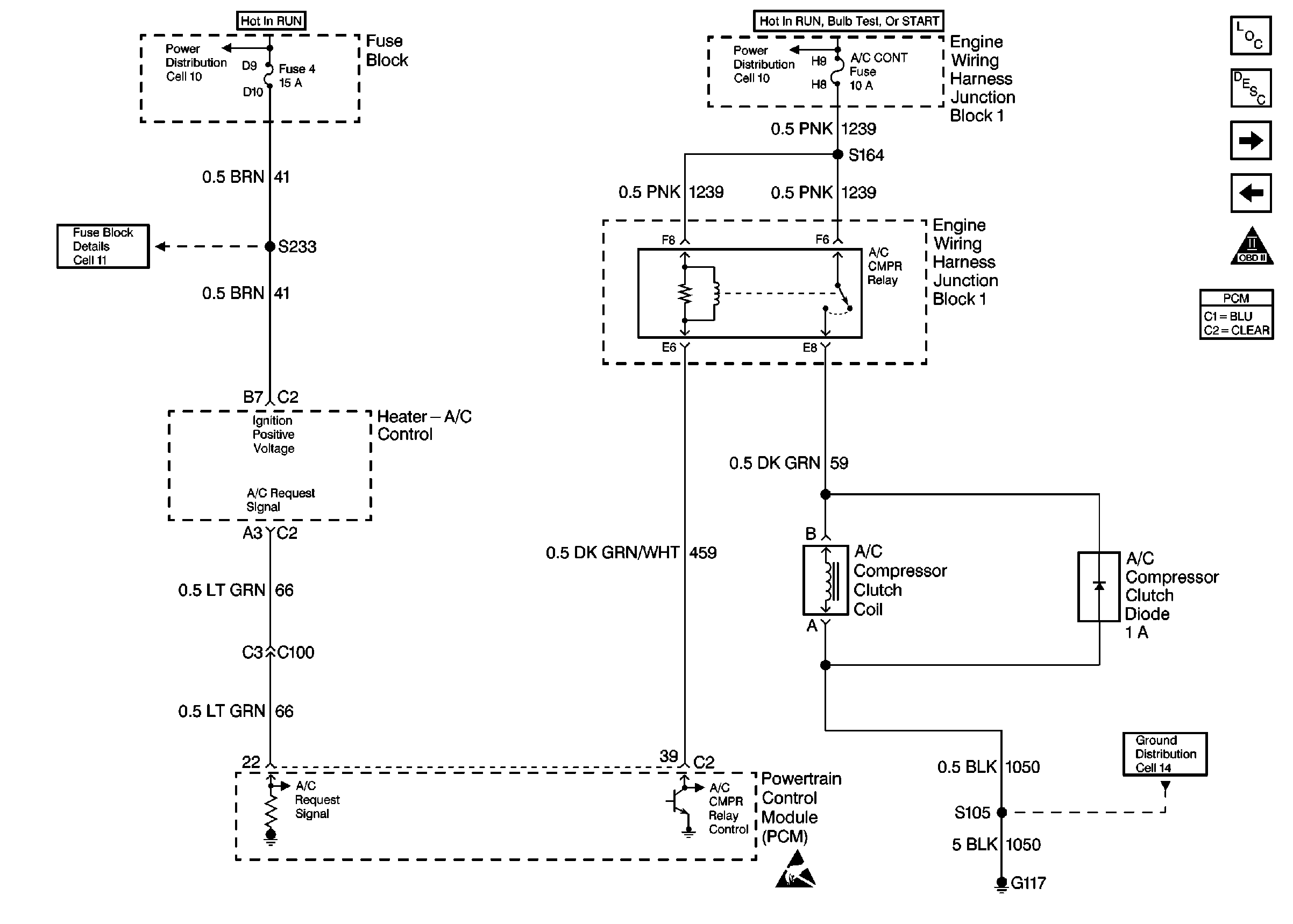
Figure 13:

Cell 21: Engine Data Sensors-A/C Compressor Controls


Object Number: 344666  Size: FS
Engine Controls Components
Powertrain Control Module Description
Cell 11: HVAC (4), ABS (13), and Cruise Control (22) Fuses
Cell 10: Fuses 4, 7, 11, 13, 20, 22, 29, 38, and Circuit Breaker C
Cell 10: Fuses 12, 21, 30, 33, 39, and 42
Cell 21: Engine Data Sensors-Cooling Fan Controls
Cell 21: Engine Data Sensors-Automatic Transaxle
OBD II Symbol Description Notice
Cell 14: G117
Handling ESD Sensitive Parts Notice
Figure 14:

Cell 21: Engine Data Sensors-Cooling Fan Controls


Object Number: 344667  Size: FS
Engine Controls Components
Powertrain Control Module Description
Cell 10: Generator, Starter, Fusible Links, MaxiFuse® 1, 2 and4
Cell 11: PCM BAT, and R/CMPT REL Fuses
Cell 10: Battery, Fusible Links (SEO), MaxiFuses®: ABS, HD LPS, IGN SW 1, and Fuses: ABS, FAN 3, HORN, PARK LPS
Cell 21: Engine Data Sensors-A/C Compressor Controls
OBD II Symbol Description Notice
Cell 14: G117
Handling ESD Sensitive Parts Notice