GM Service Manual Online
For 1990-2009 cars only
Figure 1:

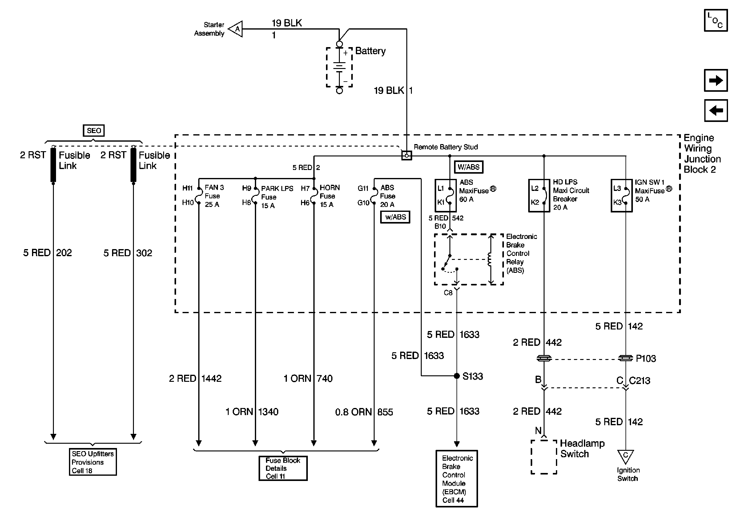
Cell 10: Generator, Starter, Fusible Links, MaxiFuse® 1, 2 and 4


Object Number: 348726  Size: FS
Power and Grounding Components
Cell 10: Battery, Fusible Links (SEO), MaxiFuses®: ABS, HD LPS, IGN SW 1, and Fuses: ABS, FAN 3, HORN, PARK LPS
Cell 10: Battery, Fusible Links (SEO), MaxiFuses®: ABS, HD LPS, IGN SW 1, and Fuses: ABS, FAN 3, HORN, PARK LPS
Cell 11: PCM BAT, and R/CMPT REL Fuses
Cell 11: Hazard Flasher (5), HVAC Blower Motor (14), Stop Lamps (23),Power Locks (32), and Power Drop (41) Fuses
Cell 11: Cigar Lighter (1), Courtesy Lamps (28), and Rear Defog (37)Fuses
Cell 11: IP Electronics Battery (10), and Power Accessory No.1 (19)Fuses
Cell 11: Cigar Lighter (1), Courtesy Lamps (28), and Rear Defog (37)Fuses
Cell 11: Power Windows (C), Power Seats (D) Circuit Breakers, and STaRter Relay (7), STR Wheel Control NO.1 (16) Fuses
Cell 11: RH Spot Lamp (SEO) (6), LH Spot Lamp (SEO) (15), DRL MDL (33),and EVAP SOL (42) Fuses
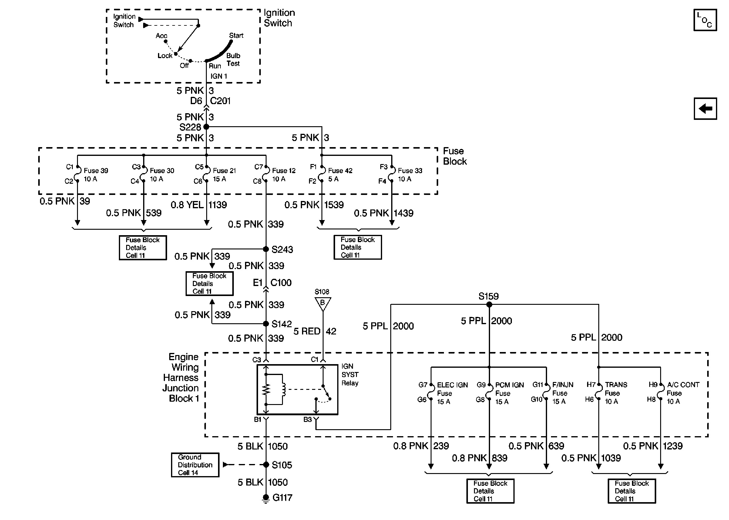
Cell 10: Fuses 12, 21, 30, 33, 39, and 42
Figure 2:

Cell 10: Battery, Fusible Links (SEO), MaxiFuses®: ABS, HD LPS, IGN SW 1, and Fuses: ABS, FAN 3, HORN, PARK LPS


Object Number: 348742  Size: FS
Power and Grounding Components
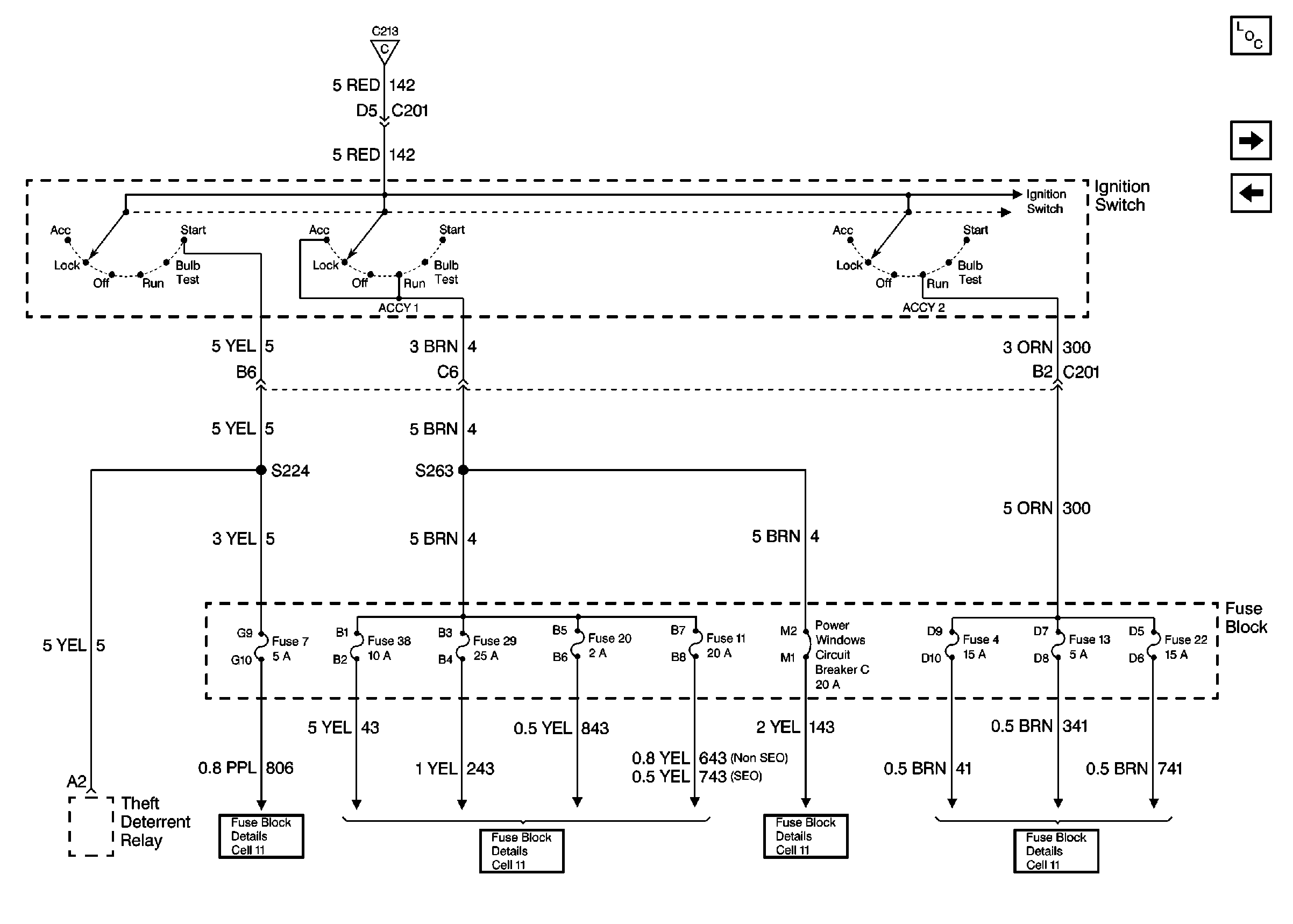
Cell 10: Fuses 4, 7, 11, 13, 20, 22, 29, 38, and Circuit Breaker C
Cell 10: Generator, Starter, Fusible Links, MaxiFuse® 1, 2 and4
Cell 10: Generator, Starter, Fusible Links, MaxiFuse® 1, 2 and4
Cell 10: Fuses 4, 7, 11, 13, 20, 22, 29, 38, and Circuit Breaker C
Cell 44: Power, EBCM, Brake Modulator
Cell 11: ABS, Fan 3, Horn, and Park LPS Fuses
Cell 18: Passenger Dome Lamp (RPO 6C7) and IGN and Main Power Supply(RPO 6J1)
Figure 3:

Cell 10: Fuses 4, 7, 11, 13, 20, 22, 29, 38, and Circuit Breaker C


Object Number: 348747  Size: FS
Power and Grounding Components
Cell 10: Fuses 12, 21, 30, 33, 39, and 42
Cell 10: Battery, Fusible Links (SEO), MaxiFuses®: ABS, HD LPS, IGN SW 1, and Fuses: ABS, FAN 3, HORN, PARK LPS
Cell 10: Fuses 12, 21, 30, 33, 39, and 42
Cell 11: HVAC (4), ABS (13), and Cruise Control (22) Fuses
Cell 11: Power Windows (C), Power Seats (D) Circuit Breakers, and STaRter Relay (7), STR Wheel Control NO.1 (16) Fuses
Cell 11: Power Windows (C), Power Seats (D) Circuit Breakers, and STaRter Relay (7), STR Wheel Control NO.1 (16) Fuses
Cell 11: Power Accessory No. 2 (Sunroof) (11), Power Accessory No.2 (20), Wiper (29), and Radio (38) Fuses
Cell 10: Battery, Fusible Links (SEO), MaxiFuses®: ABS, HD LPS, IGN SW 1, and Fuses: ABS, FAN 3, HORN, PARK LPS
Figure 4:

Cell 10: Fuses 12, 21, 30, 33, 39, and 42


Object Number: 348751  Size: FS
Power and Grounding Components
Cell 10: Fuses 4, 7, 11, 13, 20, 22, 29, 38, and Circuit Breaker C
Cell 10: Fuses 4, 7, 11, 13, 20, 22, 29, 38, and Circuit Breaker C
Cell 10: Generator, Starter, Fusible Links, MaxiFuse® 1, 2 and4
Cell 11: RH Spot Lamp (SEO) (6), LH Spot Lamp (SEO) (15), DRL MDL (33),and EVAP SOL (42) Fuses
Cell 11: Anti-Theft PCM (12), Air Bag (21), Turn Signal (30), and IP Electronics Ignition Feed (39) Fuses
Cell 11: Anti-Theft PCM (12), Air Bag (21), Turn Signal (30), and IP Electronics Ignition Feed (39) Fuses
Cell 14: G117
Cell 11: ELEK IGN, F/INJN, and PCM IGN Fuses
Cell 11: A/C CONT, and TRANS Fuses