GM Service Manual Online
For 1990-2009 cars only
Makes
🢒
Chevrolet
🢒
2004
🢒
Monte Carlo
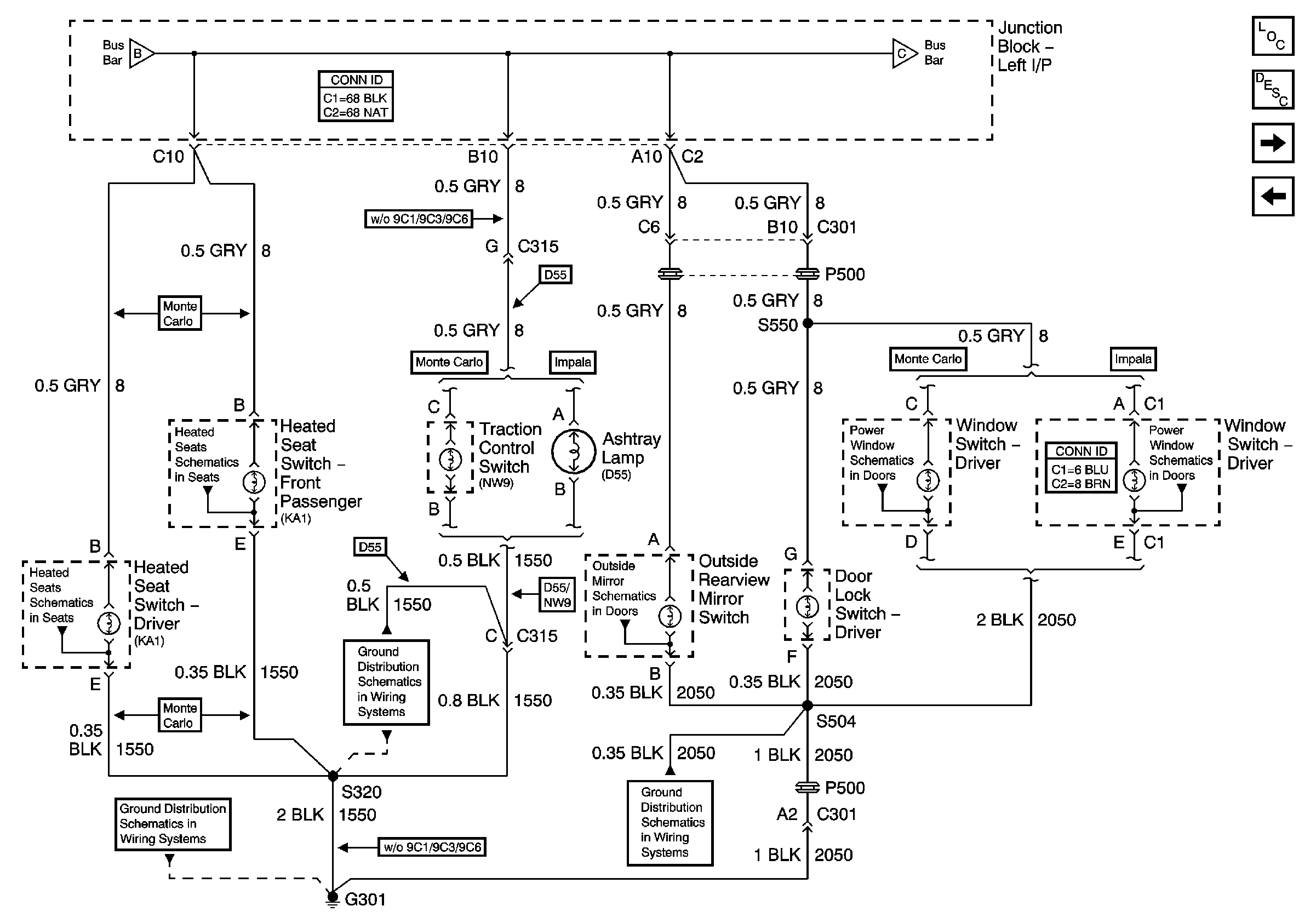
🢒 Console, and Driver Door
Console, and Driver Door
Console, and Driver Door
Master Electrical Component List
Interior Lighting Systems Description and Operation
Fog Lamps Switch, and Front Passenger Door
I/P
I/P
Fog Lamps Switch, and Front Passenger Door
G301 [1 of 2]
G301 [1 of 2]
Driver Seat [Monte Carlo]
Front Passenger Seat [Monte Carlo]
Power Mirrors
Monte Carlo
Impala Rear Doors
G301 [2 of 2]