GM Service Manual Online
For 1990-2009 cars only
Makes
🢒
Chevrolet
🢒
2004
🢒
Monte Carlo
🢒 Driver Seat [Monte Carlo]
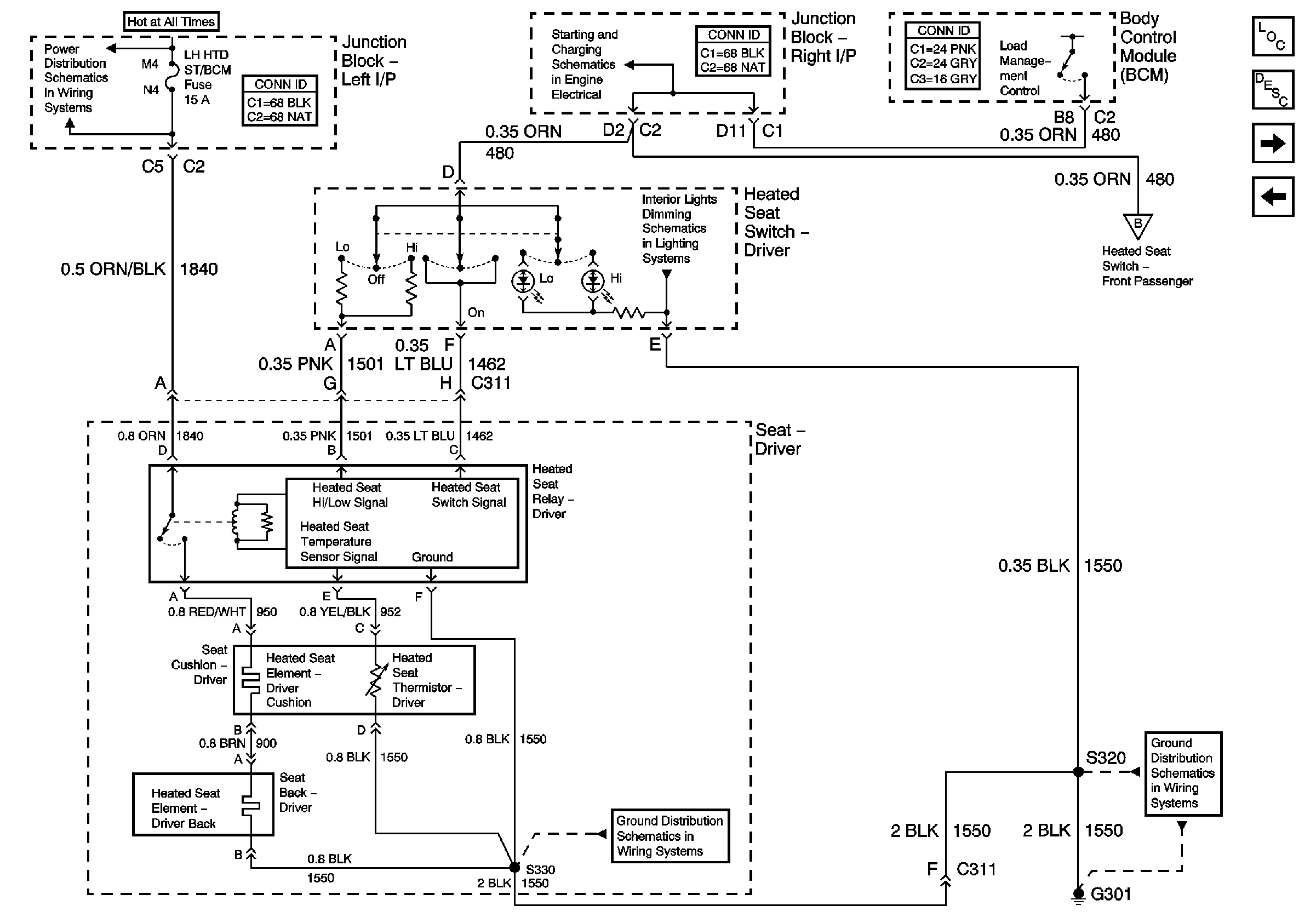
Driver Seat [Monte Carlo]
Driver Seat (Monte Carlo)
Master Electrical Component List
Heated Seats Description and Operation
Front Passenger Seat [Monte Carlo]
Front Passenger Seat [Impala]
CLSTR/BCM, DK LK, LEFT IP, LT HTD ST/BCM, and PWR MIR
Load Management
Console, and Driver Door
Front Passenger Seat [Monte Carlo]
G301 [1 of 2]
G301 [1 of 2]