GM Service Manual Online
For 1990-2009 cars only
Makes
🢒
Chevrolet
🢒
2004
🢒
Monte Carlo
🢒 Heated Mirror
Heated Mirror
Heated Mirrors (DK5)
Master Electrical Component List
Outside Mirror Description and Operation
Power Mirrors
A/C Cruise, A/C Fan, CRUISE, PCM/BCM CLSTR, and PCM Fuses
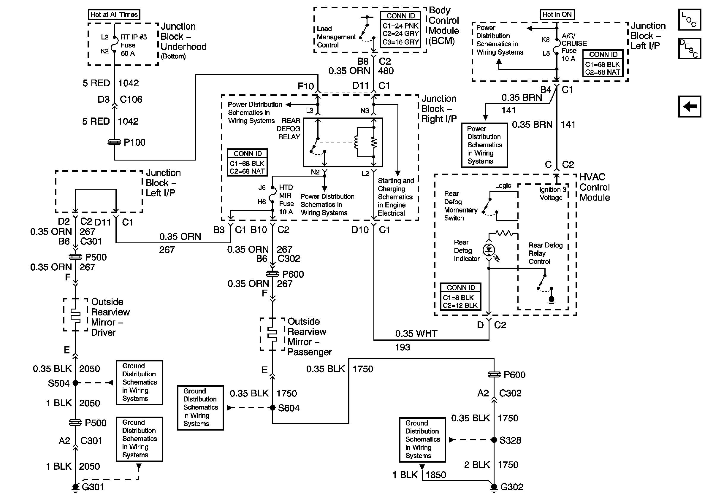
HTD MIR, RADIO, and RT IP#3 Fuses, Rear DEFOG BRKR Relay
A/C Cruise, A/C Fan, CRUISE, PCM/BCM CLSTR, and PCM Fuses
HTD MIR, RADIO, and RT IP#3 Fuses, Rear DEFOG BRKR Relay
Load Management
G301 [2 of 2]
G301 [1 of 2]
G203 [1 of 2]
G203 [1 of 2]