GM Service Manual Online
For 1990-2009 cars only
Makes
🢒
Chevrolet
🢒
2007
🢒
Monte Carlo
🢒
Engine
🢒
Engine Electrical
🢒 Starting and Charging Schematics
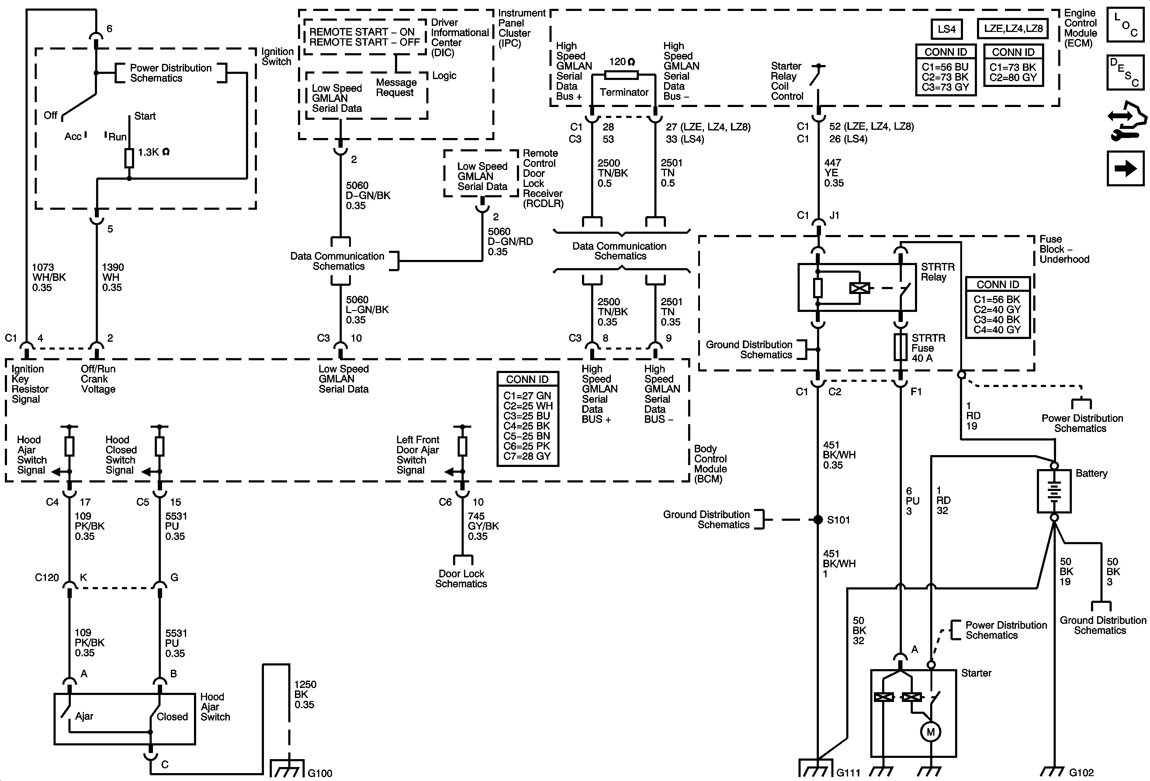
Figure
1:
Starter
Master Electrical Component List
Starting System Description and Operation
Control Module References
Generator
Ignition Switch
Power, Ground, and Low Speed GMLAN Serial Data
High Speed GMLAN Serial Data
G101, G102, and G111
Fuse Block - Underhood Bussing
Door Ajar Indicators
G101, G102, and G111
Fuse Block - Underhood Bussing
G101, G102, and G111
G100
G101, G102, and G111
G101, G102, and G111
Figure
2:
Generator
Master Electrical Component List
Charging System Description and Operation
Control Module References
Starter
Fuse Block - Underhood Bussing
INT LTS/PNL DIM, LT T/SIG, RT T/SIG, CHMSL/BACKUP, INT LIGHTS, RVC SEN, and ECM/TCM Fuses
Power, Ground, and Low Speed GMLAN Serial Data
High Speed GMLAN Serial Data
Fuse Block - Underhood Bussing
G101, G102, and G111
G101, G102, and G111