GM Service Manual Online
For 1990-2009 cars only
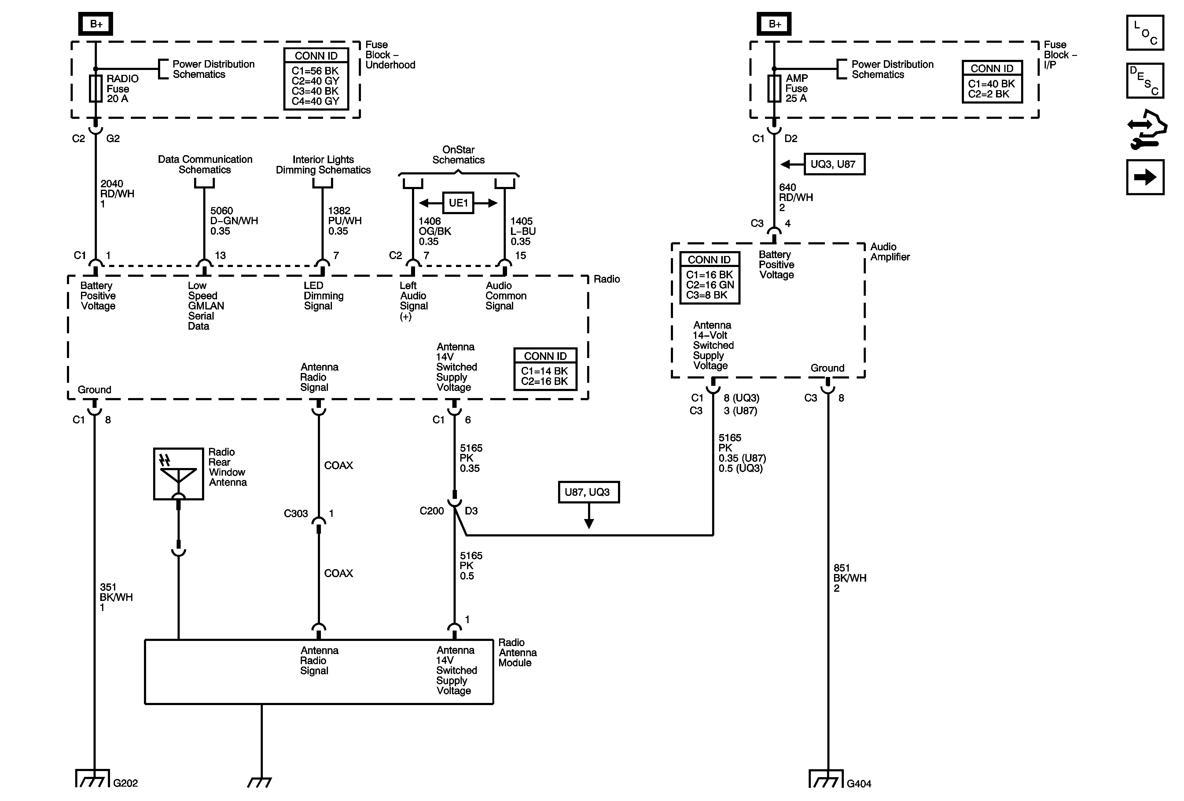
Figure 1:

Power, Ground, and References


Object Number: 1762161  Size: FS
Master Electrical Component List
Radio/Audio System Description and Operation
Control Module References
Radio to Speakers - UW6
Fuse Block - Underhood Bussing
BATT 4, ABS MTR1, ABS MTR2, AUX PWR, RADIO Fuses, and PWR/WNDW Circuit Breaker
BATT 1, CNSTR, ONSTAR, TRUNK, AMP, AUX Fuses, and TRUNK Relay
BATT 1, CNSTR, ONSTAR, TRUNK, AMP, AUX Fuses, and TRUNK Relay
Power, Ground, and Low Speed GMLAN Serial Data
Radio, HVAC Control Module, Driver Information Center (DIC) Switch, and Steering Wheel Controls
OnStar Schematics
G202 and G204
G403 and G404
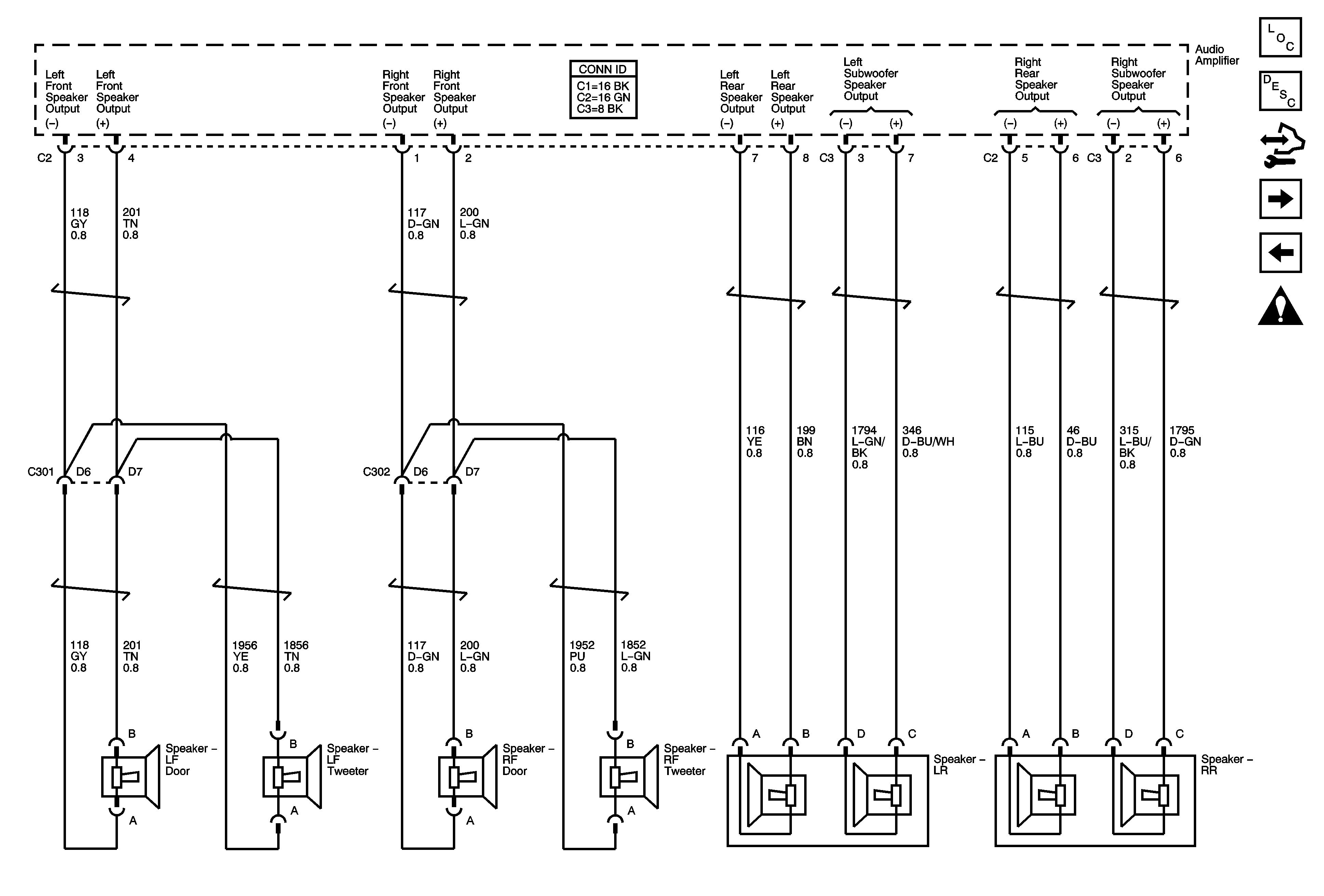
Figure 2:

Radio to Speakers - UW6


Object Number: 1762164  Size: FS
Master Electrical Component List
Radio/Audio System Description and Operation
Control Module References
Audio Signal Communications - UQ3/U87
Power, Ground, and References
Entertainment/Communication Schematic Icons
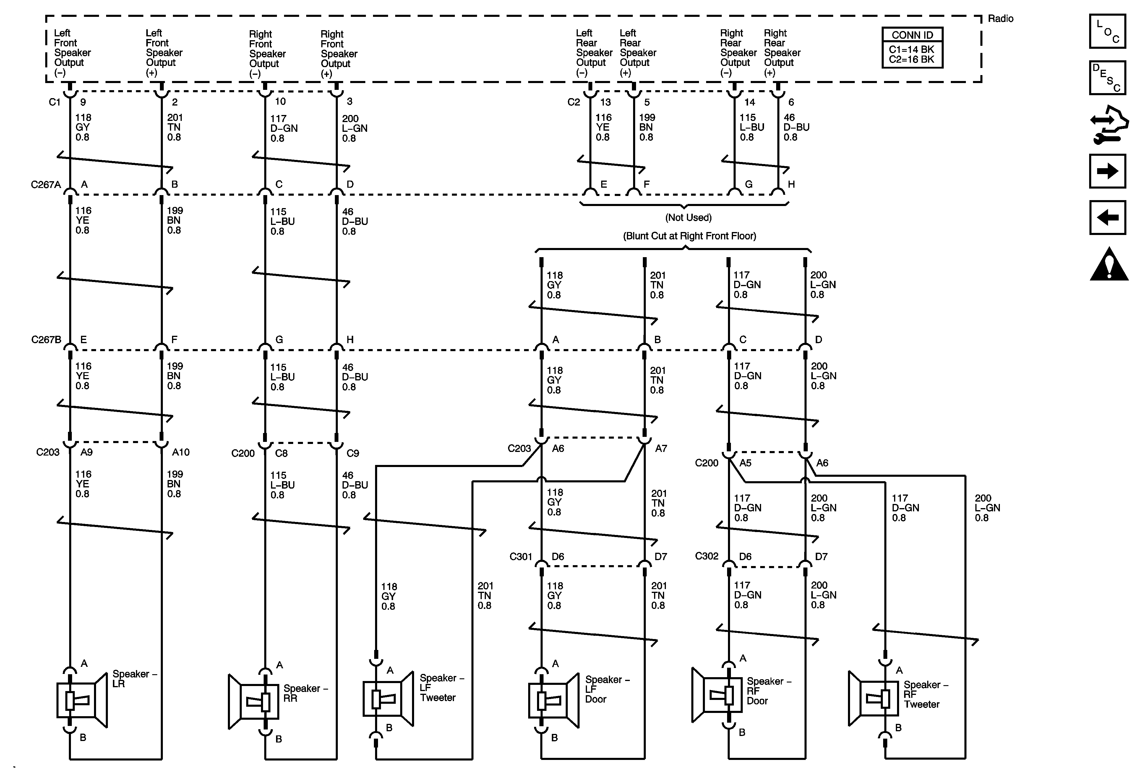
Figure 3:

Audio Signal Communications - UQ3/U87


Object Number: 1762165  Size: FS
Master Electrical Component List
Radio/Audio System Description and Operation
Control Module References
Audio Amplifier to Speakers - UQ3, Sedan
Radio to Speakers - UW6
Entertainment/Communication Schematic Icons
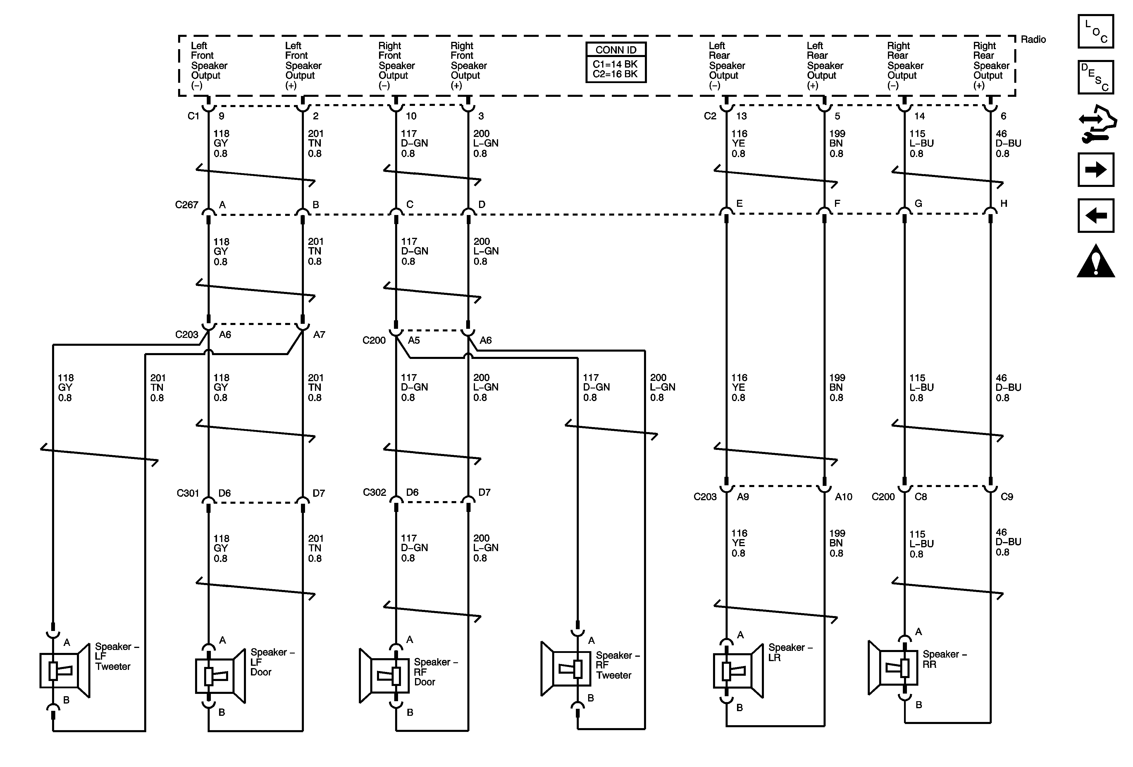
Figure 4:

Audio Amplifier to Speakers - UQ3, Sedan


Object Number: 1762167  Size: FS
Master Electrical Component List
Radio/Audio System Description and Operation
Control Module References
Amplifier to Speakers - U87, Coupe
Audio Signal Communications - UQ3/U87
Entertainment/Communication Schematic Icons
Figure 5:

Amplifier to Speakers - U87, Coupe


Object Number: 1762170  Size: FS
Master Electrical Component List
Radio/Audio System Description and Operation
Control Module References
Radio to Speakers 9C1, 9C3, w/o WX7
Audio Amplifier to Speakers - UQ3, Sedan
Entertainment/Communication Schematic Icons
Figure 6:

Radio to Speakers - 9C1, 9C3, w/o WX7


Object Number: 1762172  Size: FS
Master Electrical Component List
Radio/Audio System Description and Operation
Control Module References
Radio to Speakers 9C1, 9C3, and WX7
Amplifier to Speakers - U87, Coupe
Entertainment/Communication Schematic Icons
Figure 7:

Radio to Speakers - 9C1, 9C3, and WX7


Object Number: 1762174  Size: FS
Master Electrical Component List
Radio/Audio System Description and Operation
Control Module References
Satellite Radio - U2K
Radio to Speakers 9C1, 9C3, w/o WX7
Entertainment/Communication Schematic Icons
Figure 8:

Satellite Radio - U2K


Object Number: 1762175  Size: FS
Master Electrical Component List
Radio/Audio System Description and Operation
Control Module References
Radio to Speakers 9C1, 9C3, and WX7
BATT 1, CNSTR, ONSTAR, TRUNK, AMP, AUX Fuses, and TRUNK Relay
BATT 1, CNSTR, ONSTAR, TRUNK, AMP, AUX Fuses, and TRUNK Relay
Power, Ground, and Low Speed GMLAN Serial Data
Entertainment/Communication Schematic Icons
Entertainment/Communication Schematic Icons
Entertainment/Communication Schematic Icons
Entertainment/Communication Schematic Icons
G403 and G404