GM Service Manual Online
For 1990-2009 cars only
Makes
🢒
Chevrolet
🢒
2007
🢒
Monte Carlo
🢒
Diagnostic Navigation
🢒
Vehicle Diagnostic Information
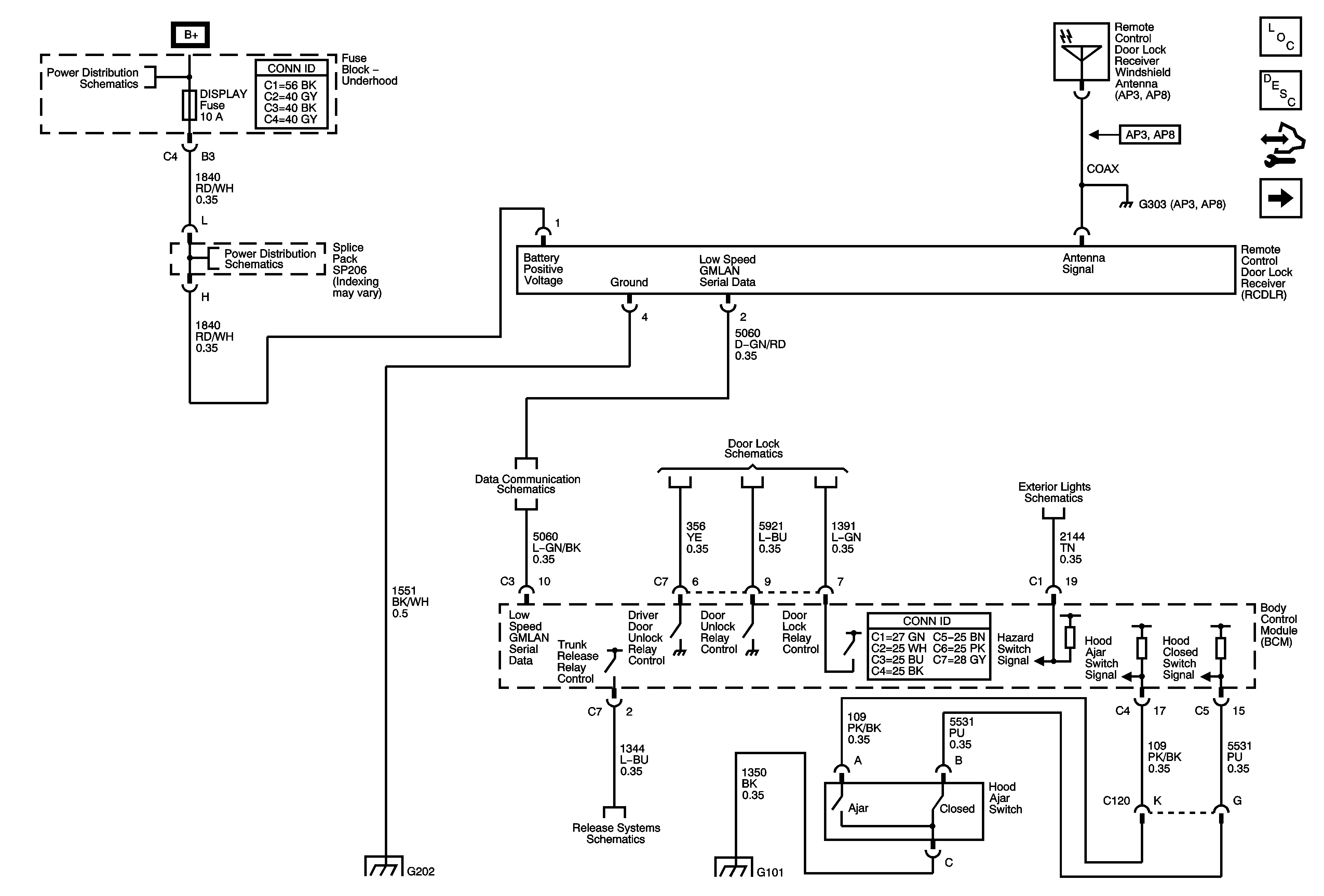
🢒 Remote Function Schematics
Figure
1:
Keyless Entry
Master Electrical Component List
Keyless Entry System Description and Operation (without Accessory 2 Way Remote)
Control Module References
Garage Door Opener
Fuse Block - Underhood Bussing
Fuse Block - Underhood Bussing
HDLP MDL, DISPLAY, LT SPOT, and RT SPOT Fuses
Power, Ground, and Low Speed GMLAN Serial Data
Door Lock Actuators
Turn Signal, Hazard, and Stop Lamps Inputs
Release Systems Schematics
G202 and G204
G101, G102, and G111
Figure
2:
Garage Door Opener
Master Electrical Component List
Garage Door Opener Description and Operation (One LED)
Control Module References
Keyless Entry
Fuse Block - Underhood Bussing
INT LTS/PNL DIM, LT T/SIG, RT T/SIG, CHMSL/BACKUP, INT LIGHTS, RVC SEN, and ECM/TCM Fuses
INT LTS/PNL DIM, LT T/SIG, RT T/SIG, CHMSL/BACKUP, INT LIGHTS, RVC SEN, and ECM/TCM Fuses
G301