GM Service Manual Online
For 1990-2009 cars only
Figure 1:

Switches (Sedan)


Object Number: 1761756  Size: FS
Master Electrical Component List
Interior Lighting Systems Description and Operation
Control Module References
Switches (Coupe)
Fuse Block - Underhood Bussing
INT LTS/PNL DIM, LT T/SIG, RT T/SIG, CHMSL/BACKUP, INT LIGHTS, RVC SEN, and ECM/TCM Fuses
Switches
Park Lamps (1 of 2)
Fog Lights Schematics
Indicators, ABS, and Traction Control
Release Systems Schematics
G301
G302 (Sedan)
G301
G302 (Sedan)
G202 and G204
Figure 2:

Switches (Coupe)


Object Number: 1761762  Size: FS
Master Electrical Component List
Interior Lighting Systems Description and Operation
Control Module References
Passenger Compartment Lights
Switches (Sedan)
Fuse Block - Underhood Bussing
INT LTS/PNL DIM, LT T/SIG, RT T/SIG, CHMSL/BACKUP, INT LIGHTS, RVC SEN, and ECM/TCM Fuses
Switches
Park Lamps (1 of 2)
Fog Lights Schematics
Indicators, ABS, and Traction Control
Release Systems Schematics
G301
G302 (Coupe)
G202 and G204
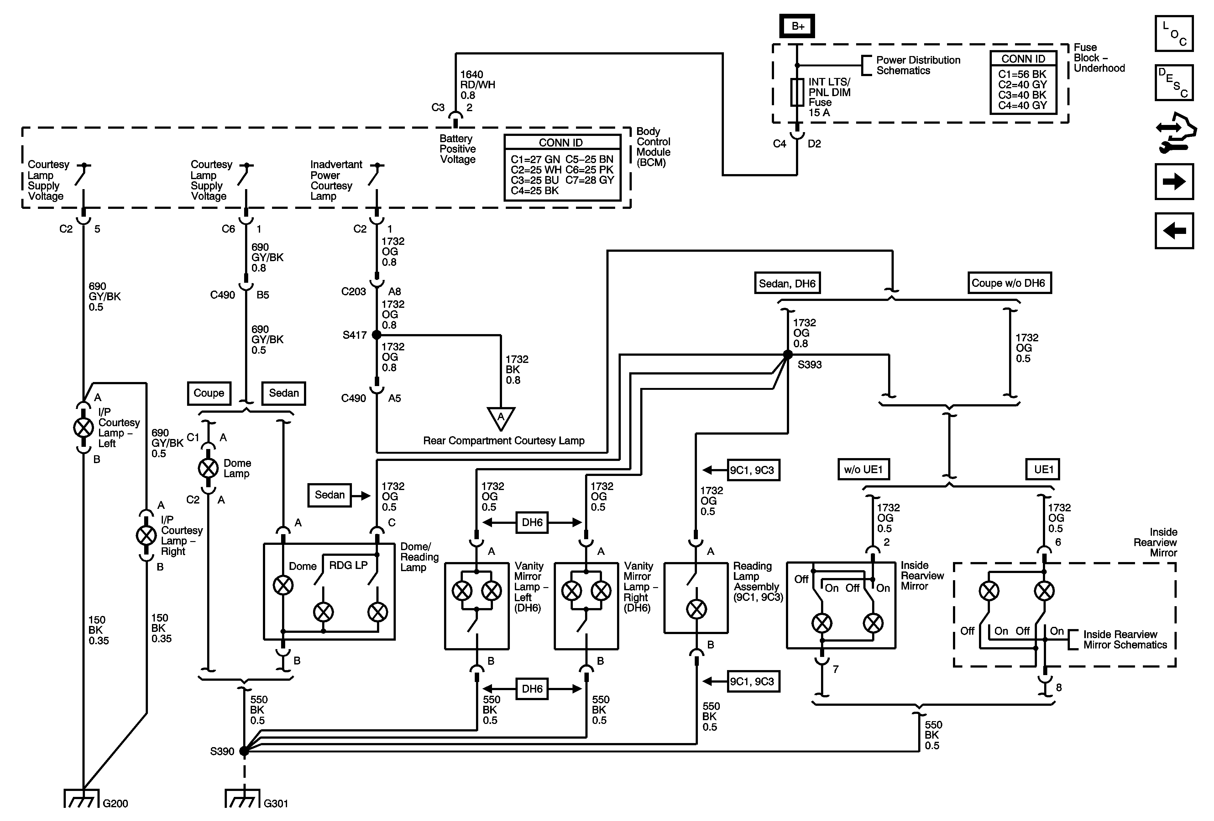
Figure 3:

Passenger Compartment Lights


Object Number: 1761765  Size: FS
Master Electrical Component List
Interior Lighting Systems Description and Operation
Control Module References
Rear Compartment Lights
Switches (Coupe)
Fuse Block - Underhood Bussing
INT LTS/PNL DIM, LT T/SIG, RT T/SIG, CHMSL/BACKUP, INT LIGHTS, RVC SEN, and ECM/TCM Fuses
Rear Compartment Lights
Inside Rearview Mirror Schematics
G200
G301
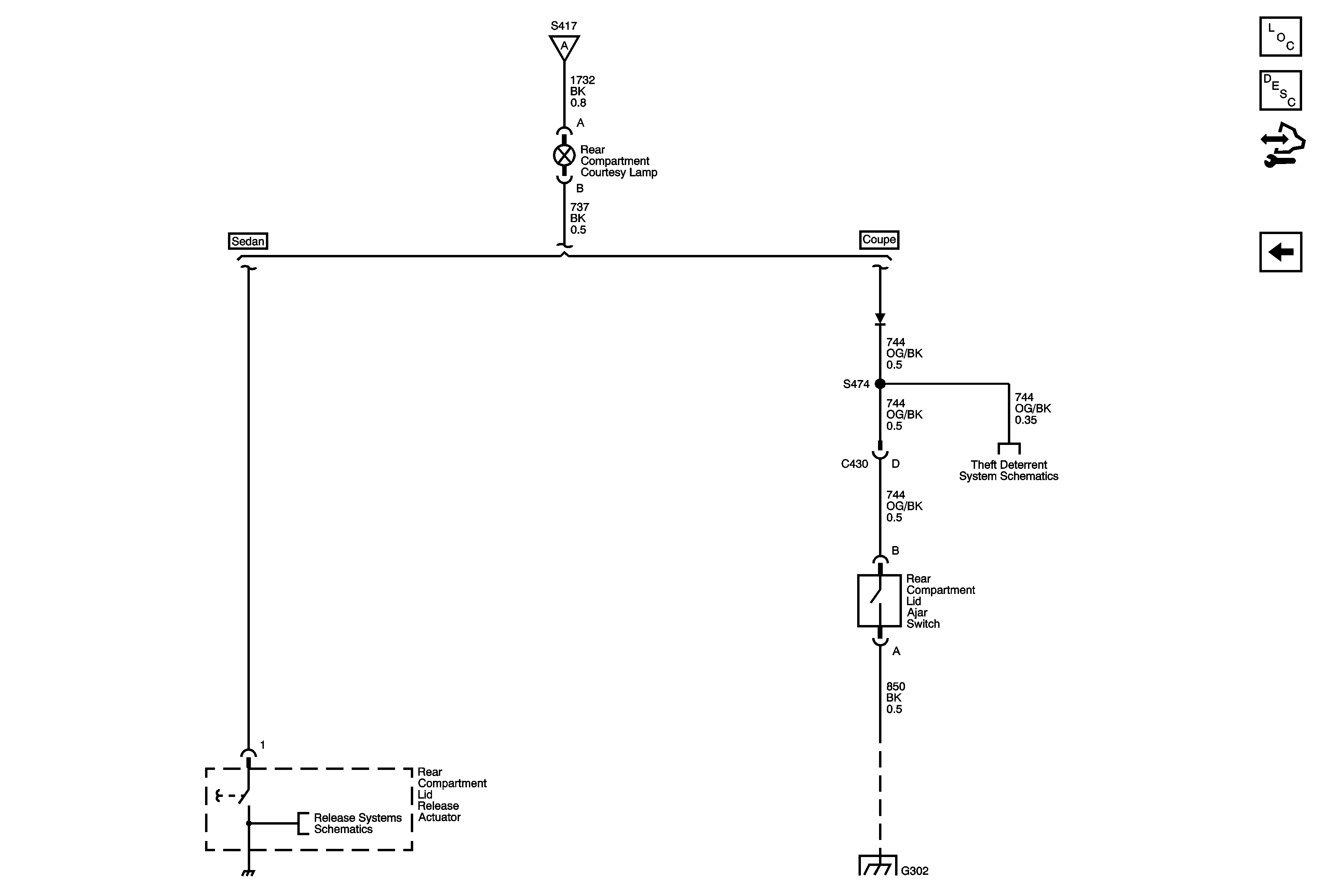
Figure 4:

Rear Compartment Lights


Object Number: 1761771  Size: FS
Master Electrical Component List
Interior Lighting Systems Description and Operation
Control Module References
Passenger Compartment Lights
Passenger Compartment Lights
Theft Deterrent System Schematics
Release Systems Schematics
G302 (Coupe)