GM Service Manual Online
For 1990-2009 cars only
Makes
🢒
Chevrolet
🢒
2007
🢒
Monte Carlo
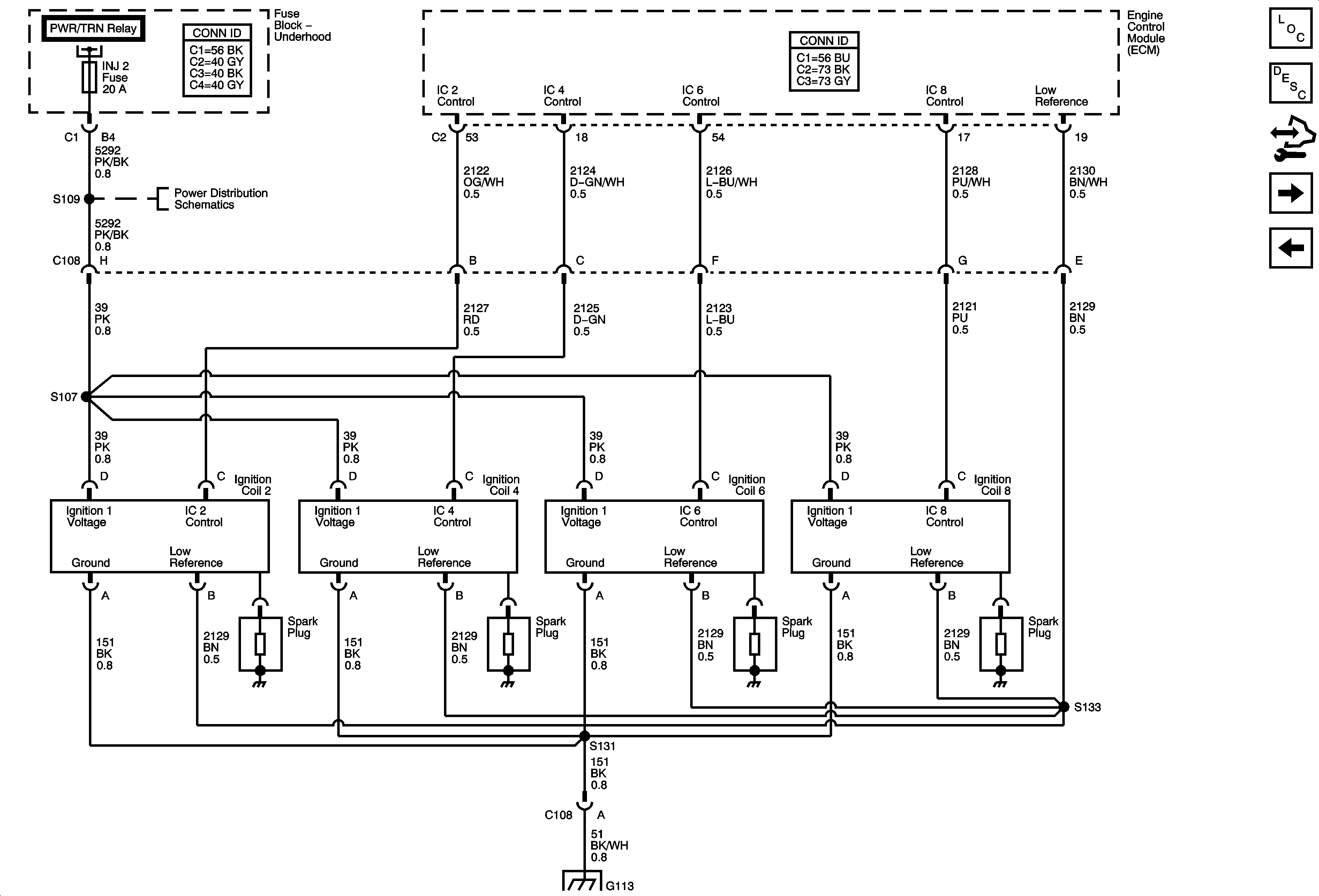
🢒 Ignition Controls Bank 2 (Even) Ignition Coils
Ignition Controls Bank 2 (Even) Ignition Coils
Ignition Controls Bank 2 (Even) Ignition Coils
Master Electrical Component List
Electronic Ignition (EI) System Description
Control Module References
Ignition Controls Knock, CMP, CKP, Brake Booster Vacuum Sensor, and Valve Lifter Oil Manifold Assembly
Ignition Controls Bank 1 (Odd) Ignition Coils
ECM Power, Ground, MIL, and Serial Data
ETC/ECM, INJ 1, INJ 2 Fuses (LS4)
G113 and G115