GM Service Manual Online
For 1990-2009 cars only
Makes
🢒
Chevrolet
🢒
2007
🢒
Monte Carlo
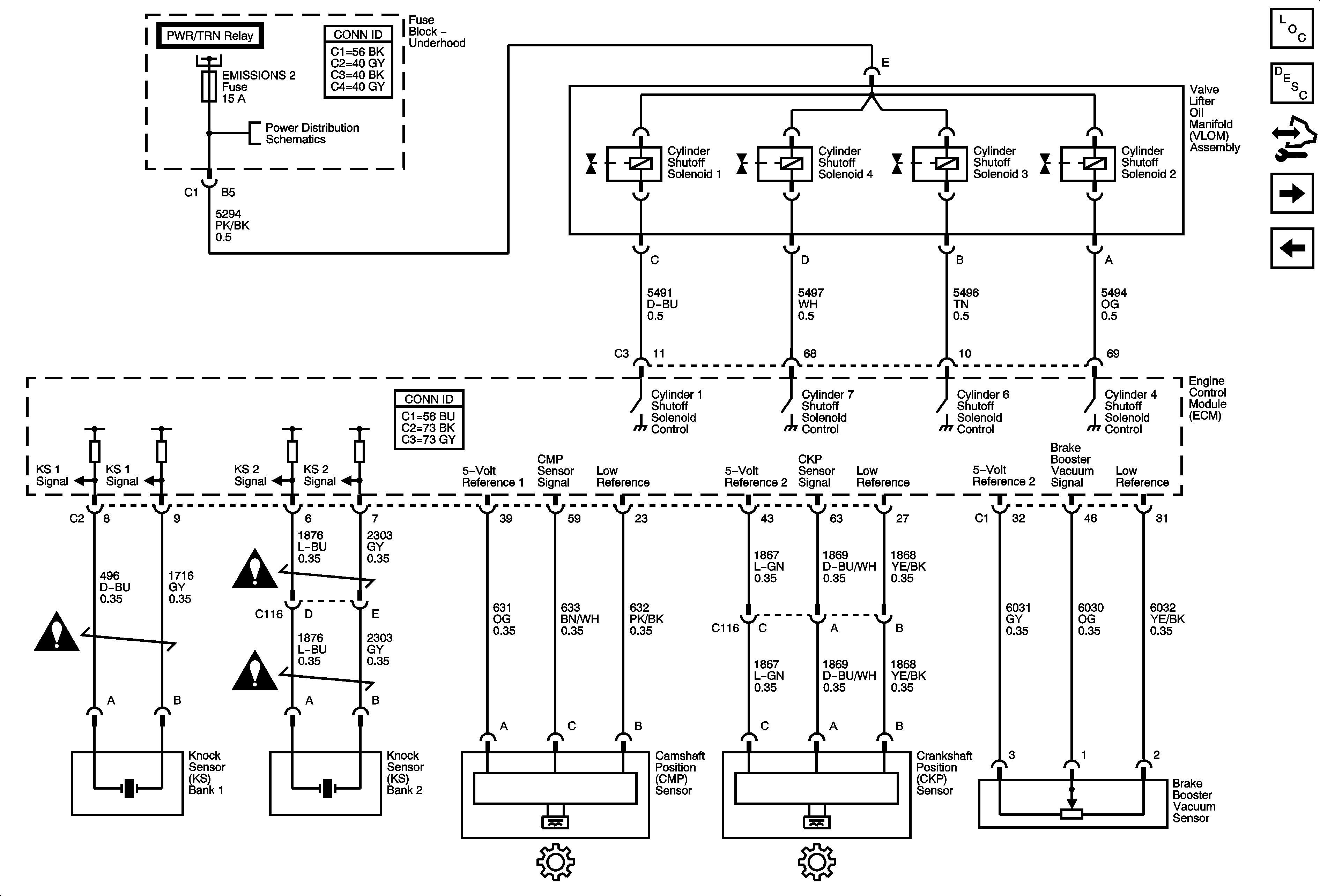
🢒 Ignition Controls Knock, CMP, CKP, Brake Booster Vacuum Sensor, and Valve Lifter Oil Manifold Assembly
Ignition Controls Knock, CMP, CKP, Brake Booster Vacuum Sensor, and Valve Lifter Oil Manifold Assembly
Ignition Controls Knock, CMP, CKP, Brake Booster Vacuum Sensors, and Valve Lifter Oil Manifold Assembly
Master Electrical Component List
Cylinder Deactivation (Active Fuel Management) System Description
Control Module References
Fuel Pump Controls
Ignition Controls Bank 2 (Even) Ignition Coils
ECM Power, Ground, MIL, and Serial Data
EMISSIONS 1, EMISSIONS 2, A/C CMPRSR Fuses, A/C CMPRSR, FAN 1, FAN 2, and FAN 3 Relays
Engine Controls Schematic Icons
Engine Controls Schematic Icons
Engine Controls Schematic Icons