GM Service Manual Online
For 1990-2009 cars only
Figure 1:

ABS Pump Motor, BPMV, Solenoid Valves, and Stoplamp Switch


Object Number: 688174  Size: FS
Master Electrical Component List
ABS Description and Operation
ABS Indicator Control, ABS Warning Indicator, and BPMV
Cruise Control Module, Shift Lock Control Module, and Stoplamp Switch
Cruise Control Module, Shift Lock Control Module, and Stoplamp Switch
ECU-IG, TURN, and WIP Fuse
SP 254 and SP261
G100, G101, G102, G103, and G104
ABS, ALT, AMI, DEF, DYL, ECU-B, HTR, OBD, POWER and STOP Fuses
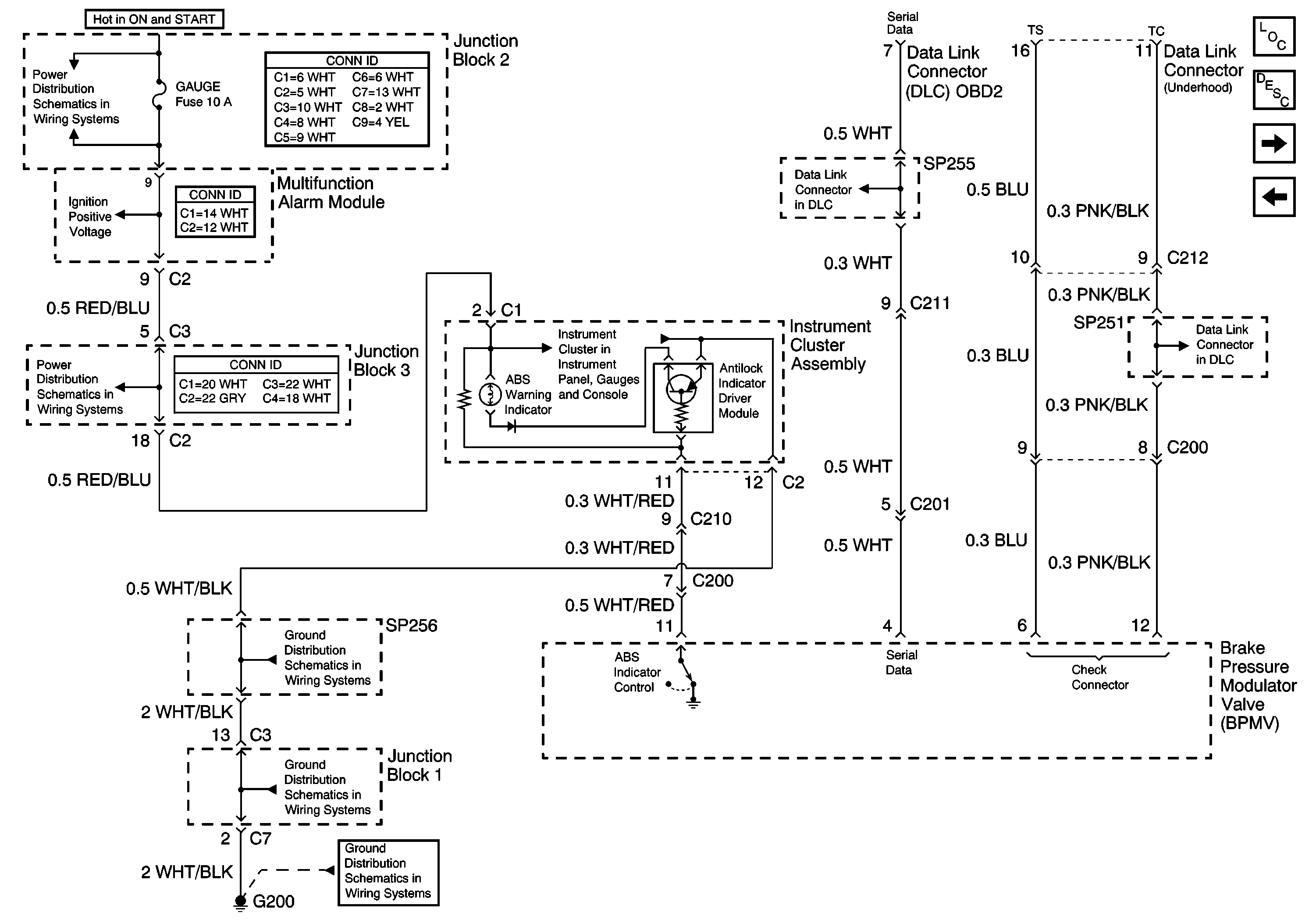
Figure 2:

ABS Indicator Control, ABS Warning Indicator, and BPMV


Object Number: 688176  Size: FS
Master Electrical Component List
ABS Description and Operation
Wheel Speed Sensors
ABS Pump Motor, BPMV, Solenoid Valves, and Stoplamp Switch
Data Link Connector (DLC) Underhood
Data Link Connector (DLC) OBD2
Instrument Cluster Assembly
G200, G203, SP250, and SP650
G204, Junction Block 1, and SP256
G204, Junction Block 1, and SP256
Gauge Fuse
Gauge Fuse
ECU-IG, TURN, and WIP Fuse
Figure 3:

Wheel Speed Sensors


Object Number: 688181  Size: FS
Master Electrical Component List
ABS Description and Operation
ABS Indicator Control, ABS Warning Indicator, and BPMV