GM Service Manual Online
For 1990-2009 cars only
Figure 1:

ECM B, ECM I, CLSTR Fuses, and PCM Ground


Object Number: 538556  Size: FS
Engine Controls Components
Powertrain Control Module Description
MIL, Generator, and Fuel Composition Sensor
OBD II Symbol Description Notice
ECM B Fuse and Horn, Rear Defogger Relays
Power and Grounding Connector End Views
ECM I Fuse
MIL, Generator, and Fuel Composition Sensor
Power
Automatic Transmission Valve Controls
Powertrain Control Module Connector End Views
Handling ESD Sensitive Parts Notice
G103 and G105 (2.2L)
Vehicle Speed Sensor (VSS) Signal
Figure 2:

MIL, Generator, and Fuel Composition Sensor


Object Number: 614811  Size: FS
Engine Controls Components
Powertrain Control Module Description
Data Link Connector (DLC)
ECM B, ECM I, CLSTR Fuses, and PCM Ground
OBD II Symbol Description Notice
Power and Ground
AUX PWR, RDO BATT and HDLP SW Fuses
PCM/VCM, Data Link Connector (DLC), Engine Oil Pressure Gauge Sensor
Handling ESD Sensitive Parts Notice
ECM B, ECM I, CLSTR Fuses, and PCM Ground
Powertrain Control Module Connector End Views
Handling ESD Sensitive Parts Notice
Figure 3:

Data Link Connector (DLC)


Object Number: 538530  Size: FS
Engine Controls Components
Serial Data Communications
Ignition Controls
MIL, Generator, and Fuel Composition Sensor
OBD II Symbol Description Notice
INT BATT Fuse
Except Envoy
G200, G201 and G207 (Pickup)
G103 and G105 (2.2L)
Power and Grounding Connector End Views
G103 and G105 (2.2L)
G103 and G105 (2.2L)
Power, Ground, Transfer Case Shift Control Module and Vehicle Interface Unit (VIU)
Powertrain Control Module Connector End Views
Handling ESD Sensitive Parts Notice
Body Control System Connector End Views
Handling ESD Sensitive Parts Notice
SP201 (2.2L)
Figure 4:

Ignition Controls


Object Number: 538534  Size: FS
Engine Controls Components
Electronic Ignition (EI) System Description
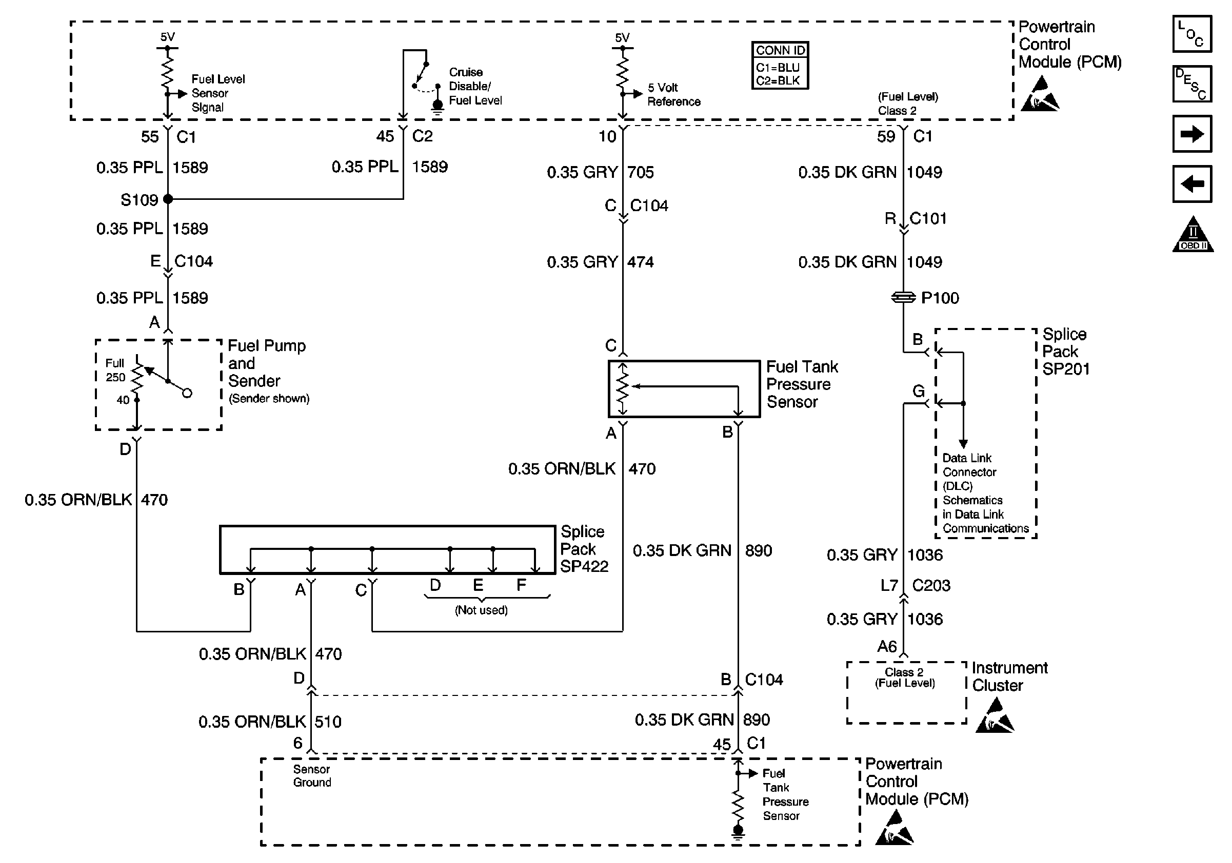
Fuel Level and Fuel Tank Pressure Sensors
Data Link Connector (DLC)
OBD II Symbol Description Notice
ECM I Fuse
Power and Grounding Connector End Views
Handling ESD Sensitive Parts Notice
Powertrain Control Module Connector End Views
Handling ESD Sensitive Parts Notice
G103 and G105 (2.2L)
Engine Controls Connector End Views
Handling ESD Sensitive Parts Notice
Figure 5:

Fuel Level and Fuel Tank Pressure Sensors


Object Number: 568992  Size: FS
Engine Controls Components
Fuel Supply Component Description
Fuel Injectors and Fuel Pump
Ignition Controls
OBD II Symbol Description Notice
Powertrain Control Module Connector End Views
Handling ESD Sensitive Parts Notice
SP201 (2.2L)
Handling ESD Sensitive Parts Notice
Handling ESD Sensitive Parts Notice
Figure 6:

Fuel Injectors and Fuel Pump


Object Number: 538549  Size: FS
Engine Controls Components
Fuel Metering System Component Description
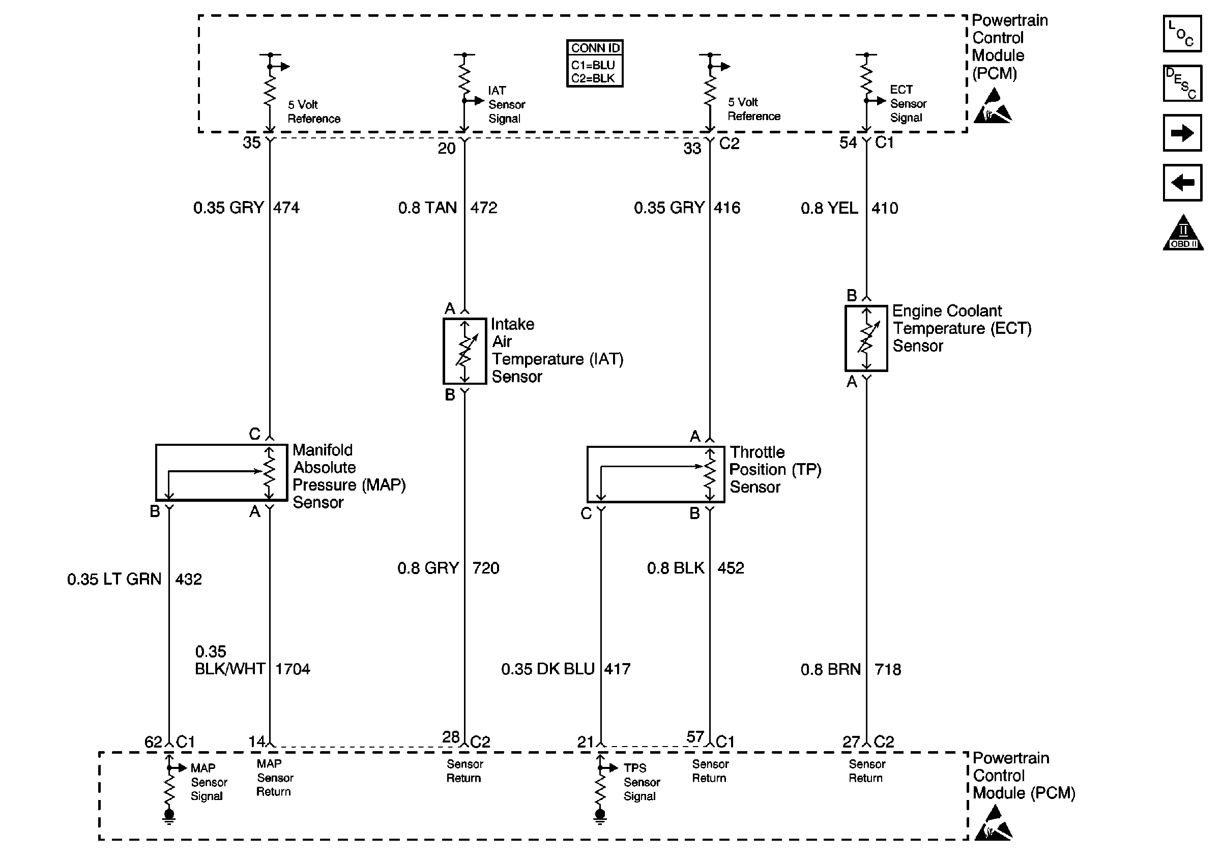
MAP, IAT, TPS, and ECT Sensors
Fuel Level and Fuel Tank Pressure Sensors
OBD II Symbol Description Notice
Powertrain Control Module Connector End Views
Handling ESD Sensitive Parts Notice
ECM I Fuse
Power and Grounding Connector End Views
ECM B Fuse and Horn, Rear Defogger Relays
G102 (Except Export)
Oxygen Sensors
Handling ESD Sensitive Parts Notice
Figure 7:

MAP, IAT, TPS, and ECT Sensors


Object Number: 538559  Size: FS
Engine Controls Components
Information Sensors/Switches Description
Oxygen Sensors
Fuel Injectors and Fuel Pump
OBD II Symbol Description Notice
Powertrain Control Module Connector End Views
Handling ESD Sensitive Parts Notice
Handling ESD Sensitive Parts Notice
Figure 8:

Oxygen Sensors


Object Number: 614810  Size: FS
Engine Controls Components
Information Sensors/Switches Description
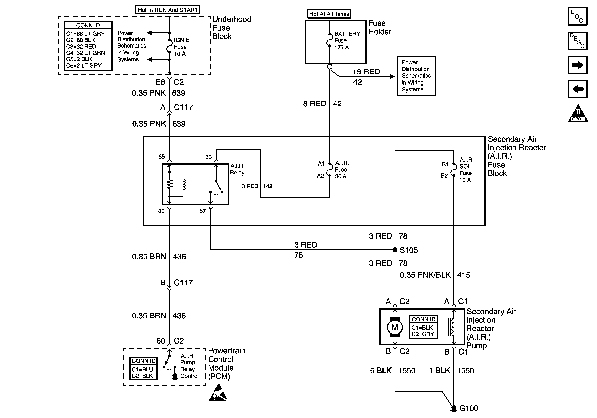
Secondary A.I.R. Pump Control
MAP, IAT, TPS, and ECT Sensors
OBD II Symbol Description Notice
Ign RUN and START Bus Bar
Power and Grounding Connector End Views
Powertrain Control Module Connector End Views
Handling ESD Sensitive Parts Notice
G102 (Except Export)
Figure 9:

Secondary A.I.R. Pump Control


Object Number: 538569  Size: FS
Engine Controls Components
Powertrain Control Module Description
Vehicle Speed Sensor (VSS) Signal
Oxygen Sensors
OBD II Symbol Description Notice
Power and Grounding Connector End Views
Ign RUN and START Bus Bar
B+ Bus Bar
Powertrain Control Module Connector End Views
Handling ESD Sensitive Parts Notice
Engine Controls Connector End Views
Figure 10:

Vehicle Speed Sensor (VSS) Signal


Object Number: 538573  Size: FS
Engine Controls Components
Information Sensors/Switches Description
IAC, EVAP Valve Controls, and Stop Lamp Switch Input w/ A/T
Secondary A.I.R. Pump Control
OBD II Symbol Description Notice
Antilock Brake System Connector End Views
Handling ESD Sensitive Parts Notice
Handling ESD Sensitive Parts Notice
Handling ESD Sensitive Parts Notice
Entertainment Connector End Views
Handling ESD Sensitive Parts Notice
Body Control System Connector End Views
Handling ESD Sensitive Parts Notice
Powertrain Control Module Connector End Views
Handling ESD Sensitive Parts Notice
G103 and G105 (2.2L)
Figure 11:

IAC, EVAP Valve Controls, and Stop Lamp Switch Input w/ A/T


Object Number: 538582  Size: FS
Engine Controls Components
Evaporative Emission Control System Operation Description
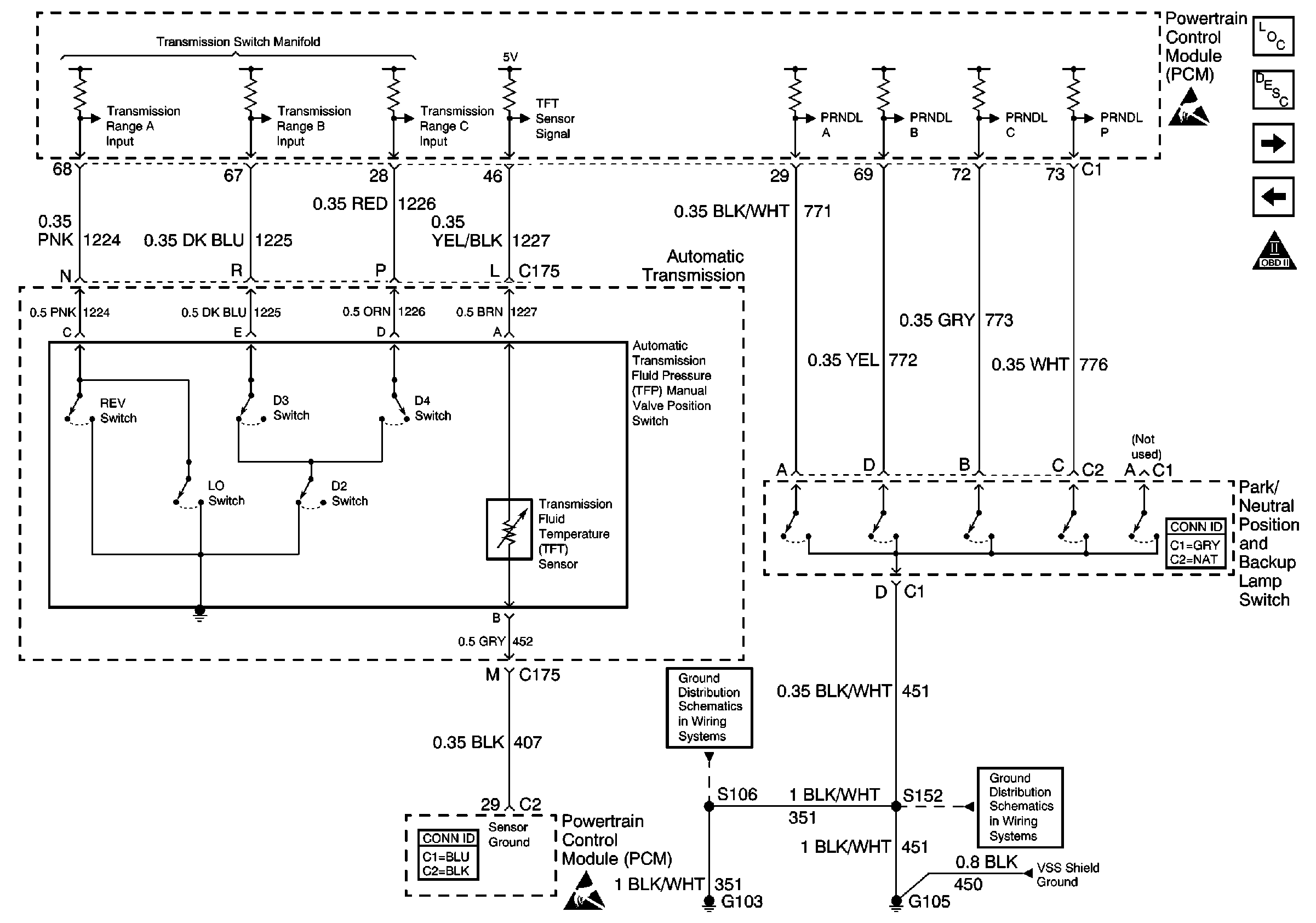
Automatic Transmission Valve Controls
Vehicle Speed Sensor (VSS) Signal
OBD II Symbol Description Notice
Power and Grounding Connector End Views
Ign RUN and START Bus Bar
Handling ESD Sensitive Parts Notice
Power and Ground (325 ABS)
Clutch Pedal Position Switch and Stoplamp Switch
Powertrain Control Module Connector End Views
Power and Ground (325 ABS)
Handling ESD Sensitive Parts Notice
Figure 12:

Automatic Transmission Valve Controls


Object Number: 538588  Size: FS
Engine Controls Components
Powertrain Control Module Description
Automatic Transmission and PNP Switch Inputs
IAC, EVAP Valve Controls, and Stop Lamp Switch Input w/ A/T
OBD II Symbol Description Notice
Power
ECM B, ECM I, CLSTR Fuses, and PCM Ground
Powertrain Control Module Connector End Views
Handling ESD Sensitive Parts Notice
Figure 13:

Automatic Transmission and PNP Switch Inputs


Object Number: 538590  Size: FS
Engine Controls Components
Powertrain Control Module Description
A/C Compressor Controls
Automatic Transmission Valve Controls
OBD II Symbol Description Notice
Handling ESD Sensitive Parts Notice
Powertrain Control Module Connector End Views
Handling ESD Sensitive Parts Notice
G103 and G105 (2.2L)
G103 and G105 (2.2L)
Vehicle Speed Sensor (VSS) Signal
Figure 14:

A/C Compressor Controls


Object Number: 538592  Size: FS
Engine Controls Components
Powertrain Control Module Controlled Air Conditioning Description
Automatic Transmission and PNP Switch Inputs
OBD II Symbol Description Notice
B+ Bus Bar
Power and Grounding Connector End Views
IGN E Fuse and A/C Compressor, Rear Defogger, DRL Relays
Ign ACC, RUN and RAP Bus Bar
RPO C42
HVAC Connector End Views
G102 (Except Export)
Oxygen Sensors
Powertrain Control Module Connector End Views
Handling ESD Sensitive Parts Notice