GM Service Manual Online
For 1990-2009 cars only
Figure 1:

Headlamp Switch


Object Number: 669474  Size: FS
Master Electrical Component List
Interior Lighting Systems Description and Operation
CTSY LP Fuse and Courtesy Lamp Relay
AUX PWR, RDO BATT and HDLP SW Fuses
Headlamp Grounding Relay and BCM (Except Envoy)
B+ Bus Bar
Headlamp Switch and BCM (Envoy/Diamond Edition 1SK)
Headlamp Switch, Ambient Light Sensor and BCM
Headlamp Switch, Ambient Light Sensor and BCM
Front
G203 and G204 (Pickup)
G203 and G204 (Pickup)
Park/Turn Signal Lamps, Marker and License Lamps, Rear(Pickup)
Headlamp Switch
Figure 2:

CTSY LP Fuse and Courtesy Lamp Relay


Object Number: 669477  Size: FS
Master Electrical Component List
Interior Lighting Systems Description and Operation
Front Door Jamb and Door Handle Switches
Headlamp Switch
INT BATT Fuse
Power and Ground
G200, G201 and G207 (Pickup and Crew Cab)
Inadvertent Power Relay
G200, G201 and G207 (Pickup and Crew Cab)
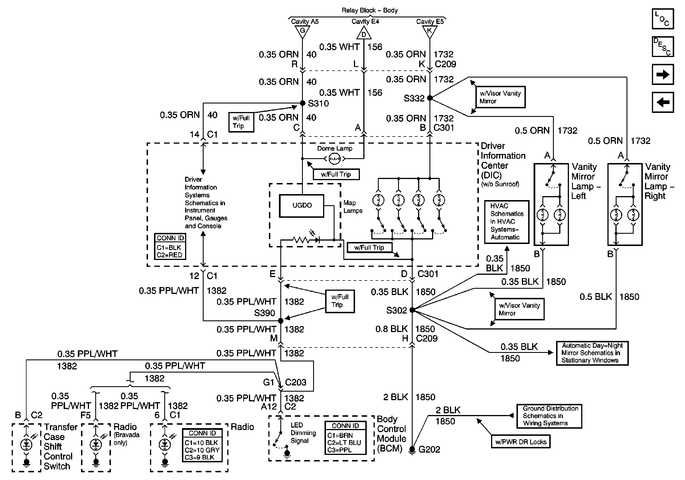
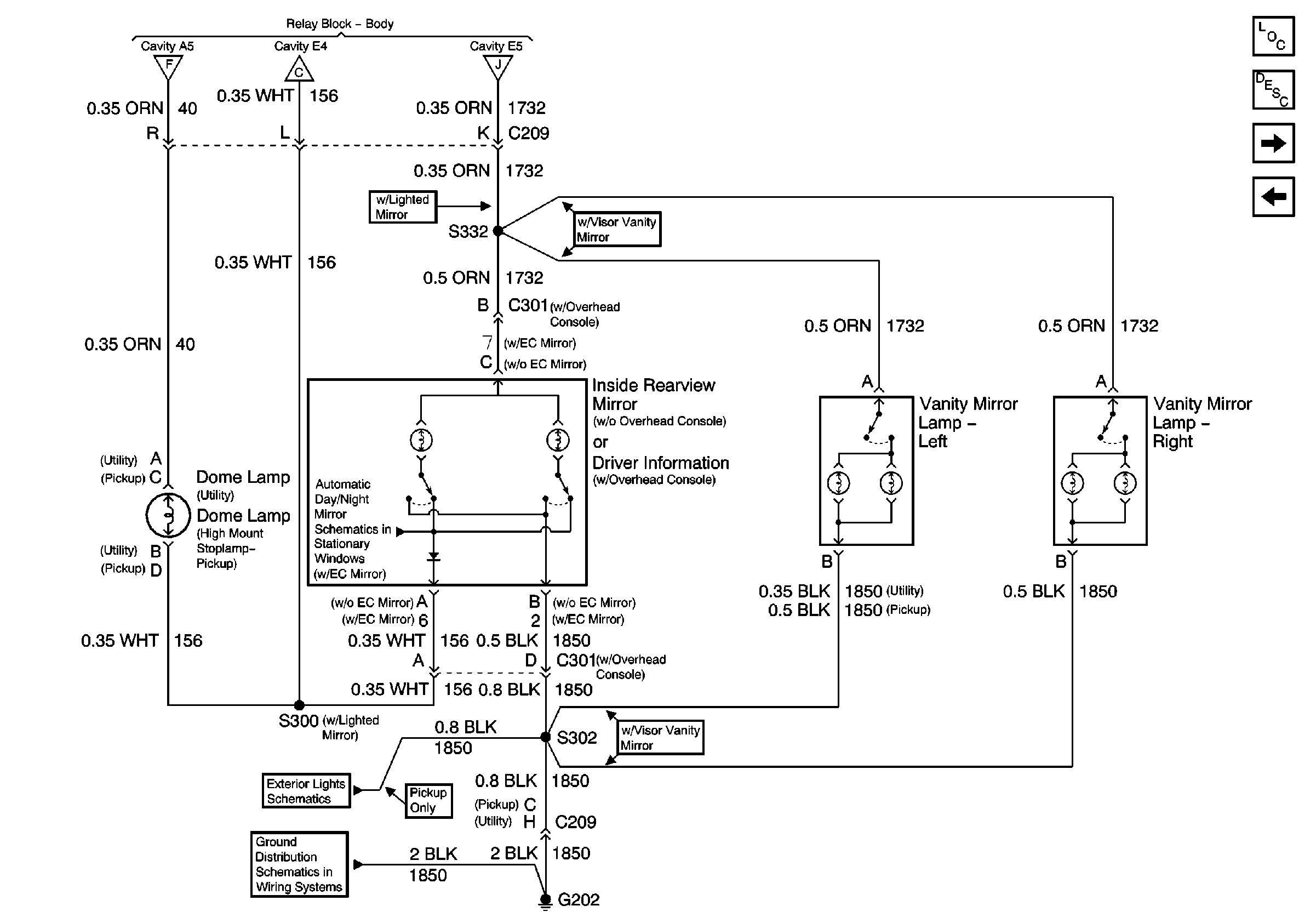
Inside Rear View Mirror or Driver Information Center
Driver Information Center (Utility w/o Sunroof)
Driver Information Display Module (Utility w/ Sunroof)
Inside Rear View Mirror or Driver Information Center
Driver Information Center (Utility w/o Sunroof)
Driver Information Display Module (Utility w/ Sunroof)
Figure 3:

Front Door Jamb and Door Handle Switches


Object Number: 669478  Size: FS
Master Electrical Component List
Interior Lighting Systems Description and Operation
Rear Door Jamb and Liftglass Ajar Jamb Switches
CTSY LP Fuse and Courtesy Lamp Relay
G203 and G204 (Envoy)
G203 and G204 (Envoy)
Headlight Leveling Schematics (Export)
G200, G201 and G207 (Envoy)
G200, G201 and G207 (Envoy)
Rear Door Jamb and Liftglass Ajar Jamb Switches
G204 and G205 (Envoy)
G202 (Utility and Crew Cab)
G202 (Utility and Crew Cab)
Instrument Cluster Turn Signal Indicators
G204 and G205 (Envoy)
Figure 4:

Rear Door Jamb and Liftglass Ajar Jamb Switches


Object Number: 669482  Size: FS
Master Electrical Component List
Interior Lighting Systems Description and Operation
Inadvertent Power Relay
Front Door Jamb and Door Handle Switches
Front Door Jamb and Door Handle Switches
G420 and G450 (Utility w/ Liftgate)
Rear Jamb Switches, Ignition Key Alarm Switch
Figure 5:

Inadvertent Power Relay


Object Number: 669487  Size: FS
Master Electrical Component List
Interior Lighting Systems Description and Operation
Inside Rear View Mirror or Driver Information Center
Rear Door Jamb and Liftglass Ajar Jamb Switches
CTSY LP Fuse and Courtesy Lamp Relay
CTSY LP Fuse and Courtesy Lamp Relay
G203 and G204 (Pickup)
Headlight Leveling Schematics (Export)
Inside Rear View Mirror or Driver Information Center
Driver Information Center (Utility w/o Sunroof)
Driver Information Display Module (Utility w/ Sunroof)
G203 and G204 (Pickup)
Figure 6:

Inside Rear View Mirror or Driver Information Center


Object Number: 669494  Size: FS
Master Electrical Component List
Interior Lighting Systems Description and Operation
Driver Information Center (Utility w/o Sunroof)
Inadvertent Power Relay
CTSY LP Fuse and Courtesy Lamp Relay
CTSY LP Fuse and Courtesy Lamp Relay
Inadvertent Power Relay
Automatic Day-Night Mirror Schematics
Multifunction Switch (Turn Signal Switch) And Turn Signal/Hazard Flasher Module
G202 (Pickup Except Crew Cab)
Figure 7:

Driver Information Center (Utility w/o Sunroof)


Object Number: 669500  Size: FS
Master Electrical Component List
Interior Lighting Systems Description and Operation
Driver Information Display Module (Utility w/ Sunroof)
Inside Rear View Mirror or Driver Information Center
CTSY LP Fuse and Courtesy Lamp Relay
CTSY LP Fuse and Courtesy Lamp Relay
Inadvertent Power Relay
w/o Trip Computer
G202 (Pickup Except Crew Cab)
Figure 8:

Driver Information Display Module (Utility w/ Sunroof)


Object Number: 669503  Size: FS
Master Electrical Component List
Interior Lighting Systems Description and Operation
Driver Information Center (Utility w/o Sunroof)
CTSY LP Fuse and Courtesy Lamp Relay
CTSY LP Fuse and Courtesy Lamp Relay
Inadvertent Power Relay
w/o Trip Computer
G202 (Utility and Crew Cab)
G202 (Utility and Crew Cab)