GM Service Manual Online
For 1990-2009 cars only
Makes
🢒
Chevrolet
🢒
2002
🢒
S10 Pickup - 2WD
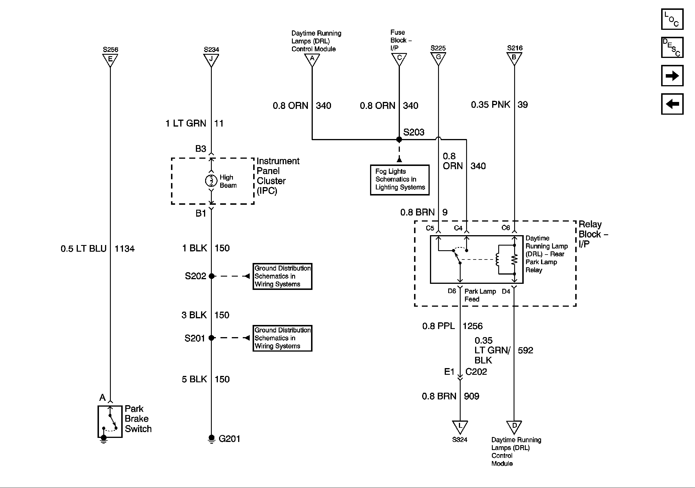
🢒 DRL Rear Park Lamp Relay
DRL Rear Park Lamp Relay
DRL Rear Park Lamp Relay
Master Electrical Component List
Exterior Lighting Systems Description and Operation
Headlamps, Ignition Switch
DRL Control Module, Headlamp Switch
DRL Control Module, Headlamp Switch
DRL Control Module, Headlamp Switch
DRL Control Module, Headlamp Switch
DRL Control Module, Headlamp Switch
DRL Control Module, Headlamp Switch
DRL Control Module, Headlamp Switch
Rear Fog Lamps (Export)
Components through S202 and S205 to G201
G201
Rear Lamps
DRL Control Module, Headlamp Switch