GM Service Manual Online
For 1990-2009 cars only
Makes
🢒
Chevrolet
🢒
2002
🢒
S10 Pickup - 2WD
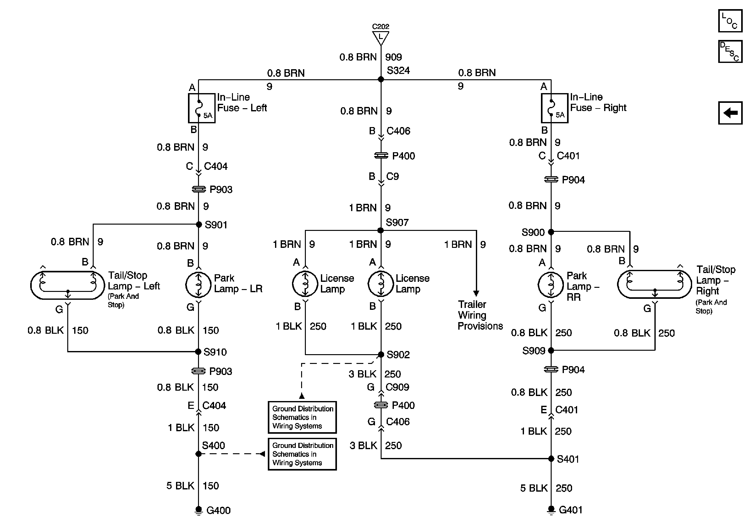
🢒 Rear Lamps
Rear Lamps
Rear Lamps
Master Electrical Component List
Exterior Lighting Systems Description and Operation
Headlamps, Ignition Switch
DRL Rear Park Lamp Relay
G401
G400