GM Service Manual Online
For 1990-2009 cars only
Makes
🢒
Chevrolet
🢒
2002
🢒
S10 Pickup - 2WD
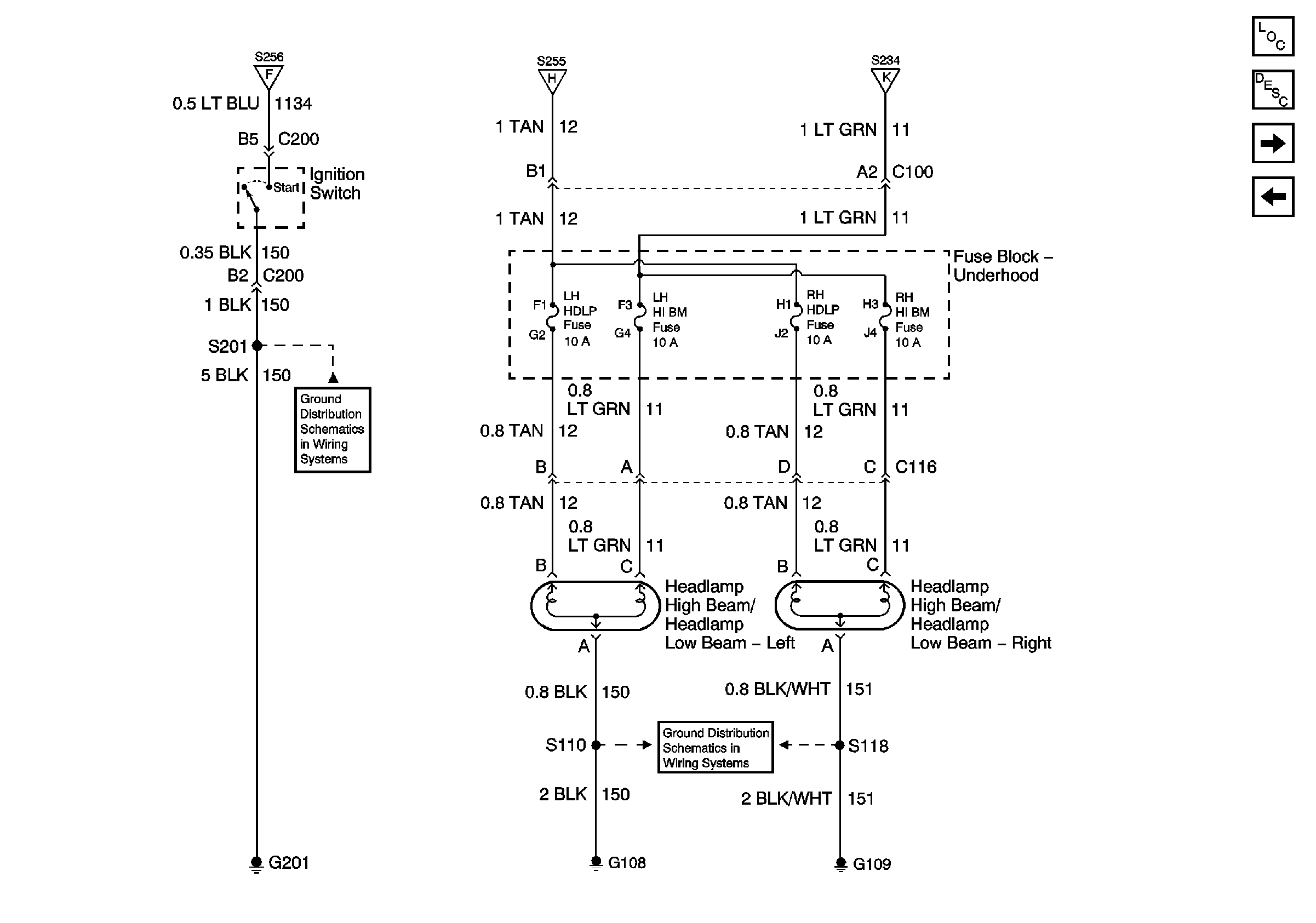
🢒 Headlamps, Ignition Switch
Headlamps, Ignition Switch
Headlamps, Ignition Switch
Master Electrical Component List
Exterior Lighting Systems Description and Operation
Rear Lamps
DRL Rear Park Lamp Relay
DRL Control Module, Headlamp Switch
DRL Control Module, Headlamp Switch
DRL Control Module, Headlamp Switch
G201
G201