GM Service Manual Online
For 1990-2009 cars only
Makes
🢒
Chevrolet
🢒
1999
🢒
S10 Pickup - 4WD
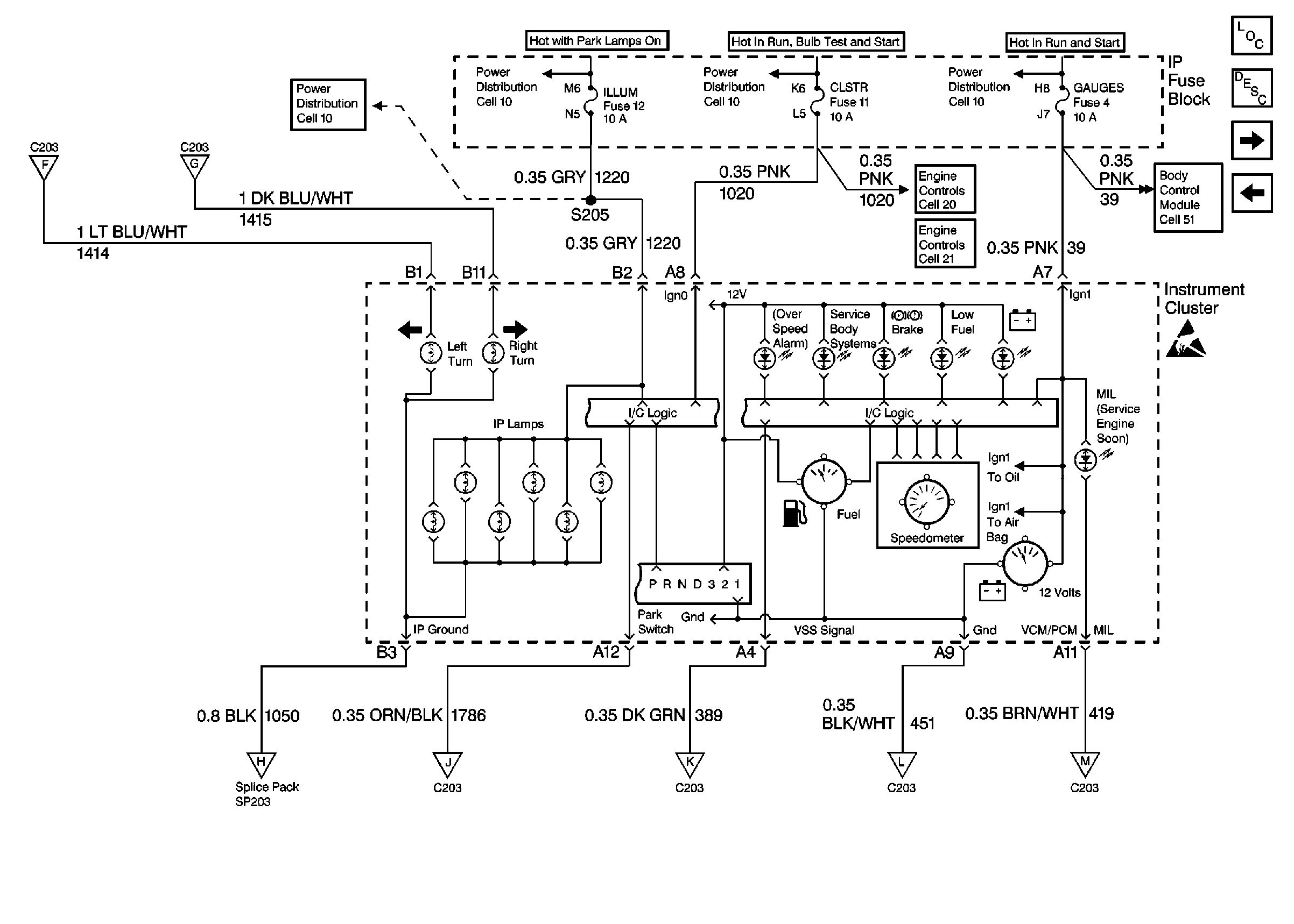
🢒 Cell 81: ILLUM, CLSTR and GAUGES Fuses and Instrument Cluster
Cell 81: ILLUM, CLSTR and GAUGES Fuses and Instrument Cluster
Cell 81: ILLUM, CLSTR and GAUGES Fuses and Instrument Cluster
Cell 81: Multifunction Switch, Rear Window Wiper Cutout and Liftglass Ajar Jamb Switch
Cell 81: Multifunction Switch, Rear Window Wiper Cutout and Liftglass Ajar Jamb Switch
Cell 10: ILLUM Power (Pickup)
Cell 10: ILLUM, PARK LP Fuses
Cell 10: CRANK and CLSTR Fuses
Cell 10: TURN, SIR and GAUGES Fuses
Instrument Cluster Components
Instrument Cluster Circuit Description
Cell 81: G203, G204, Park Switch and PCM/VCM
Cell 81: CRUISE Fuse and Instrument Cluster
Cell 51: Power and Ground
Cell 20: Automatic Transmission Valve Controls
Cell 21: Automatic Transmission Valve Controls
Handling ESD Sensitive Parts Notice
Cell 81: G203, G204, Park Switch and PCM/VCM
Cell 81: G203, G204, Park Switch and PCM/VCM
Cell 81: G203, G204, Park Switch and PCM/VCM
Cell 81: G105 and PCM/VCM
Cell 81: G105 and PCM/VCM