GM Service Manual Online
For 1990-2009 cars only
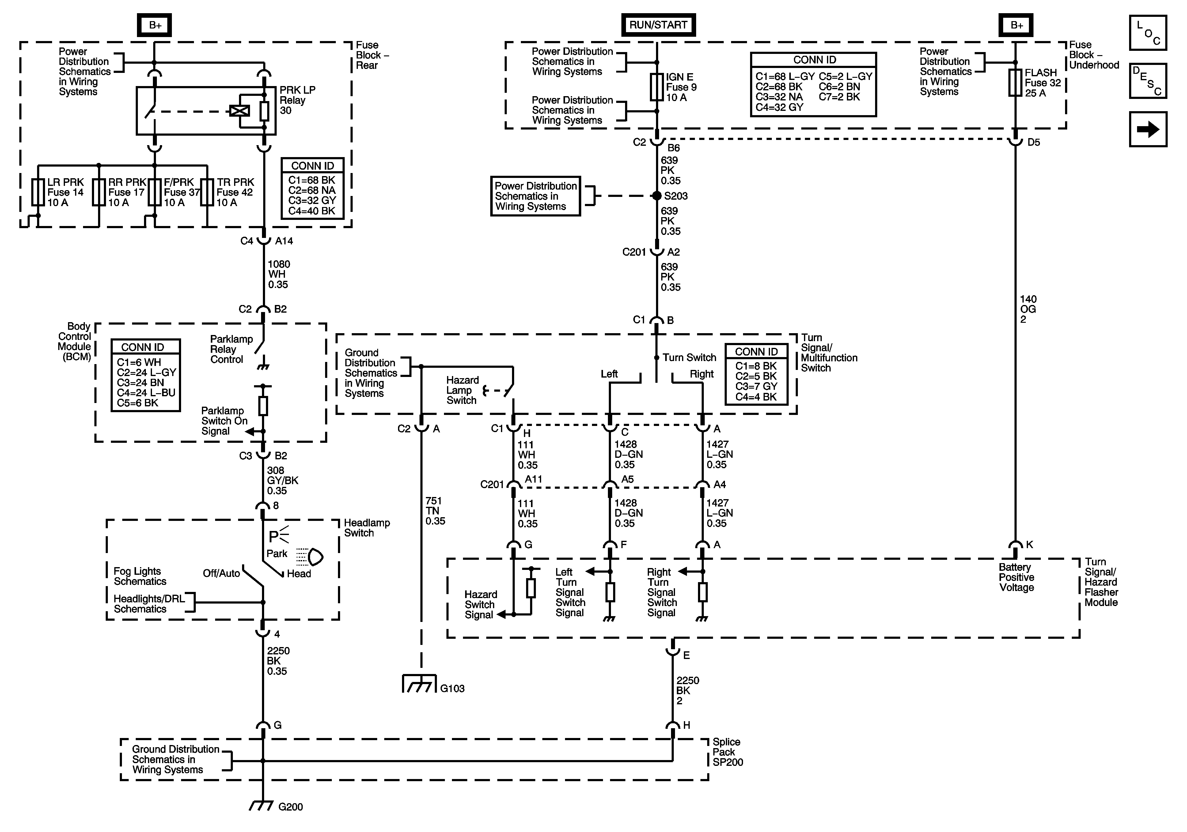
Figure 1:

Park Lamp Control, Turn Signal Inputs and Hazard Switch


Object Number: 1212450  Size: FS
Master Electrical Component List
Exterior Lighting Systems Description and Operation
Turn Signal Lamps
B+ Bus - Fuse Block - Rear
ACCY/RUN and RUN/START BUS BAR
IGN E, TBC IGN 1, BACK UP and BTSI Fuses
IGN E, TBC IGN 1, BACK UP and BTSI Fuses
B+ BUS - Fuse Block Underhood
G103, G104
Headlamp and Headlamp Dimmer Switch Control
Fog Lights Schematics
G200
G103, G104
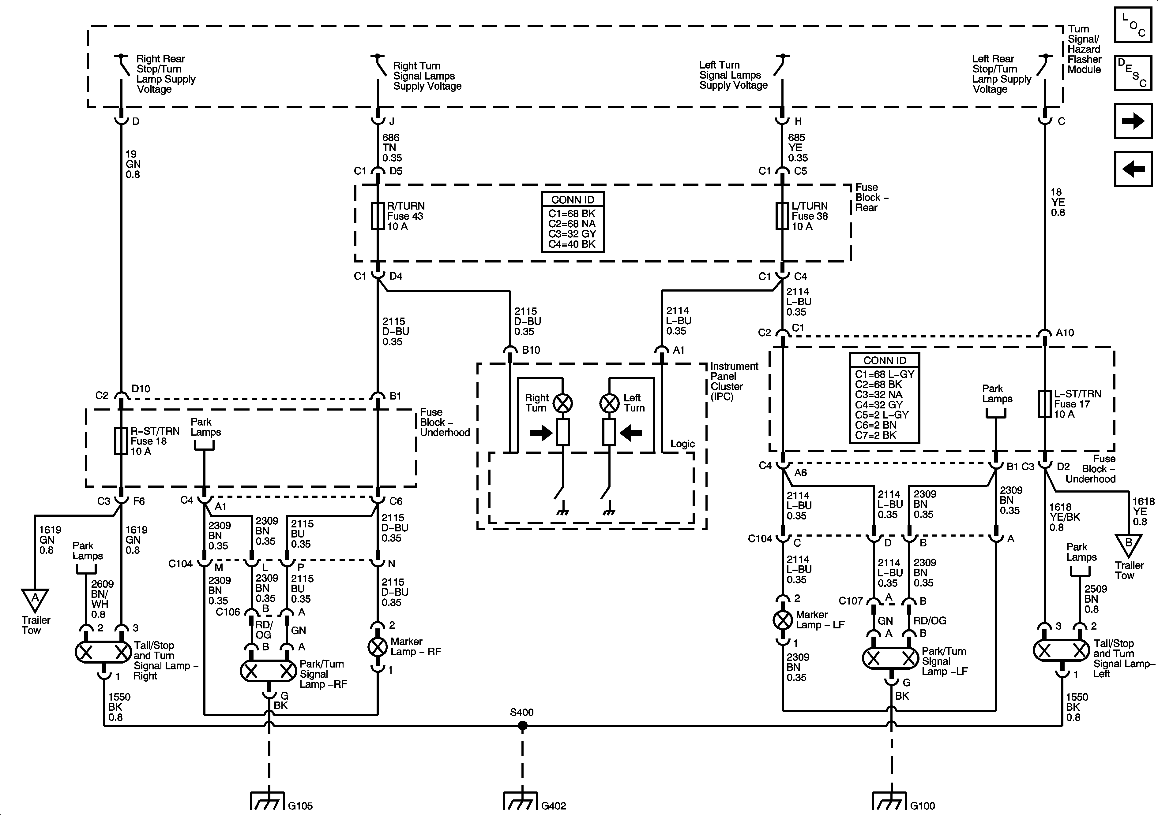
Figure 2:

Turn Signal Lamps


Object Number: 1212454  Size: FS
Master Electrical Component List
Exterior Lighting Systems Description and Operation
Park Lamps
Park Lamp Control, Turn Signal Inputs and Hazard Switch
Trailer Tow
Park Lamps
Park Lamps
Park Lamps
Park Lamps
Trailer Tow
G105
G400, G401, G402, G403, G404, G405
G100, G102
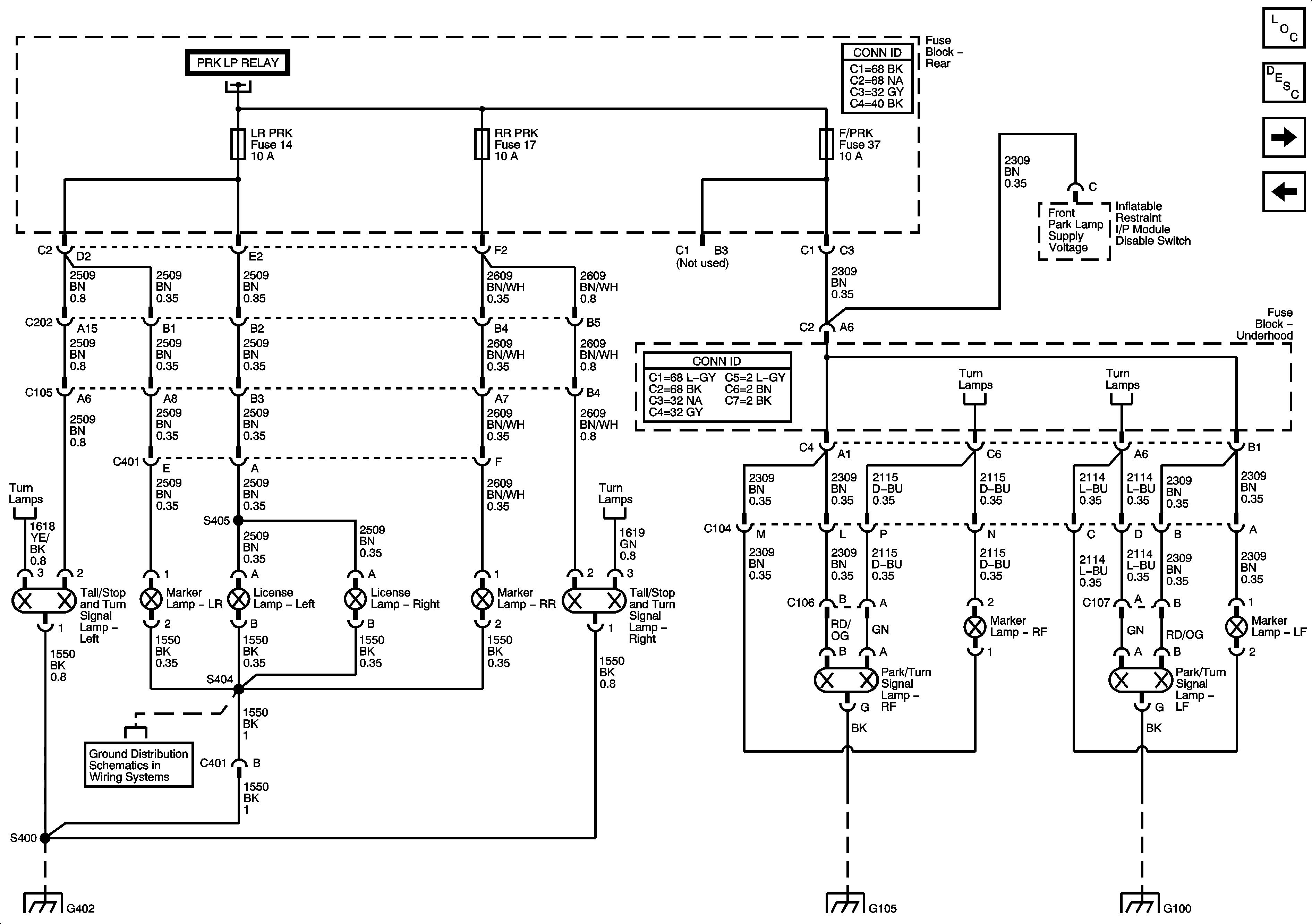
Figure 3:

Park Lamps


Object Number: 1212457  Size: FS
Master Electrical Component List
Exterior Lighting Systems Description and Operation
Stop Lamps
Turn Signal Lamps
LR PRK, RR PRK, F/PRK and TR PRK Fuses, and SEATS Circuit Breaker
Turn Signal Lamps
Turn Signal Lamps
Turn Signal Lamps
Turn Signal Lamps
G400, G401, G402, G403, G404, G405
G400, G401, G402, G403, G404, G405
G105
G400, G401, G402, G403, G404, G405
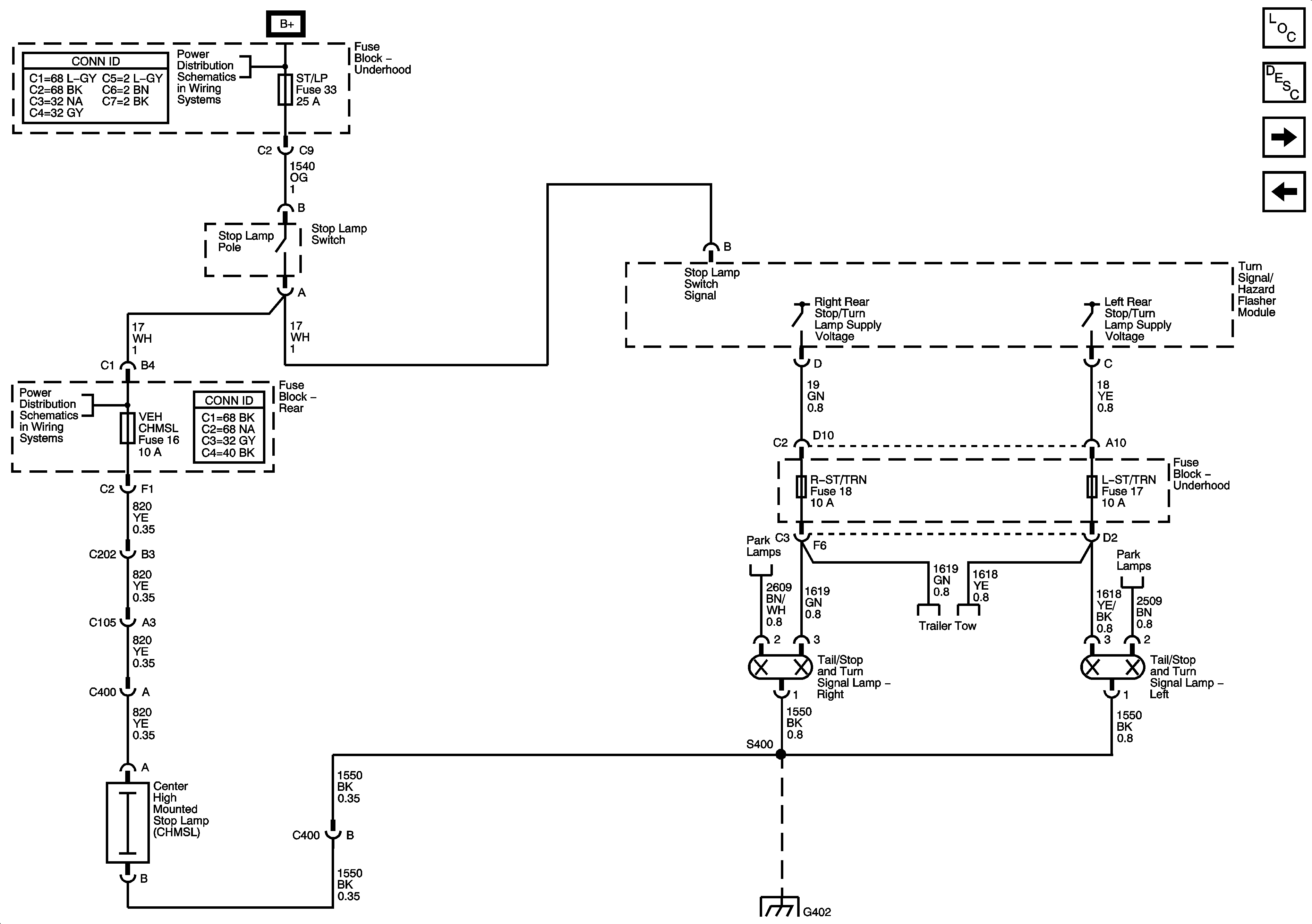
Figure 4:

Stop Lamps


Object Number: 1212459  Size: FS
Master Electrical Component List
Exterior Lighting Systems Description and Operation
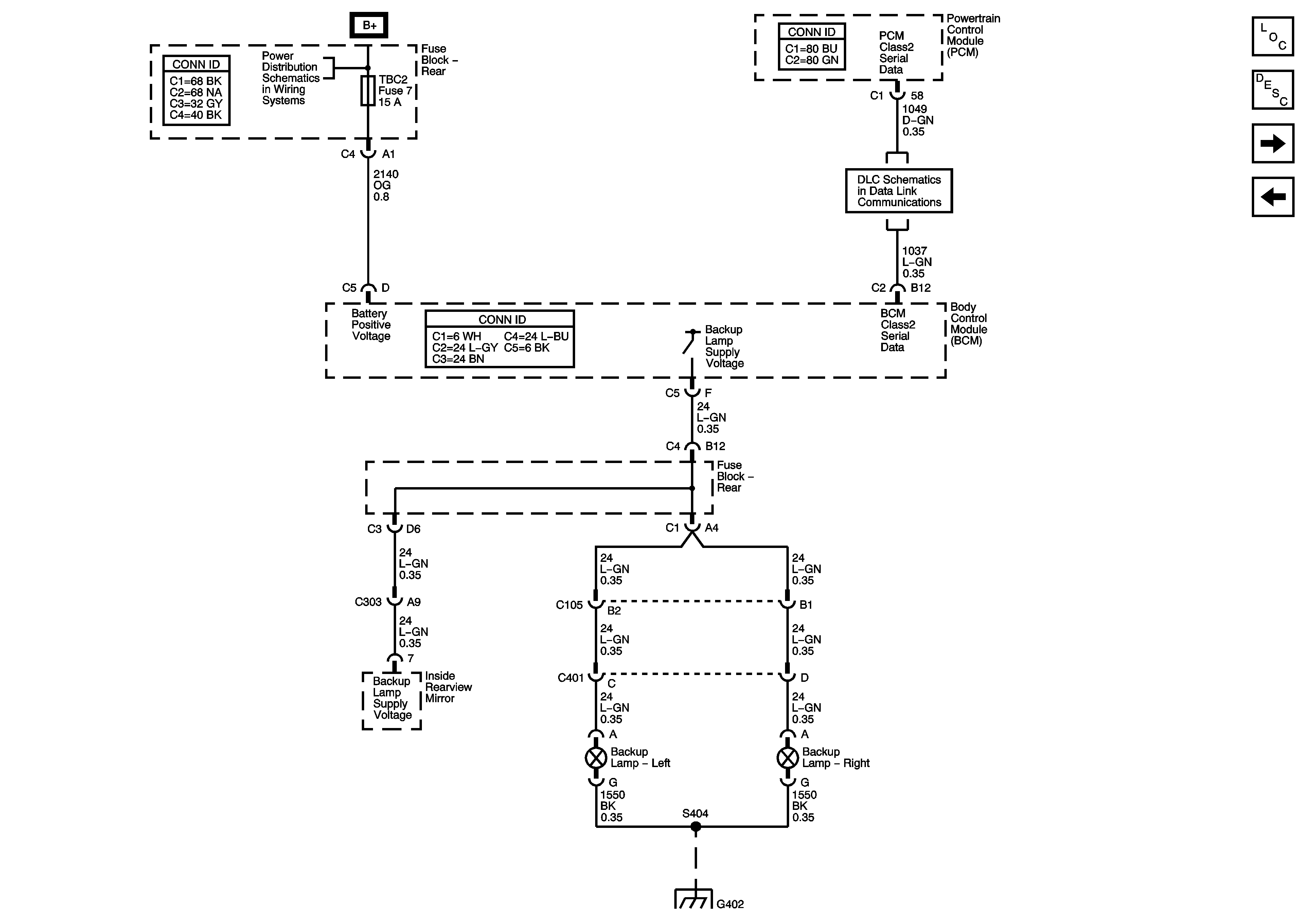
Backup Lamps
Park Lamps
B+ BUS - Fuse Block Underhood
ENG CLN FAN, ABS, BLOWER, CIGAR and ST/LP Fuses
Park Lamps
Trailer Tow
Park Lamps
G400, G401, G402, G403, G404, G405
Figure 5:

Backup Lamps


Object Number: 1212461  Size: FS
Master Electrical Component List
Exterior Lighting Systems Description and Operation
Trailer Tow
Stop Lamps
B+ Bus - Fuse Block - Rear
Data Link Connector (DLC) Schematics
G400, G401, G402, G403, G404, G405
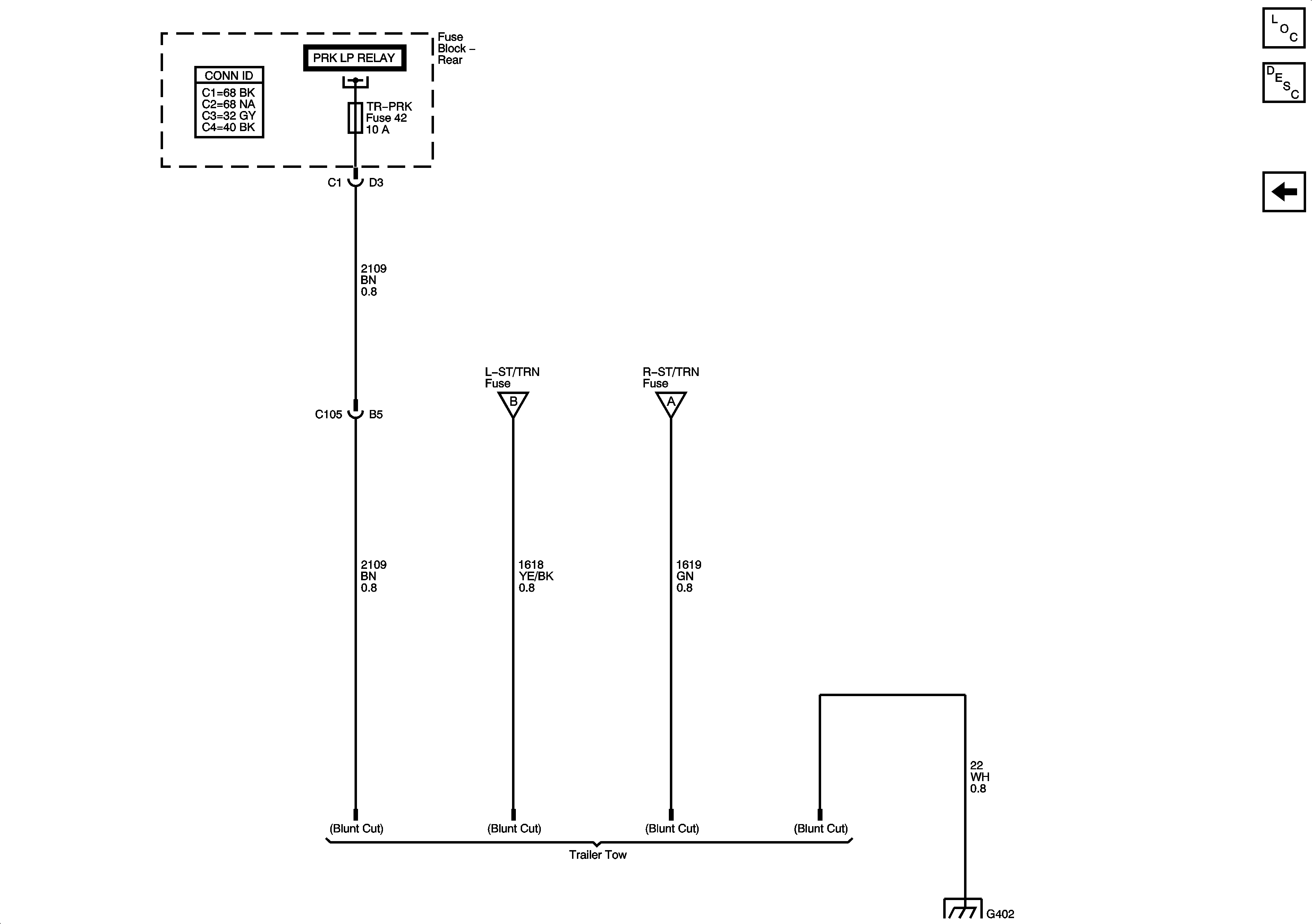
Figure 6:

Trailer Tow


Object Number: 1212463  Size: FS
Master Electrical Component List
Exterior Lighting Systems Description and Operation
Backup Lamps
LR PRK, RR PRK, F/PRK and TR PRK Fuses, and SEATS Circuit Breaker
Turn Signal Lamps
Turn Signal Lamps
G400, G401, G402, G403, G404, G405