GM Service Manual Online
For 1990-2009 cars only
Makes
🢒
Chevrolet
🢒
2005
🢒
SSR
🢒
Body
🢒
Doors
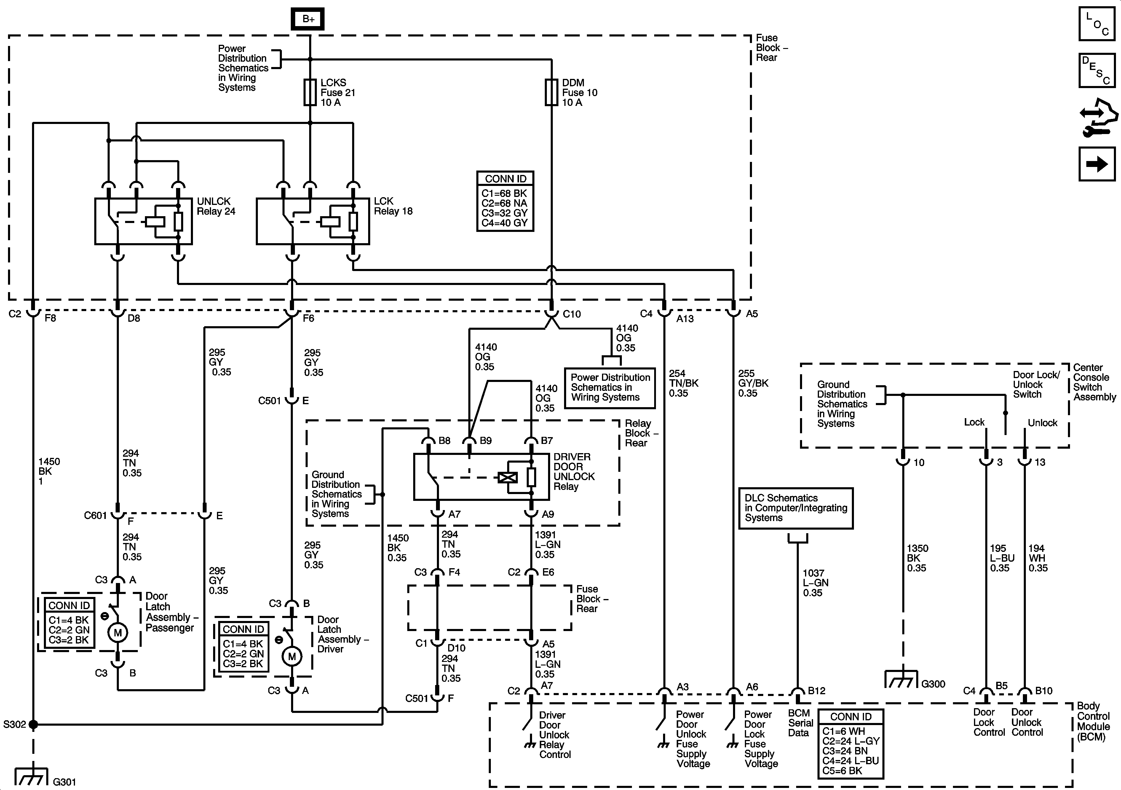
🢒 Door Lock/Indicator Schematics
Figure
1:
Power Door Locks
Master Electrical Component List
Power Door Locks Description and Operation
Control Module References
Door Ajar and Indicator
B+ Bus - Rear Fuse Block
AMP, DDM, RKE Fuses, and ROOF-DOOR MOD, ROOF-PUMP, and SEATSCircuit Breakers
G301, G302
Data Link Connector Schematics
G300
G301, G302
G300
Figure
2:
Door Ajar and Indicator
Master Electrical Component List
Door Ajar Indicator Description and Operation
Control Module References
Power Door Locks
Data Link Connector Schematics
Door Ajar Switches
G300
G301, G302
G300
G301, G302