GM Service Manual Online
For 1990-2009 cars only
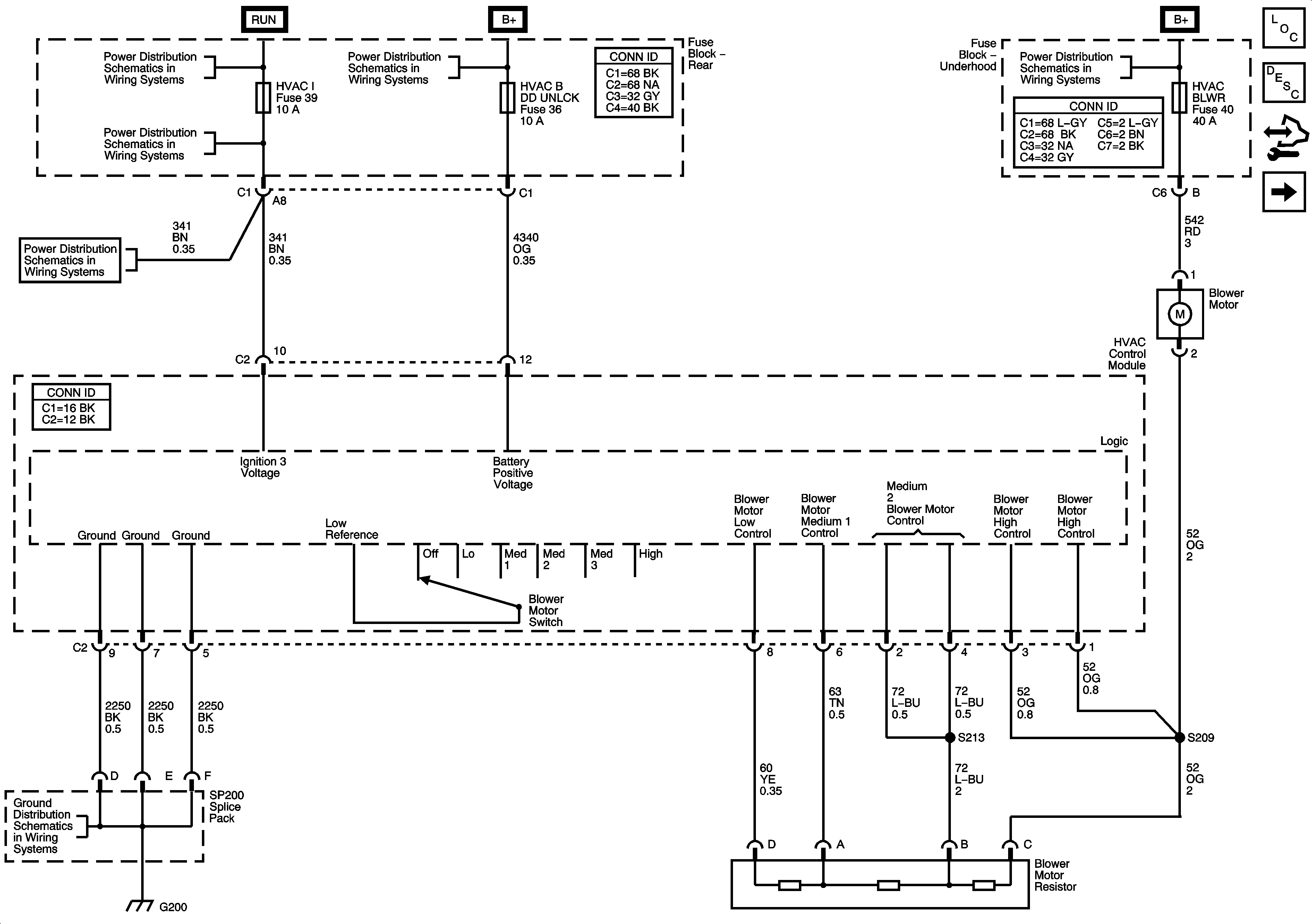
Figure 1:

Blower Motor and Mode Controls


Object Number: 1458530  Size: FS
Master Electrical Component List
Air Delivery Description and Operation
Control Module References
A/C Compressor Control
Ignition Switch - ACCY/RUN/START,RUN and START Bus Bars, CRNK and IGN A Fuses
BRK and HVAC I Fuses
B+ Bus - Rear Fuse Block
B+ Bus Underhood Fuse Block
BRK and HVAC I Fuses
G200
Figure 2:

A/C Compressor Controls


Object Number: 1458531  Size: FS
Master Electrical Component List
Air Temperature Description and Operation
Control Module References
Actuators
BLower Motor and Mode Controls
BCK/UP REV LK OUT, BTSI, and IGN E Fuses
Ignition Switch - ACCY/RUN and RUN/START Bus Bar and IGN B Fuse
B+ Bus Underhood Fuse Block
Data Link Connector Schematics
G100, G102
G200
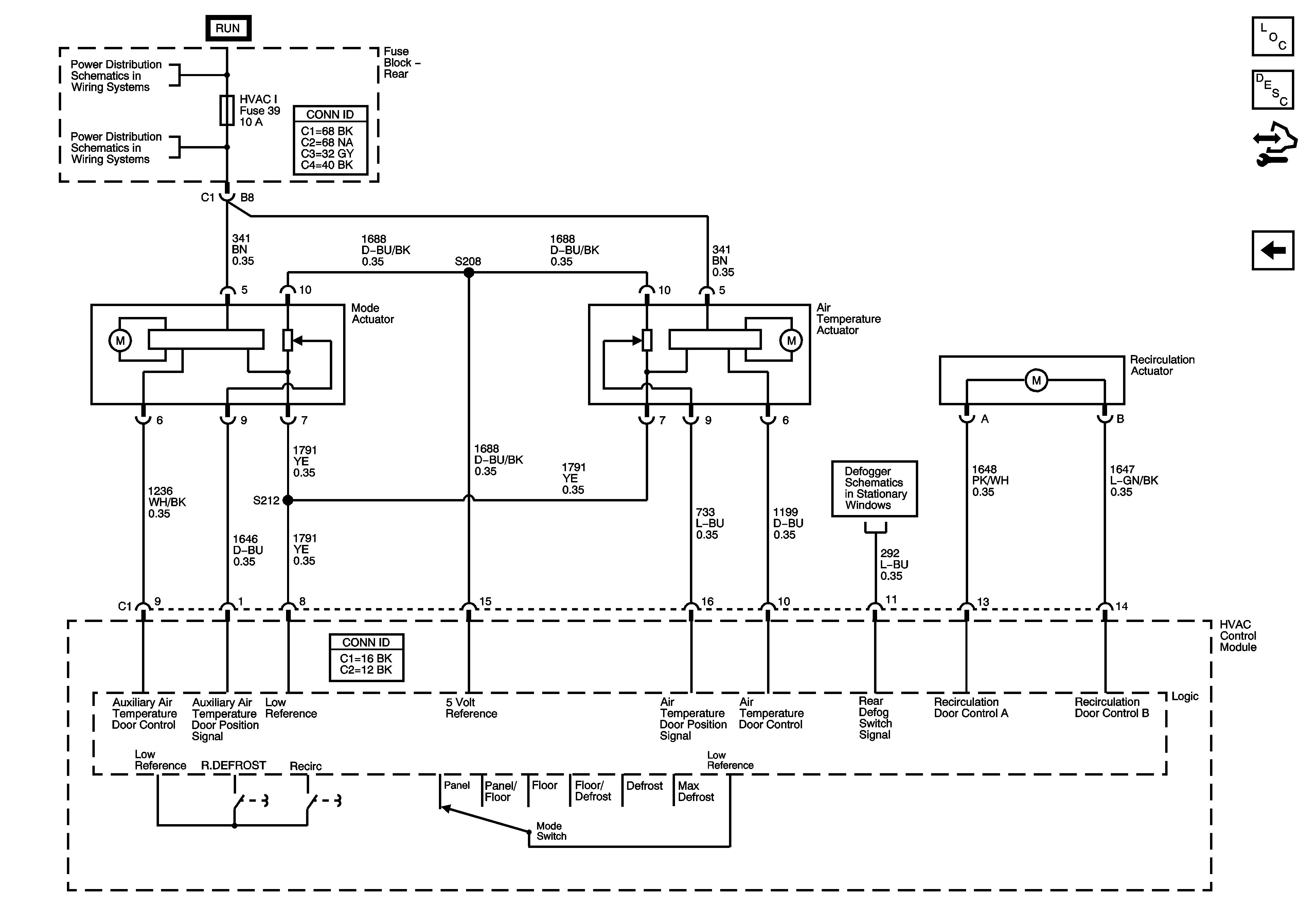
Figure 3:

Actuators


Object Number: 1458532  Size: FS
Master Electrical Component List
Air Temperature Description and Operation
Control Module References
A/C Compressor Control
Ignition Switch - ACCY/RUN/START,RUN and START Bus Bars, CRNK and IGN A Fuses
BRK and HVAC I Fuses
Defogger Schematics