GM Service Manual Online
For 1990-2009 cars only
Makes
🢒
Chevrolet
🢒
2005
🢒
SSR
🢒
Body
🢒
Wiring Systems
🢒 Antilock Brake System Schematics
Figure
1:
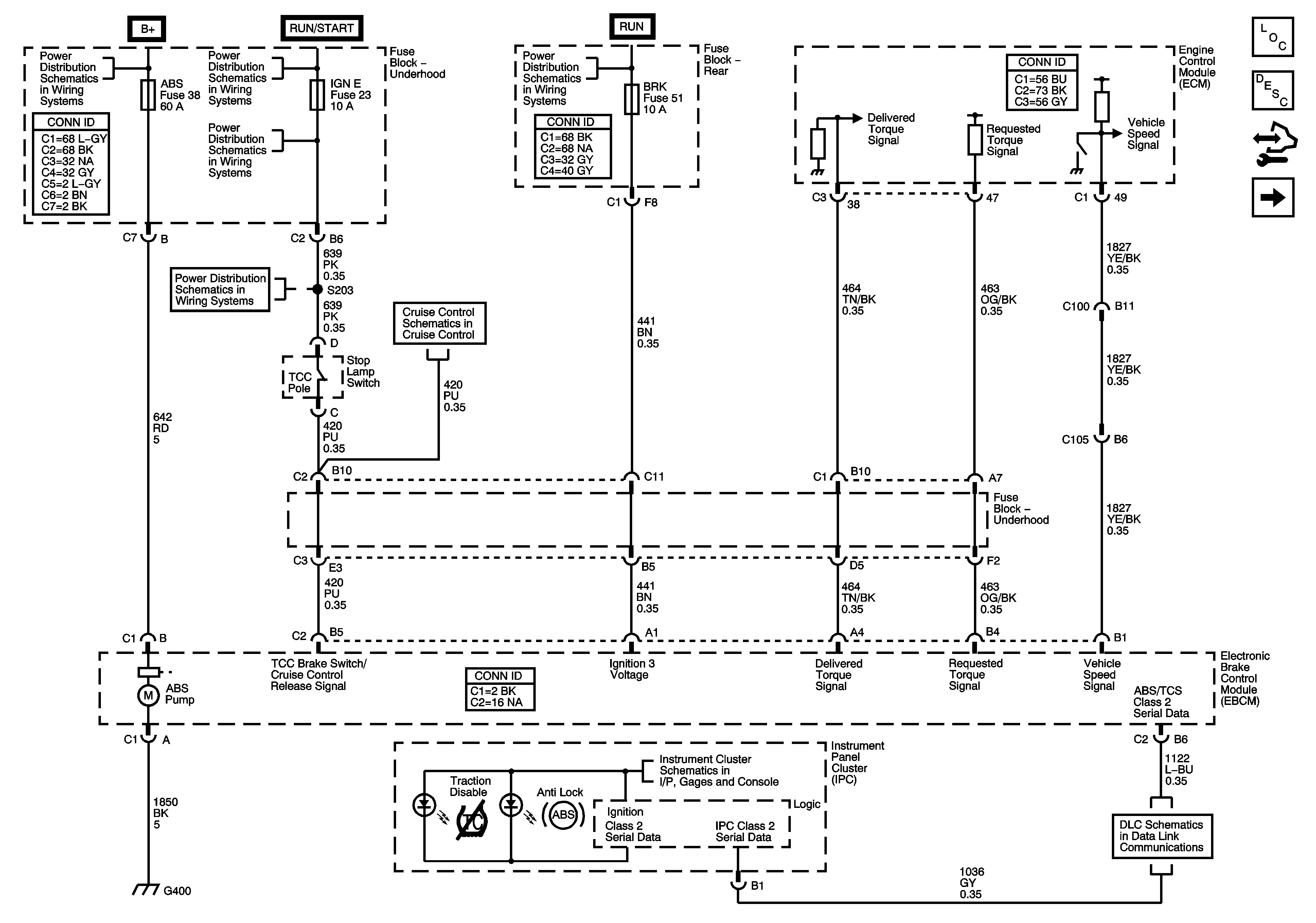
Power, Ground and Electronic Brake Control Module
Master Electrical Component List
ABS Description and Operation
Control Module References
Wheel Speed Sensors and Traction Control
B+ Bus Underhood Fuse Block
Ignition Switch - ACCY/RUN and RUN/START Bus Bar and IGN B Fuse
BCK/UP REV LK OUT, BTSI, and IGN E Fuses
Ignition Switch - ACCY/RUN/START,RUN and START Bus Bars, CRNK and IGN A Fuses
BCK/UP REV LK OUT, BTSI, and IGN E Fuses
Stop Lamp Switch, EBCM and PCM
Data Link Connector Schematics
Figure
2:
Wheel Speed Sensors and Traction Control
Master Electrical Component List
ABS Description and Operation
Control Module References
Power, Ground, and Electronic Brake Control Module
Ignition Switch - ACCY/RUN/START,RUN and START Bus Bars, CRNK and IGN A Fuses
BRK and HVAC I Fuses
Antilock Brake System Schematic Icons
Brake Warning System
G300
G300