GM Service Manual Online
For 1990-2009 cars only
Figure 1:

Power, Ground, Serial Data and Antenna - Base


Object Number: 1458698  Size: FS
Master Electrical Component List
Radio/Audio System Description and Operation
Control Module References
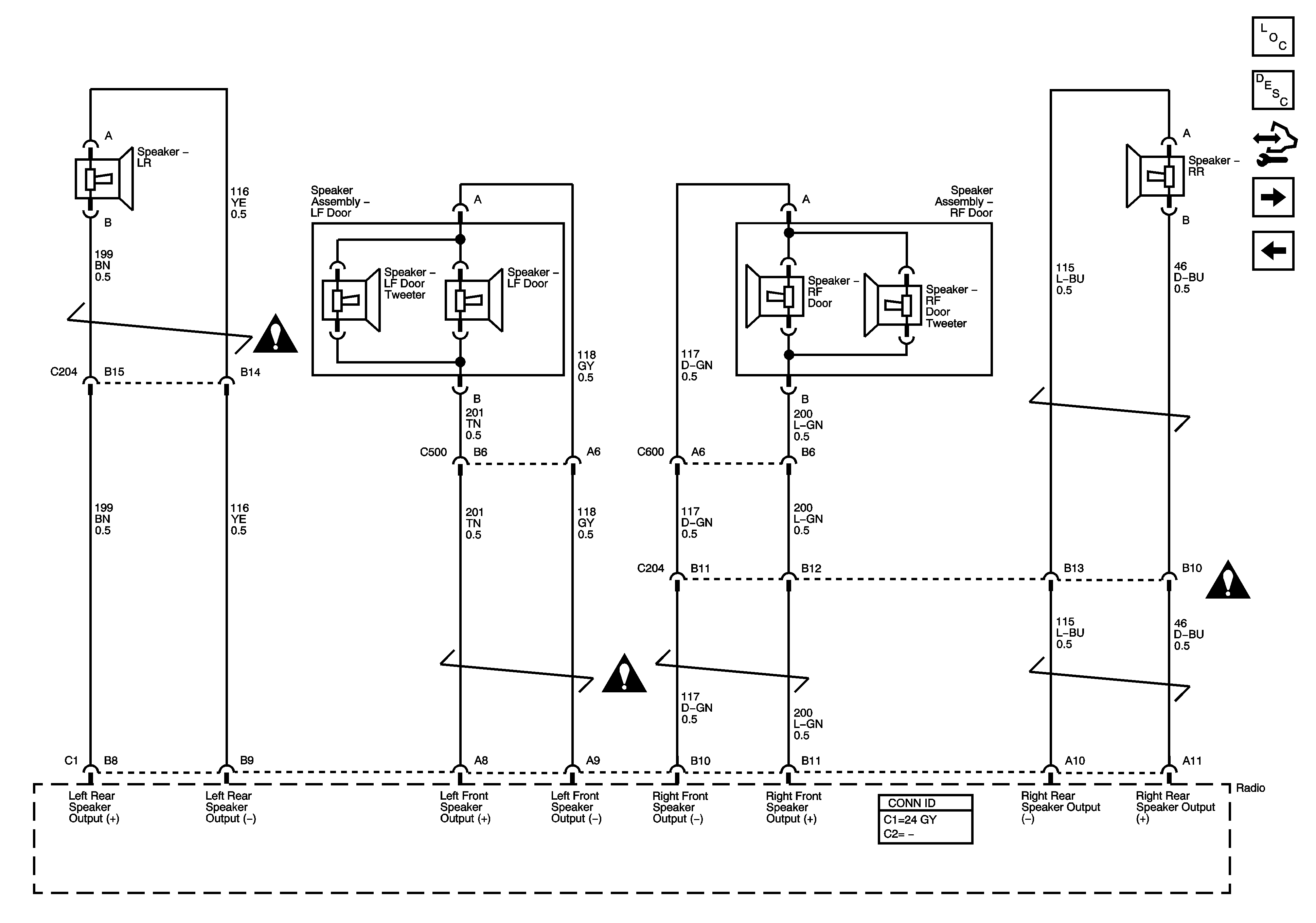
Speakers, Outputs - Base
B+ Bus - Rear Fuse Block
Data Link Connector Schematics
G103, G104
Figure 2:

Speaker Outputs - Base


Object Number: 1458700  Size: FS
Master Electrical Component List
Radio/Audio System Description and Operation
Control Module References
Power, Ground, Serial Data, Antenna and Low Level Audio Signals - Premium
Power, Ground, Serial Data and Antenna - Base
Entertainment Schematic Icons
Entertainment Schematic Icons
Entertainment Schematic Icons
Figure 3:

Power, Ground, Serial Data, Antenna and Low Level Audio Signals - Premium


Object Number: 1458703  Size: FS
Master Electrical Component List
Radio/Audio System Description and Operation
Control Module References
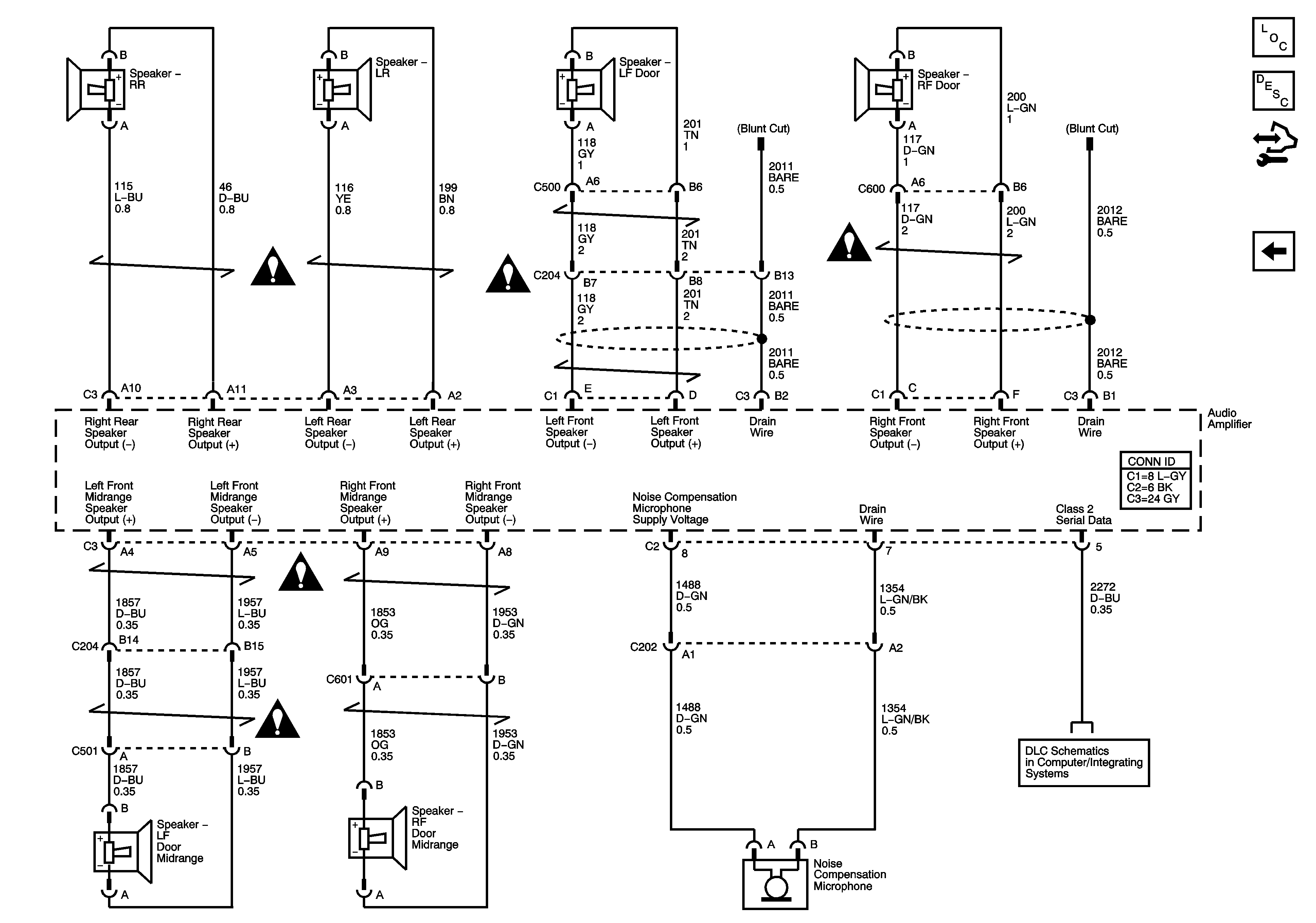
Speaker, Output, Noise Compensation Microphone
Speakers, Outputs - Base
B+ Bus - Rear Fuse Block
Entertainment Schematic Icons
Entertainment Schematic Icons
G103, G104
Data Link Connector Schematics
Figure 4:

Speaker Outputs, Noise Compensation Microphone - Premium


Object Number: 1458705  Size: FS
Master Electrical Component List
Radio/Audio System Description and Operation
Control Module References
Power, Ground, Serial Data, Antenna and Low Level Audio Signals - Premium
Entertainment Schematic Icons
Entertainment Schematic Icons
Entertainment Schematic Icons
Entertainment Schematic Icons
Entertainment Schematic Icons
Data Link Connector Schematics
Figure 5:

Steering Wheel Controls


Object Number: 1458708  Size: FS
Master Electrical Component List
Steering Wheel and Column Description and Operation
Control Module References
Data Link Connector Schematics
SIR Caution for Zoning