GM Service Manual Online
For 1990-2009 cars only
Makes
🢒
Chevrolet
🢒
2005
🢒
SSR
🢒 Fuel Controls - Fuel Pump Controls and Fuel Injectors
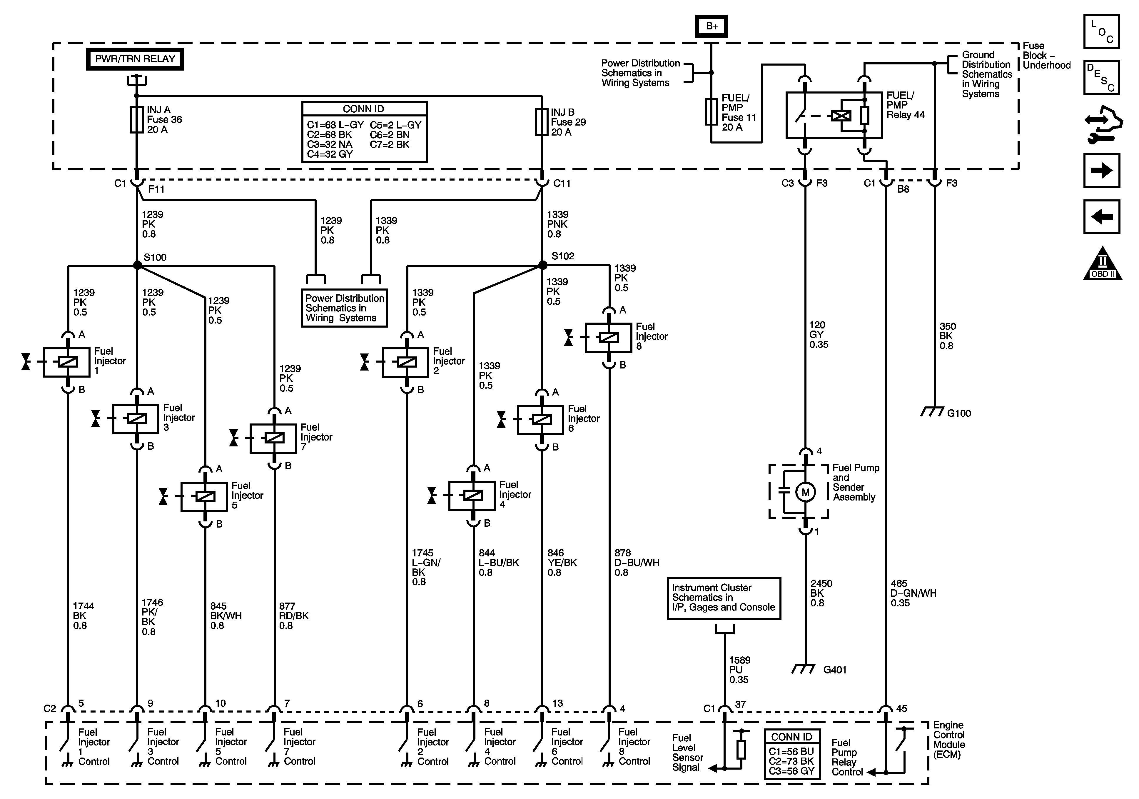
Fuel Controls - Fuel Pump Controls and Fuel Injectors
Fuel Controls - Fuel Pump Controls and Fuel Injectors
Master Electrical Component List
Engine Control Module Description
Control Module References
Fuel Controls - EVAP Controls
Ignition Controls - Sensors
OBD II Symbol Description Notice
Module Power, Ground, Serial Data and MIL
B+ Bus Underhood Fuse Block
G100, G102
ECM 2, ENG 1, INJ A, INJ B, O2A, and O2B Fuses
Fuel Gage