GM Service Manual Online
For 1990-2009 cars only
Makes
🢒
Chevrolet
🢒
2005
🢒
SSR
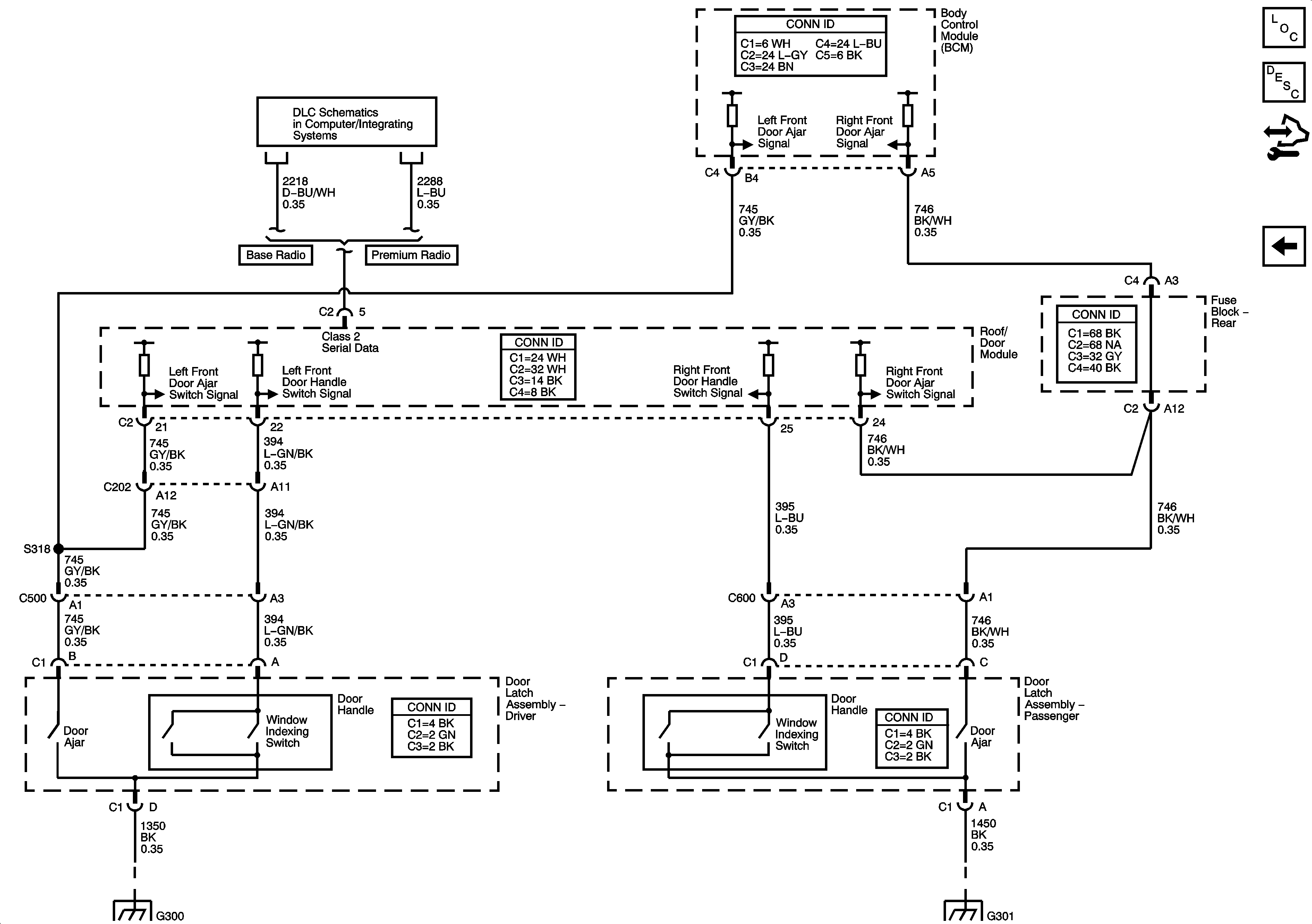
🢒 Door Latch Window Indexing and Ajar Switch Signals
Door Latch Window Indexing and Ajar Switch Signals
Door Latch Window Indexing and Ajar Switch Signals
Master Electrical Component List
Power Windows Description and Operation
Control Module References
Power Windows Schematics
Data Link Connector Schematics
G300
G301, G302