GM Service Manual Online
For 1990-2009 cars only
Figure 1:

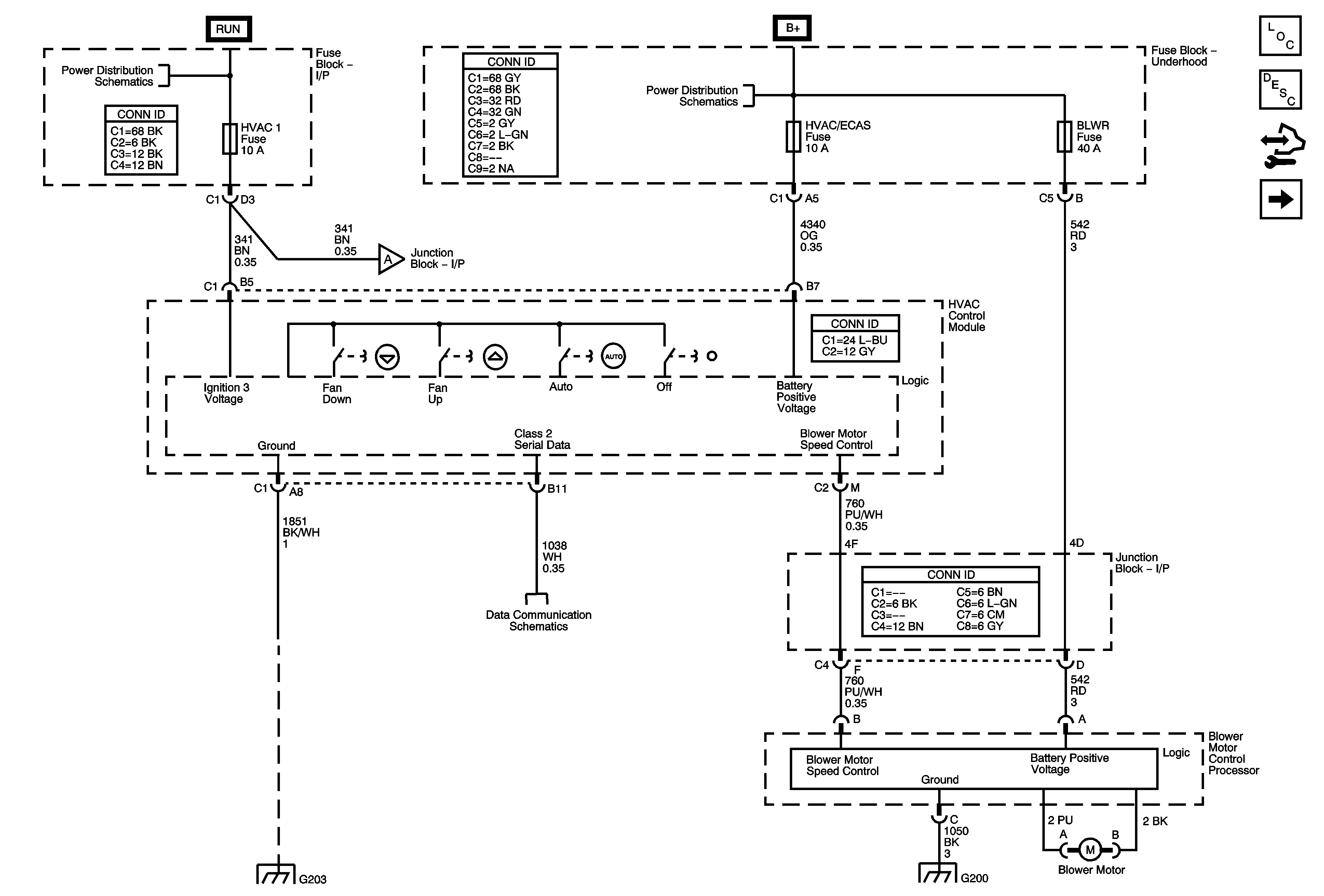
Power, Ground, Serial Data, and Blower Motor Controls


Object Number: 1774930  Size: FS
Master Electrical Component List
Air Delivery Description and Operation
Control Module References
Mode and Recirculating Actuators
Ignition Switch - START, RUN, and ACC/RUN/START BUS BARS, IGN A, and CRNK Fuses
Mode and Recirculating Actuators
B+ Bus Bar
Power, Ground, DLC and Splice Pack SP205
G203 - 1 of 2
G115 and G200 - 1 of 2
Figure 2:

Mode and Recirculation Actuators


Object Number: 1774935  Size: FS
Master Electrical Component List
Air Delivery Description and Operation
Control Module References
Air Temperature Actuators - Left and Right
Power, Ground, Serial Data, and Blower Controls
Power, Ground, DLC and Splice Pack SP205
Power, Ground, Serial Data, and Blower Controls
Air Temperature Actuators - Left and Right
Air Temperature Actuators - Left and Right
Figure 3:

Air Temperature Actuators - Left and Right


Object Number: 1774936  Size: FS
Master Electrical Component List
Air Temperature Description and Operation
Control Module References
Air Temperature Sensors
Mode and Recirculating Actuators
Mode and Recirculating Actuators
Mode and Recirculating Actuators
Mode and Recirculating Actuators
Mode and Recirculating Actuators
Mode and Recirculating Actuators
Power, Ground, DLC and Splice Pack SP205
Headlights/DRL Control
Figure 4:

Air Temperature Sensors


Object Number: 1774940  Size: FS
Master Electrical Component List
Air Temperature Description and Operation
Control Module References
A/C Compressor Controls
Air Temperature Actuators - Left and Right
G200 - 2 of 2
G200 - 2 of 2
G115 and G200 - 1 of 2
Figure 5:

A/C Compressor Controls


Object Number: 1774942  Size: FS
Master Electrical Component List
Air Temperature Description and Operation
Control Module References
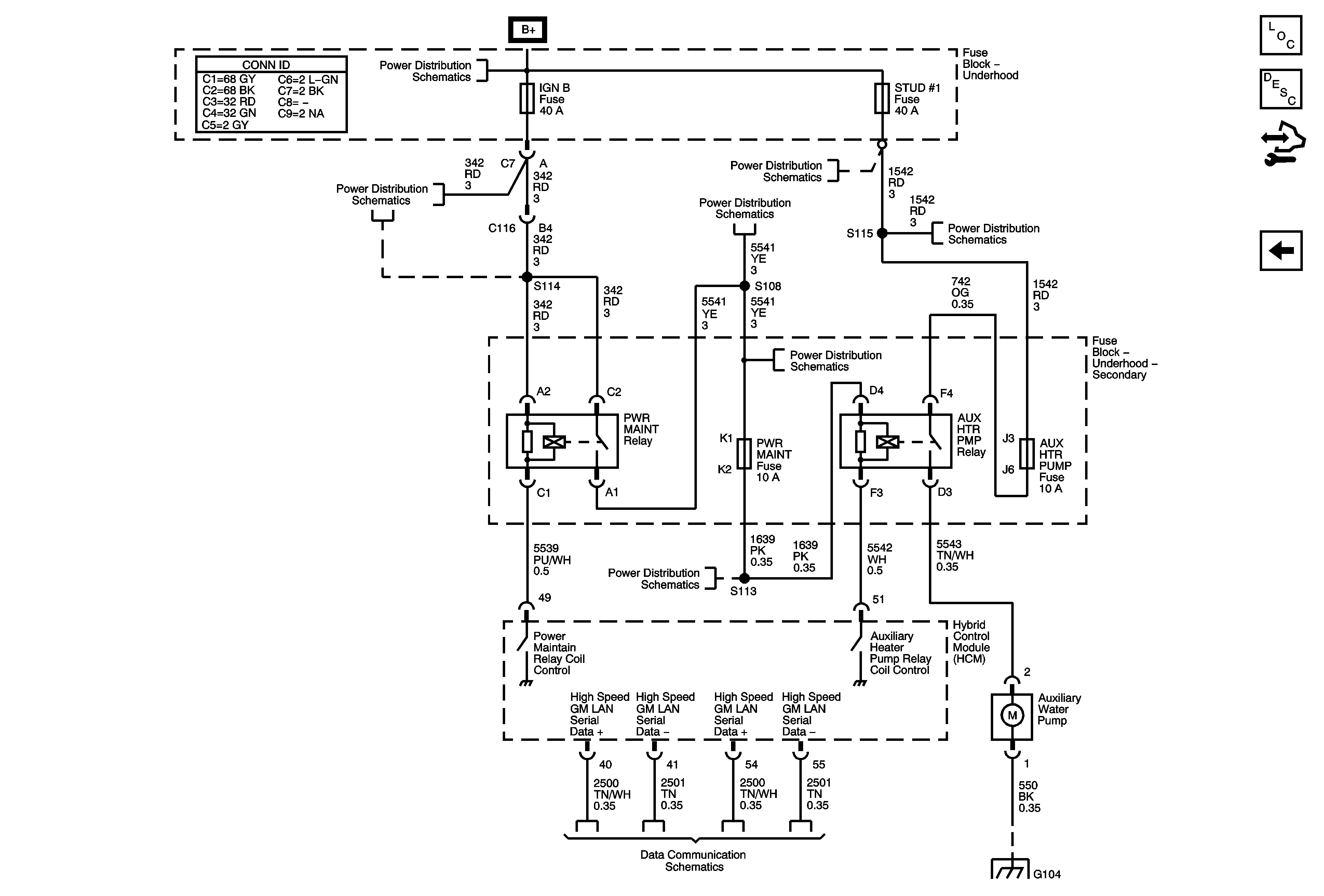
Auxiliary Water pump - HP2
Air Temperature Sensors
B+ Bus Bar
Ignition Switch - ACC/RUN and RUN/START BUS BARS and IGN B Fuse
IGN E and AIRBAG Fuses
Power, Ground, DLC and Splice Pack SP205
G104, G107, and G110
Figure 6:

Auxiliary Water Pump - HP2


Object Number: 1858564  Size: FS
Master Electrical Component List
Air Temperature Description and Operation
Control Module References
A/C Compressor Controls
B+ Bus Bar
Ignition Switch - ACC/RUN and RUN/START BUS BARS and IGN B Fuse
ABS, AUX HTR PMP, ESCM, HCM-B, MBEC1, RTD, STUD 1, STUD 2, TRANS PUMP, and VSES/ECAS Fuses and RT DOOR and SEAT Circuit Breakers
COOL PUMP, HYBRID O2A, HYBRID O2B, IGN B, and PWR MAINT Fuses
ABS, AUX HTR PMP, ESCM, HCM-B, MBEC1, RTD, STUD 1, STUD 2, TRANS PUMP, and VSES/ECAS Fuses and RT DOOR and SEAT Circuit Breakers
COOL PUMP, HYBRID O2A, HYBRID O2B, IGN B, and PWR MAINT Fuses
COOL PUMP, HYBRID O2A, HYBRID O2B, IGN B, and PWR MAINT Fuses
High Speed GM LAN (HP2)
G104, G107, and G110