GM Service Manual Online
For 1990-2009 cars only

Radio/Navigation System Schematics Base

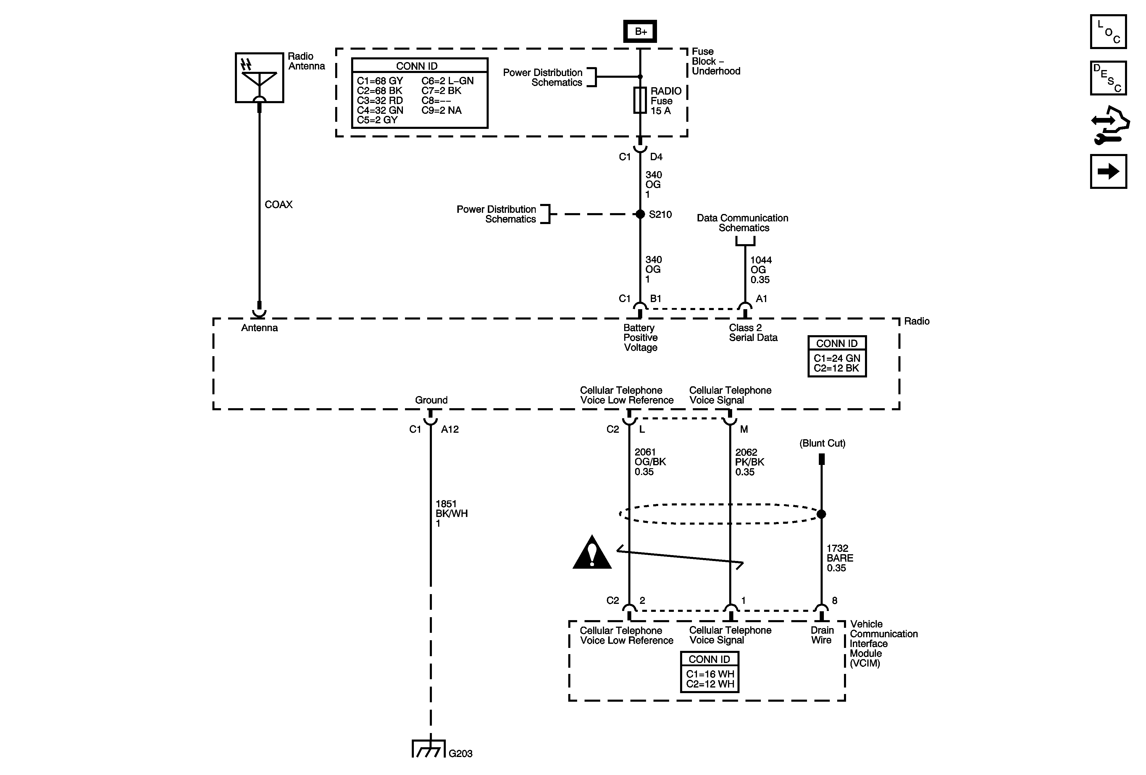
Figure 1:

Power, Ground, Serial Data, and Digital Radio


Object Number: 1779100  Size: FS
Master Electrical Component List
Radio/Audio System Description and Operation
Control Module References
Speakers
Entertainment/Communication Schematic Icons
G203 - 2 of 2
G203 - 1 of 2
G203 - 1 of 2
Power, Ground, DLC and Splice Pack SP205
Entertainment/Communication Schematic Icons
Splice Pack SP207
B+ Bus Bar
RADIO, RADIO/AMP, and S/ROOF Fuses
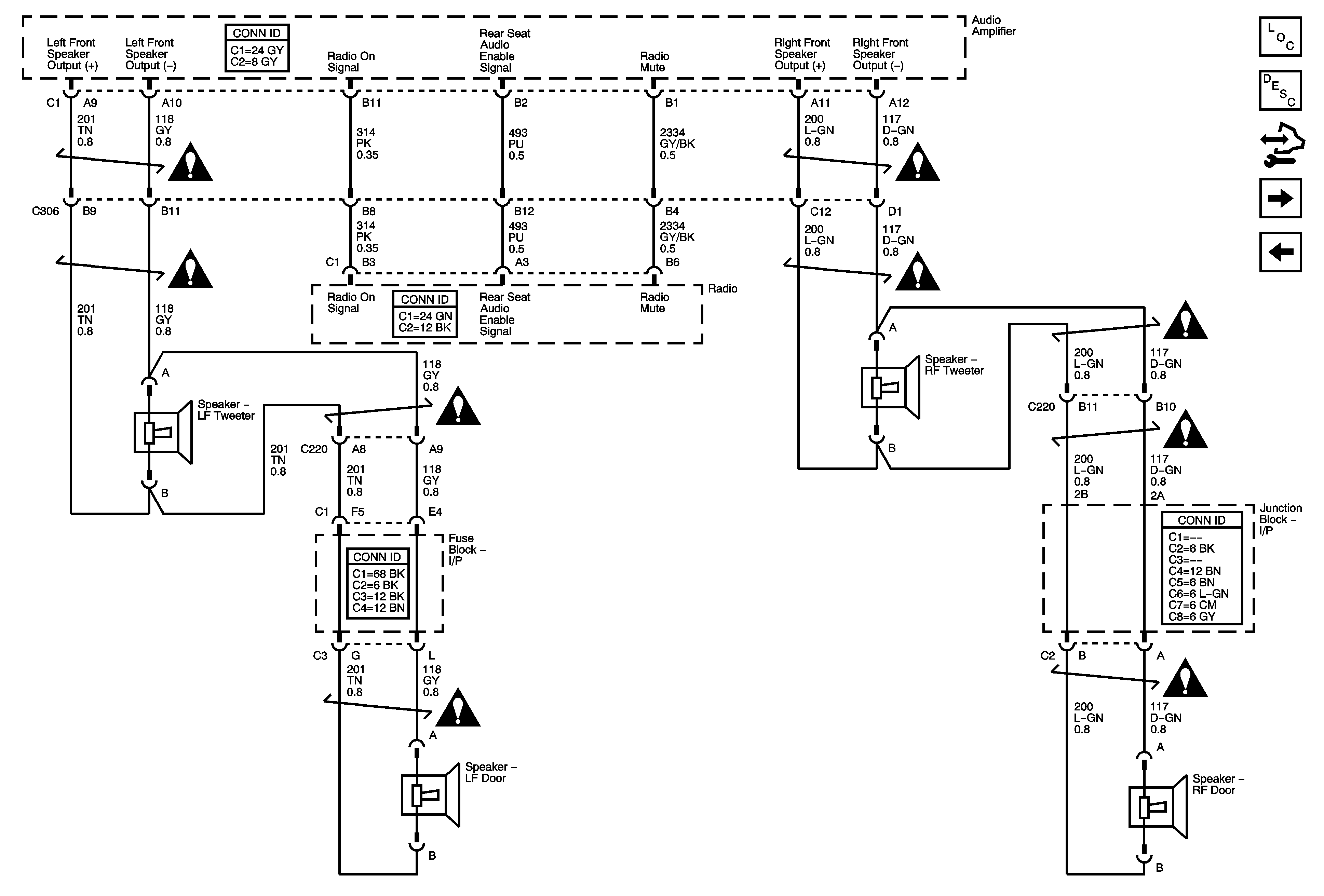
Figure 2:

Speakers


Object Number: 1779110  Size: FS
Master Electrical Component List
Radio/Audio System Description and Operation
Control Module References
Power, Ground, Serial Data, and Digital Radio
Entertainment/Communication Schematic Icons
Entertainment/Communication Schematic Icons
Entertainment/Communication Schematic Icons
Entertainment/Communication Schematic Icons
Entertainment/Communication Schematic Icons
Entertainment/Communication Schematic Icons

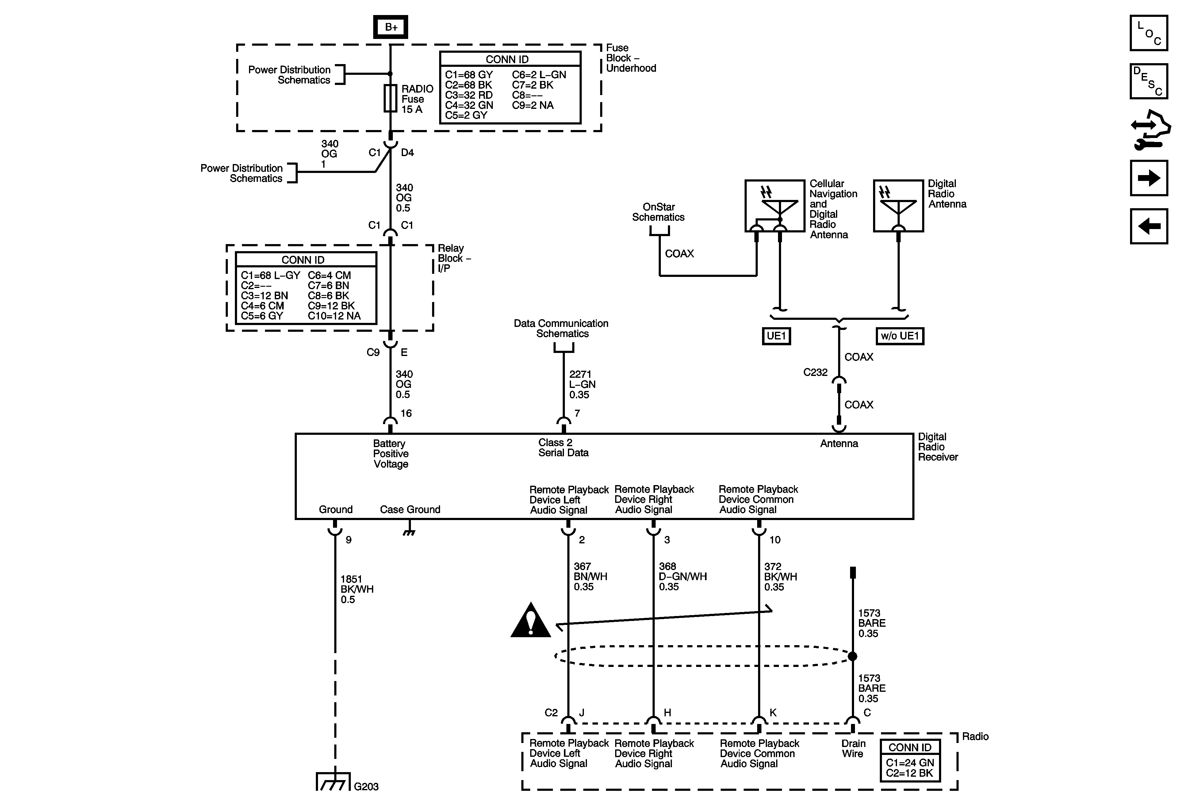
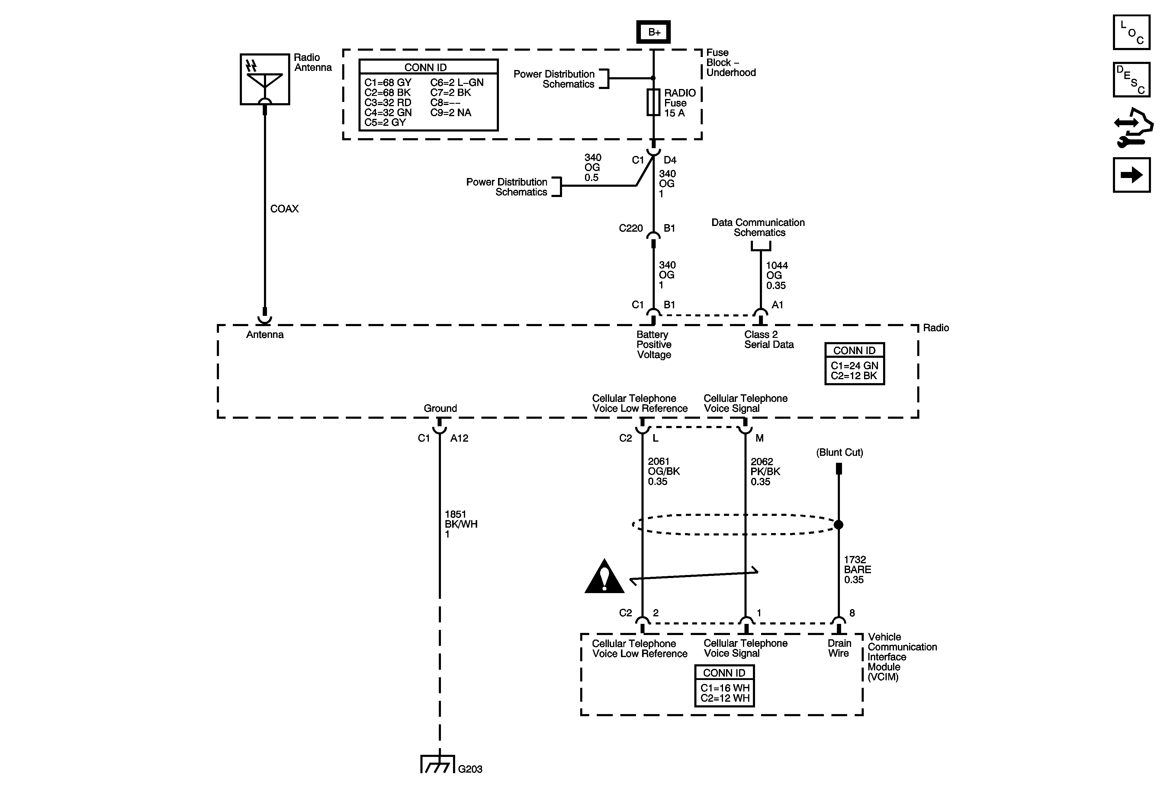
Radio/Navigation System Schematics Luxury

Figure 1:

Power, Ground, Serial Data, and Vehicle Communication Interface Module (VCIM)


Object Number: 1779213  Size: FS
Master Electrical Component List
Radio/Audio System Description and Operation
Control Module References
Remote Playback Device - CD Player (U1S)
B+ Bus Bar
RADIO, RADIO/AMP, and S/ROOF Fuses
G203 - 2 of 2
Power, Ground, DLC and Splice Pack SP205
Entertainment/Communication Schematic Icons
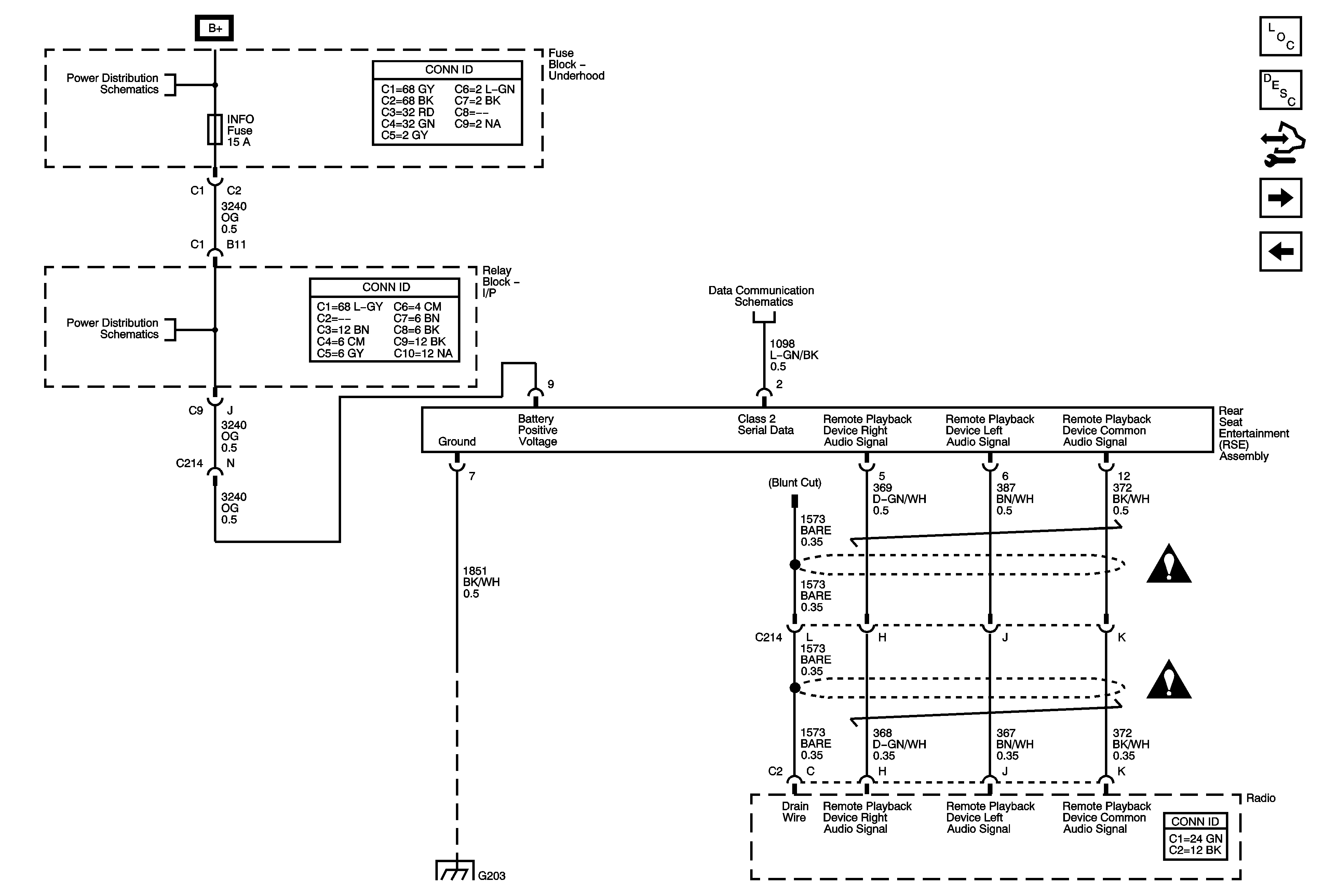
Figure 2:

Remove Playback Device - CD Player (U1S)


Object Number: 1779233  Size: FS
Master Electrical Component List
Radio/Audio System Description and Operation
Control Module References
Rear Seat Entertainment (RSE) Assembly (U42), Digital Radio Receiver (U2K), and Remote Playback Device - CD Player (U1S)
Power, Ground, Serial Data, and Vehicle Communication Interface Module (VCIM)
B+ Bus Bar
CIG LTR, EAP, INFO, and RVC Fuses
G203 - 1 of 2
Rear Seat Entertainment (RSE) Assembly (U42), Digital Radio Receiver (U2K), and Remote Playback Device - CD Player (U1S)
Rear Seat Entertainment (RSE) Assembly (U42), Digital Radio Receiver (U2K), and Remote Playback Device - CD Player (U1S)
Rear Seat Entertainment (RSE) Assembly (U42), Digital Radio Receiver (U2K), and Remote Playback Device - CD Player (U1S)
Entertainment/Communication Schematic Icons
Splice Pack SP207
I/P Lamps Dimming Control Supply - 1 of 3
Figure 3:

Rear Seat Entertainment (RSE) Assembly (U42), Digital Radio Receiver (U2K), and Remote Playback - CD Player (U1S)


Object Number: 1779236  Size: FS
Master Electrical Component List
Radio/Audio System Description and Operation
Control Module References
Rear Seat Audio (RSA) Controller and Amplifier
Remote Playback Device - CD Player (U1S)
B+ Bus Bar
RADIO, RADIO/AMP, and S/ROOF Fuses
Splice Pack SP207
Entertainment/Communication Schematic Icons
Remote Playback Device - CD Player (U1S)
G203 - 1 of 2
Remote Playback Device - CD Player (U1S)
Remote Playback Device - CD Player (U1S)
Remote Playback Device - CD Player (U1S)
OnStar Schematics
Splice Pack SP207
CIG LTR, EAP, INFO, and RVC Fuses
OnStar Schematics
G203 - 1 of 2
Figure 4:

Rear Seat Audio (RSA) Controller and Amplifier


Object Number: 1779241  Size: FS
Master Electrical Component List
Radio/Audio System Description and Operation
Control Module References
Front Speakers
Rear Seat Entertainment (RSE) Assembly (U42), Digital Radio Receiver (U2K), and Remote Playback Device - CD Player (U1S)
Entertainment/Communication Schematic Icons
Entertainment/Communication Schematic Icons
Entertainment/Communication Schematic Icons
Entertainment/Communication Schematic Icons
Splice Pack SP207
RADIO, RADIO/AMP, and S/ROOF Fuses
B+ Bus Bar
G203 - 1 of 2
Figure 5:

Front Speakers


Object Number: 1779242  Size: FS
Master Electrical Component List
Radio/Audio System Description and Operation
Control Module References
Rear Speakers and Subwoofer
Rear Seat Audio (RSA) Controller and Amplifier
Entertainment/Communication Schematic Icons
Entertainment/Communication Schematic Icons
Entertainment/Communication Schematic Icons
Entertainment/Communication Schematic Icons
Entertainment/Communication Schematic Icons
Entertainment/Communication Schematic Icons
Figure 6:

Rear Speakers and Subwoofer


Object Number: 1779249  Size: FS
Master Electrical Component List
Radio/Audio System Description and Operation
Control Module References
Front Speakers
Entertainment/Communication Schematic Icons
Entertainment/Communication Schematic Icons
Entertainment/Communication Schematic Icons

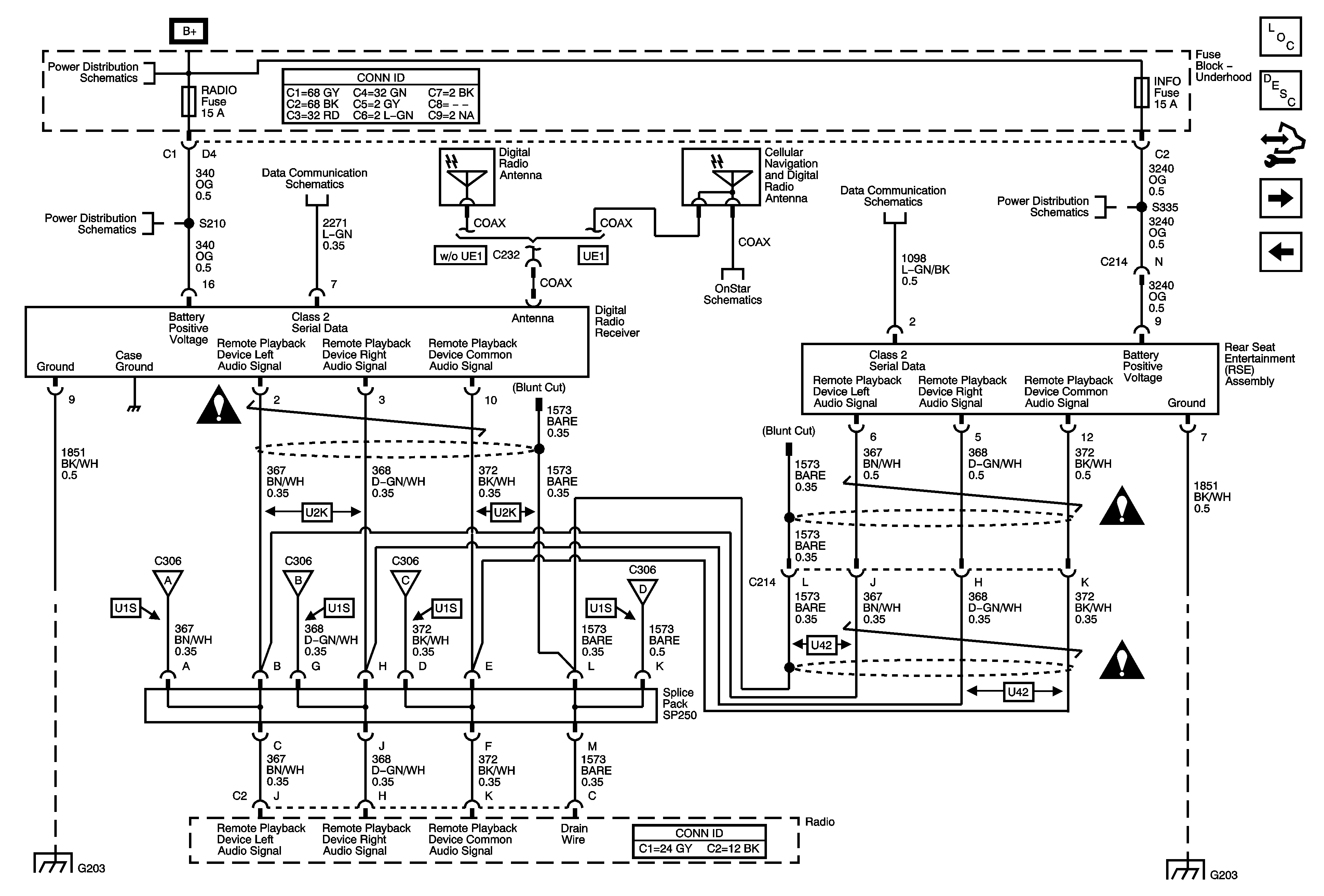
Radio/Navigation System Schematics Premium

Figure 1:

Power, Ground, Serial Data, and VCIM


Object Number: 1779250  Size: FS
Master Electrical Component List
Radio/Audio System Description and Operation
Control Module References
Rear Seat Entertainment (RSE) Assembly (U42)
B+ Bus Bar
RADIO, RADIO/AMP, and S/ROOF Fuses
Power, Ground, DLC and Splice Pack SP205
Entertainment/Communication Schematic Icons
G203 - 2 of 2
Figure 2:

Rear Seat Entertainment (RSE) Assembly (U42)


Object Number: 1779271  Size: FS
Master Electrical Component List
Video Entertainment System Description and Operation
Control Module References
Digital Radio Receiver (U2K)
Power, Ground, Serial Data, and VCIM
B+ Bus Bar
CIG LTR, EAP, INFO, and RVC Fuses
Splice Pack SP207
G203 - 2 of 2
Entertainment/Communication Schematic Icons
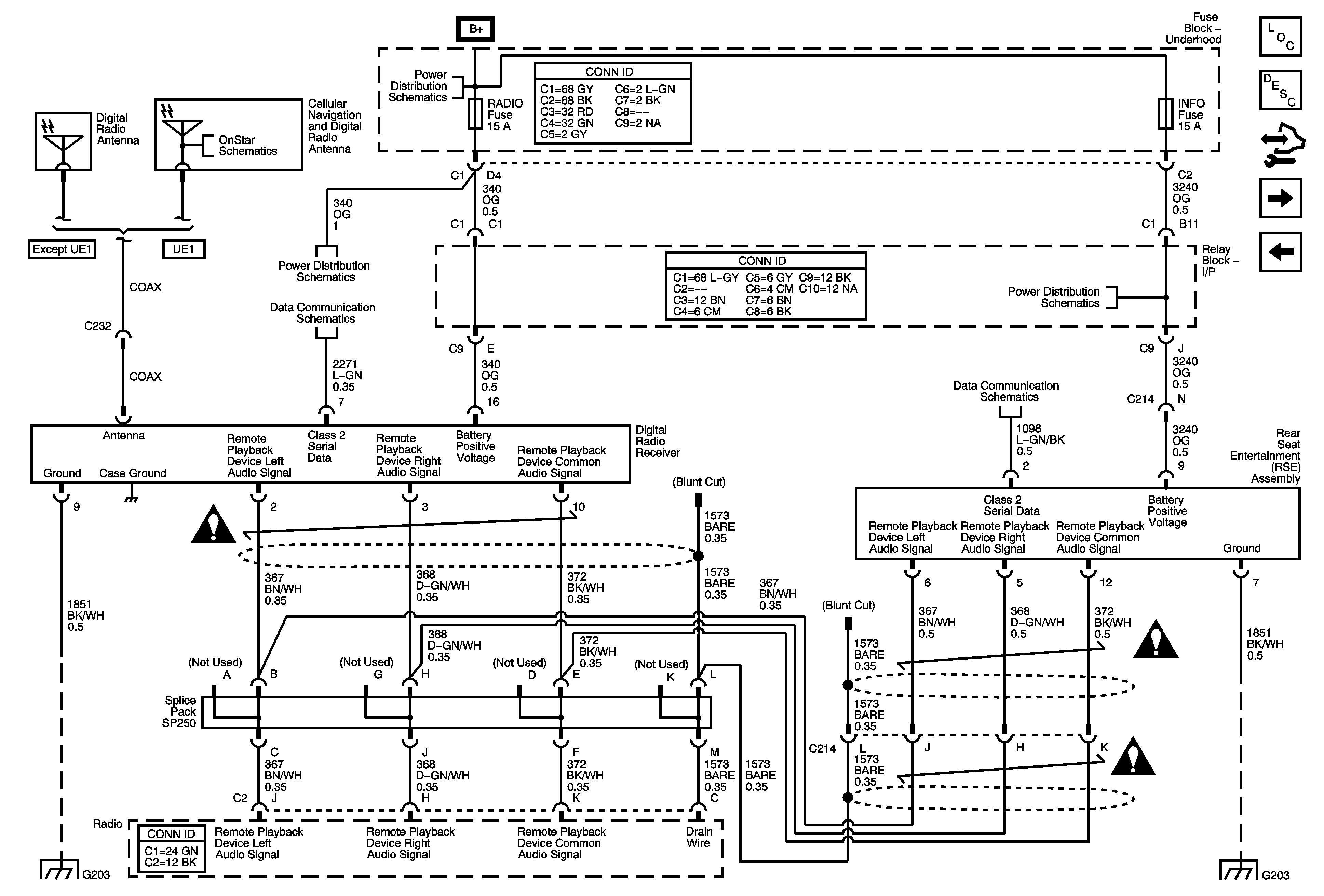
Figure 3:

Digital Radio Receiver (U2K)


Object Number: 1779274  Size: FS
Master Electrical Component List
Radio/Audio System Description and Operation
Control Module References
Digital Radio Receiver (U2K) and Rear Seat Entertainment (RSE) Assembly (U42)
Rear Seat Entertainment (RSE) Assembly (U42)
B+ Bus Bar
RADIO, RADIO/AMP, and S/ROOF Fuses
OnStar Schematics
Splice Pack SP207
Entertainment/Communication Schematic Icons
G203 - 1 of 2
Figure 4:

Digital Radio Receiver (U2K) and Rear Seat Entertainment (RSE) Assembly (U42)


Object Number: 1779365  Size: FS
Master Electrical Component List
Video Entertainment System Description and Operation
Control Module References
Amplifier (D07 w/o UK6)
Digital Radio Receiver (U2K)
B+ Bus Bar
OnStar Schematics
Splice Pack SP207
Entertainment/Communication Schematic Icons
G203 - 1 of 2
RADIO, RADIO/AMP, and S/ROOF Fuses
CIG LTR, EAP, INFO, and RVC Fuses
Splice Pack SP207
Entertainment/Communication Schematic Icons
Entertainment/Communication Schematic Icons
G203 - 1 of 2
Figure 5:

Amplifier (D07 w/o UK6)


Object Number: 1779368  Size: FS
Master Electrical Component List
Radio/Audio System Description and Operation
Control Module References
Amplifier and Rear Seat Audio (RSA) Controller (D07 w/o UK6)
Digital Radio Receiver (U2K) and Rear Seat Entertainment (RSE) Assembly (U42)
Entertainment/Communication Schematic Icons
Entertainment/Communication Schematic Icons
B+ Bus Bar
G203 - 1 of 2
Figure 6:

Amplifier and Rear Seat Audio (RSA) Controller (D07/UK6)


Object Number: 1779399  Size: FS
Master Electrical Component List
Radio/Audio System Description and Operation
Control Module References
Front Speakers
Amplifier (D07 w/o UK6)
Entertainment/Communication Schematic Icons
Entertainment/Communication Schematic Icons
B+ Bus Bar
Entertainment/Communication Schematic Icons
RADIO, RADIO/AMP, and S/ROOF Fuses
RADIO, RADIO/AMP, and S/ROOF Fuses
Entertainment/Communication Schematic Icons
Splice Pack SP207
G203 - 1 of 2
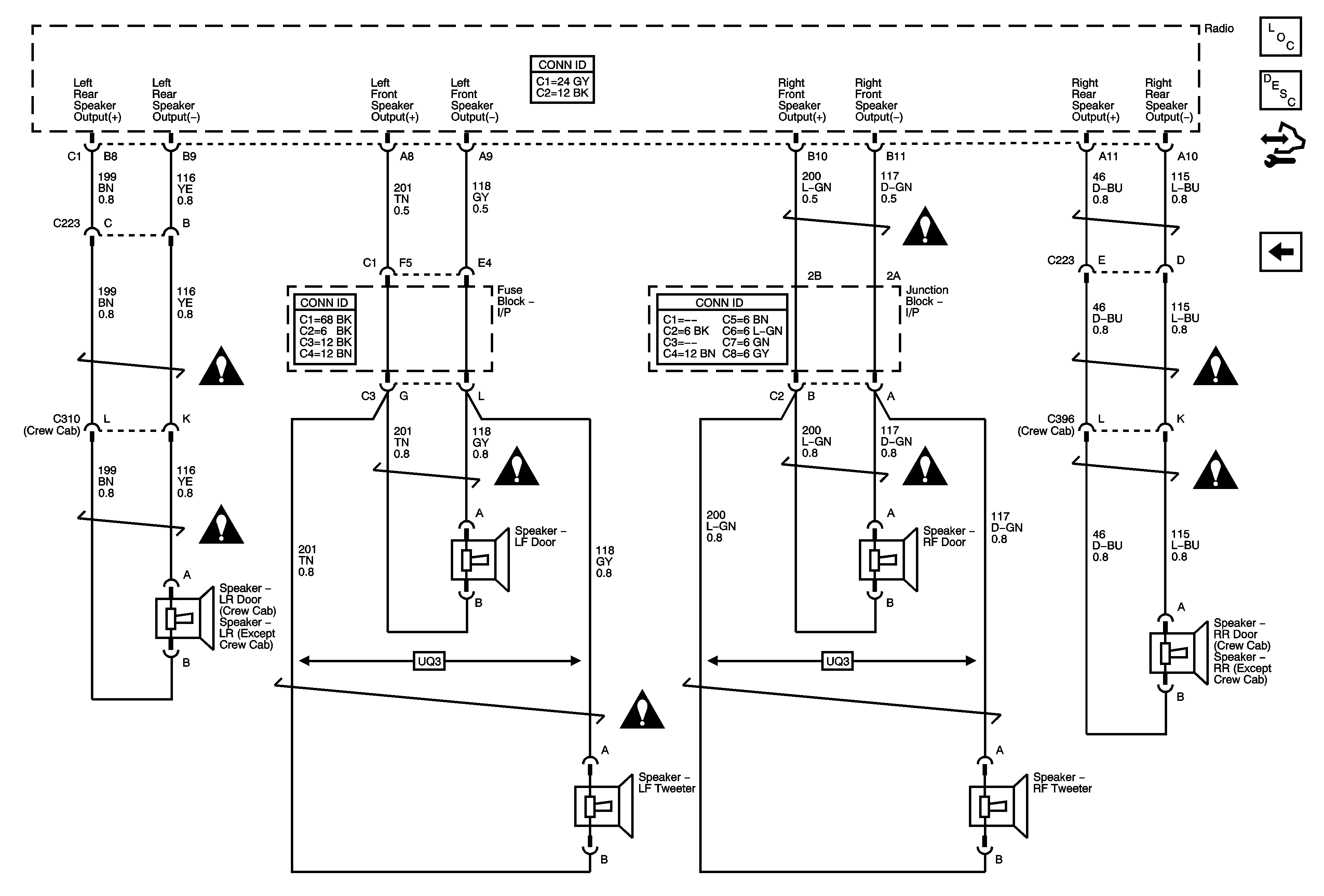
Figure 7:

Front Speakers


Object Number: 1779405  Size: FS
Master Electrical Component List
Radio/Audio System Description and Operation
Control Module References
Rear Speakers and Subwoofer
Amplifier and Rear Seat Audio (RSA) Controller (D07 w/o UK6)
Entertainment/Communication Schematic Icons
Entertainment/Communication Schematic Icons
Entertainment/Communication Schematic Icons
Entertainment/Communication Schematic Icons
Entertainment/Communication Schematic Icons
Entertainment/Communication Schematic Icons
Figure 8:

Rear Speakers and Subwoofer


Object Number: 1779423  Size: FS
Master Electrical Component List
Radio/Audio System Description and Operation
Control Module References
Front Speakers
Entertainment/Communication Schematic Icons
Entertainment/Communication Schematic Icons