GM Service Manual Online
For 1990-2009 cars only
Makes
🢒
Chevrolet
🢒
2007
🢒
Silverado Classic - 2WD
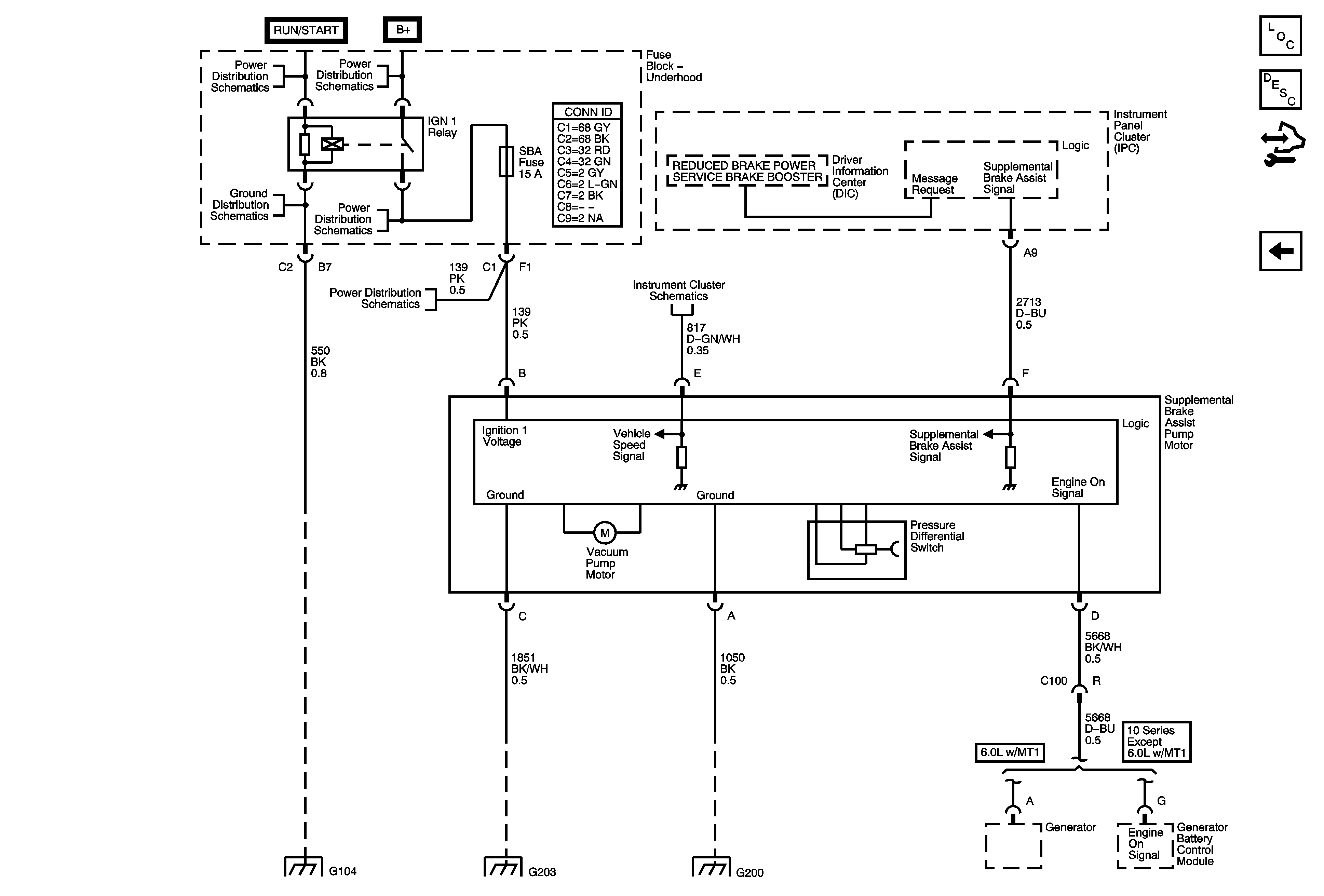
🢒 Supplemental Brake Assist
Supplemental Brake Assist
Supplemental Brake Assist
Master Electrical Component List
Brake Assist System Description and Operation (Vacuum Assist)
Control Module References
Power, Ground, Serial Data, Indicator Control, and Switches
Ignition Switch - ACC/RUN and RUN/START BUS BARS and IGN B Fuse
G104, G107, and G110
B+ Bus Bar
ETC/ECM, INJ1, INJ2, PCM 1, and SBA Fuses - Gas
ETC/ECM, INJ1, INJ2, PCM 1, and SBA Fuses - Gas
Gages, Vehicle Speed Sensor, Engine Oil Pressure, and Fuel Level Sensors
G104, G107, and G110
G203 - 1 of 2
G115 and G200 - 1 of 2