GM Service Manual Online
For 1990-2009 cars only
Makes
🢒
Chevrolet
🢒
2007
🢒
Silverado Classic - 2WD
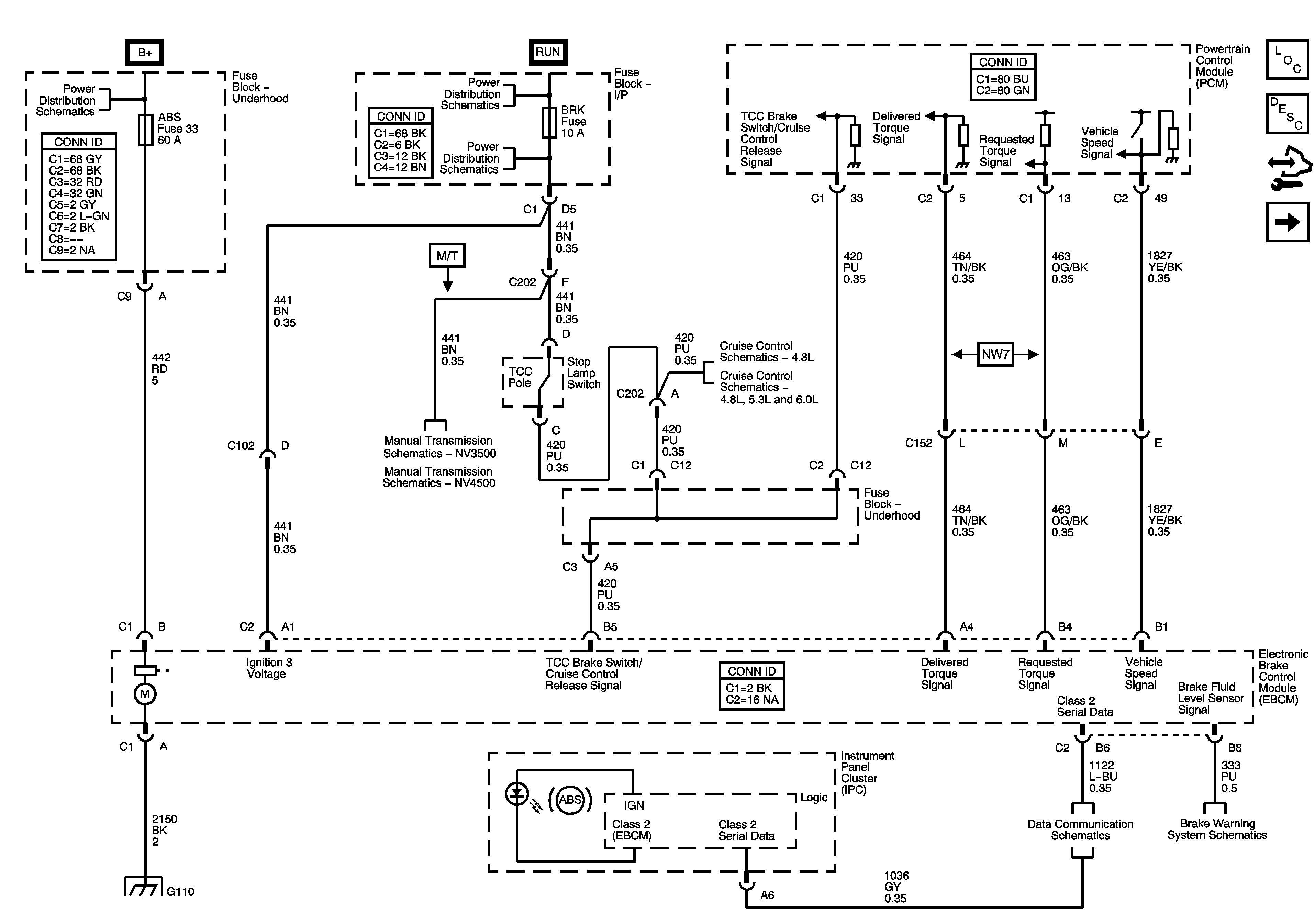
🢒 Power, Ground, Serial Data, Indicator and Stop Lamp Switch - 8600 GVW or Less w/ Rear Disc Brakes
Power, Ground, Serial Data, Indicator and Stop Lamp Switch - 8600 GVW or Less w/ Rear Disc Brakes
Power, Ground, Serial Data, Indicator, and Stop Lamp Switch - 8600 GVW or Less w/Rear Disc Brakes
Master Electrical Component List
ABS Description and Operation (8600 GVW or Less W/Rear Disc Brake)
Control Module References
Traction Control and Wheel Speed Sensors - 8600 GVW or Less w/ Rear Disc Brakes
B+ Bus Bar
Ignition Switch - START, RUN, and ACC/RUN/START BUS BARS, IGN A, and CRNK Fuses
4WD, BRK, CRUISE, HTR/AC, and HVAC 1 Fuses
4.3L
4.8L, 5.3L, 6.0L, and 8.1L
Manual Transmission NV3500 Schematics
Manual Transmission NV4500 Schematics
G104, G107, and G110
Power, Ground, DLC and Splice Pack SP205
Power, Ground, Serial Data, Indicator Control, and Switches