GM Service Manual Online
For 1990-2009 cars only
Makes
🢒
Chevrolet
🢒
2007
🢒
Silverado - 2WD
🢒
Diagnostic Navigation
🢒
Vehicle Diagnostic Information
🢒 Object Detection Schematics
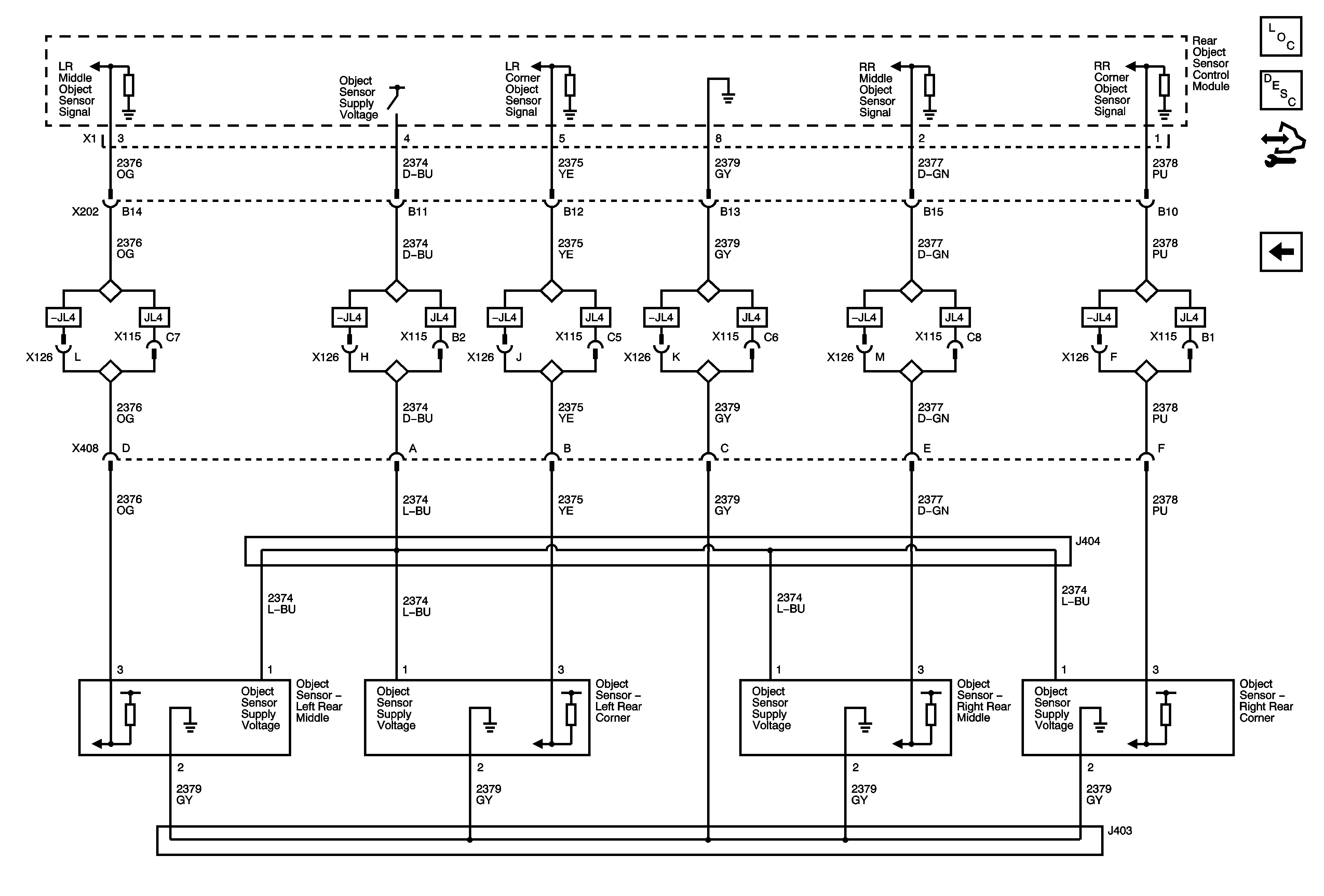
Figure
1:
Rear Object Sensing
Master Electrical Component List
Object Detection Description and Operation
Control Module References
Rear Object Sensors
LED Dimming 3 of 3
IS LPS, LT STOP TRN, OBS DET, REAR SEAT and STOP LAMPS Fuses, LT DR Circuit Breaker
G201 1 of 2
G302
Low Speed Bus - 3 of 3
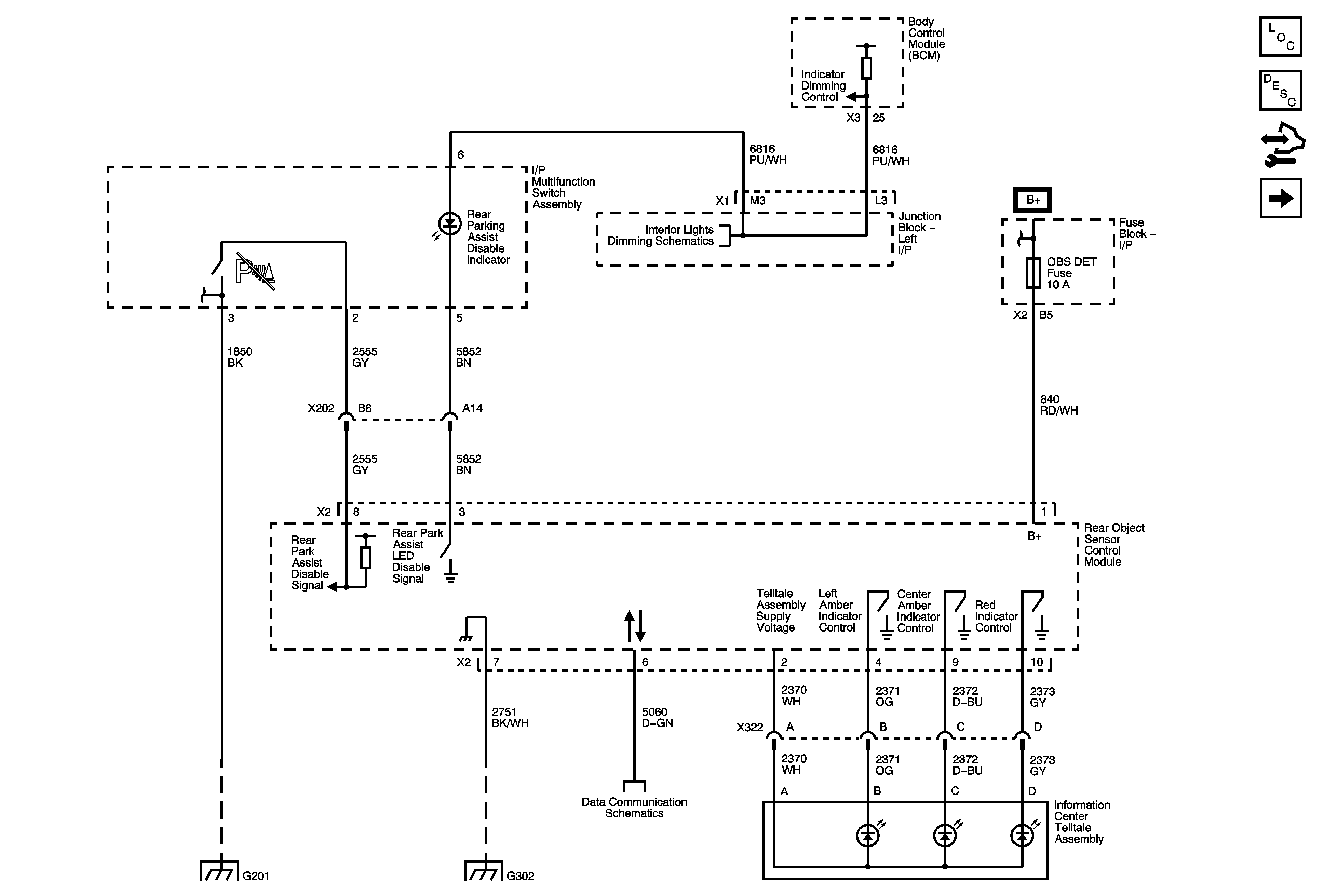
Figure
2:
Rear Object Sensors
Master Electrical Component List
Object Detection Description and Operation
Control Module References
Rear Object Sensing