GM Service Manual Online
For 1990-2009 cars only
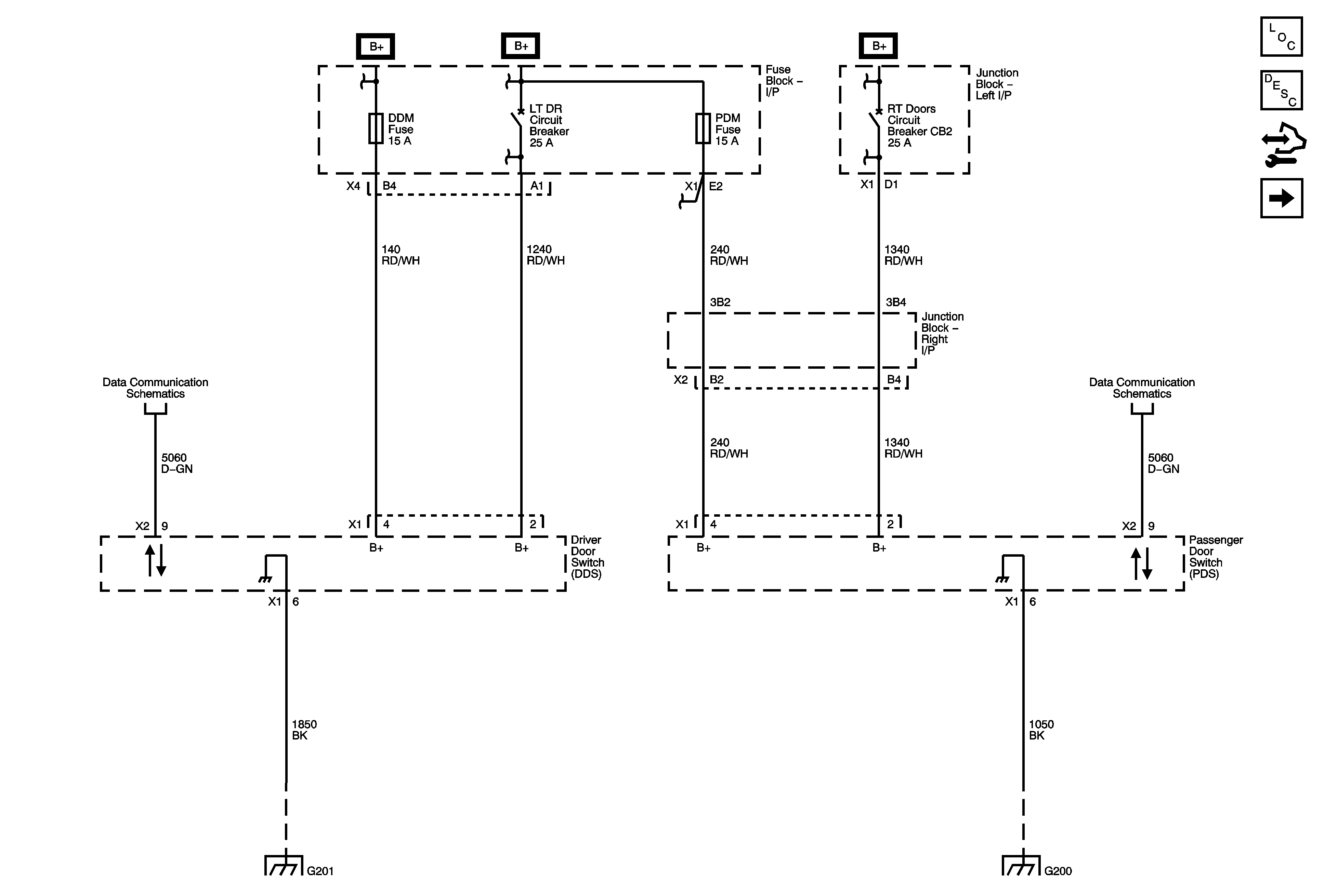
Figure 1:

Power, Ground and Serial Data


Object Number: 1850757  Size: FS
Master Electrical Component List
Power Door Locks Description and Operation
Control Module References
Door Lock, Window and Lighting System References
BCM, COOLED SEATS, CTSY, DDM, DIM, DSM, LBEC 2, PWR MIR, REAR HVAC and RT STOP TRN Fuses
IS LPS, LT STOP TRN, OBS DET, REAR SEAT and STOP LAMPS Fuses, LT DR Circuit Breaker
AUX PWR, AUX PWR 2, LBEC 1, PDM and REAR WPR Fuses
MBEC 1 Fuse and DRIVER SEAT 2, PASS SEAT 1, PWR REAR WNDW and RT DOORS Circuit Breakers
Low Speed Bus - 1 of 3
Low Speed Bus - 1 of 3
G201 1 of 2
G200 1 of 2
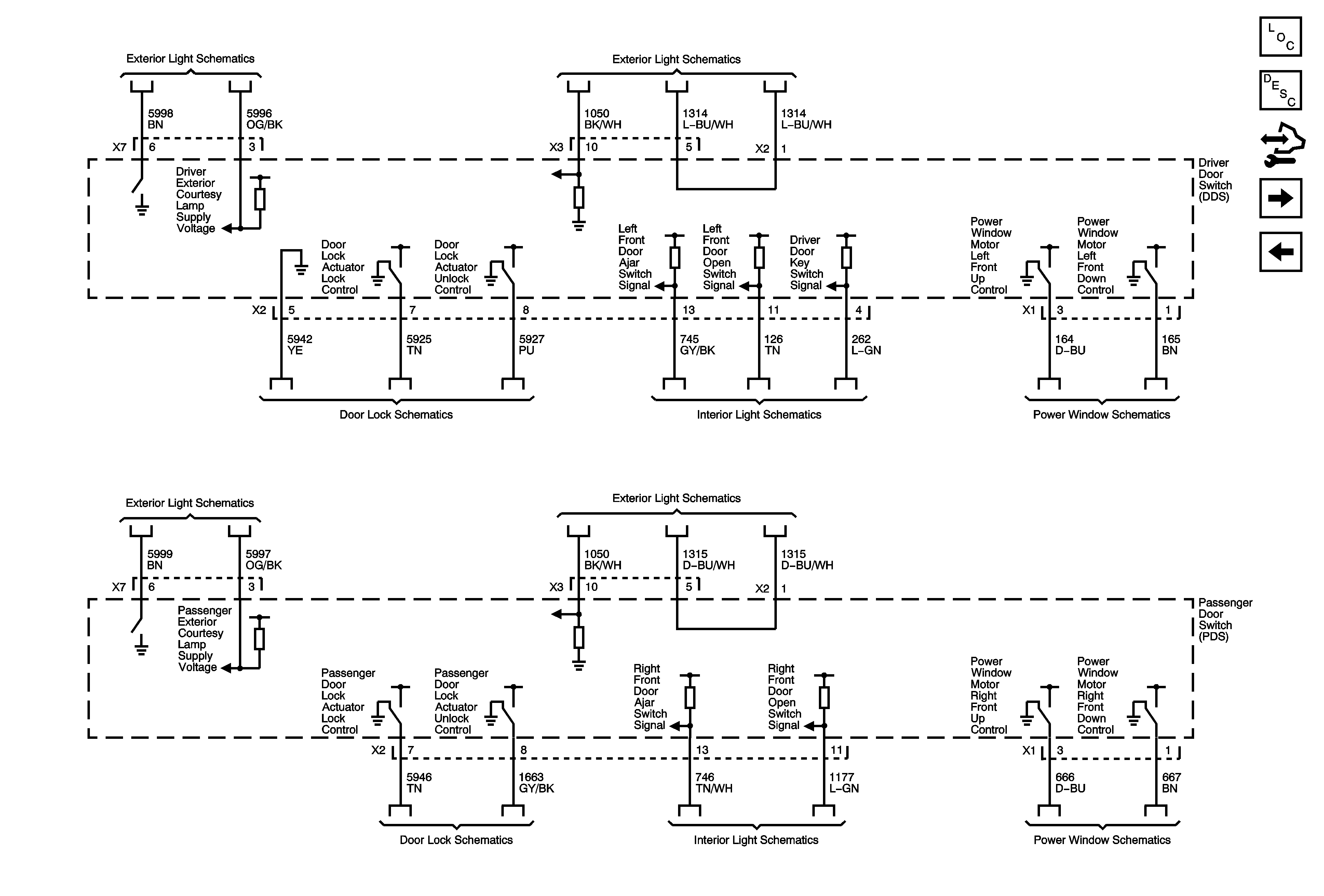
Figure 2:

Door Lock, Window and Lighting System References


Object Number: 1850758  Size: FS
Master Electrical Component List
Power Door Locks Description and Operation
Control Module References
Outside Rearview Mirror References
Power, Ground and Serial Data
Exterior Illumination Lamps (DL3/DR4)
Turn Signal Controls and Front Turn Signal Lamps
Door Lock Controls and Front Door Locks AN3/DL3
Door Jamb Switches AN3/DL3
Left Doors AN3/DL3
Exterior Illumination Lamps (DL3/DR4)
Turn Signal Controls and Front Turn Signal Lamps
Door Lock Controls and Front Door Locks AN3/DL3
Door Jamb Switches AN3/DL3
Right Doors AN3/DL3
Figure 3:

Outside Rearview Mirror References


Object Number: 1850759  Size: FS
Master Electrical Component List
Power Door Locks Description and Operation
Control Module References
Heated Seat References
Door Lock, Window and Lighting System References
Inside Rearview Mirror Schematics
Driver AN3/DL3
Inside Rearview Mirror Schematics
Driver AN3/DL3
Passenger AN3/DL3
Passenger AN3/DL3
Figure 4:

Heated Seat References


Object Number: 1850760  Size: FS
Master Electrical Component List
Power Door Locks Description and Operation
Control Module References
Outside Rearview Mirror References
Module Power, Ground, Serial Data and Memory Switch (AN3)
Heated Seat - Driver
Heated Seat - Driver
Heated Seat - Passenger
Heated Seat - Passenger