GM Service Manual Online
For 1990-2009 cars only
Figure 1:

Radio Power, Ground and Serial Data


Object Number: 1854533  Size: FS
Master Electrical Component List
Radio/Audio System Description and Operation
Control Module References
Amplifier (UQA) and Rear Seat Audio (UK6) Power, Ground and Serial Data
FSCM, ITBC and RDO Fuses
G301
Low Speed Bus - 1 of 3
Figure 2:

Amplifier (UQA) and Rear Seat Audio (UK6) Power, Ground and Serial Data


Object Number: 1854534  Size: FS
Master Electrical Component List
Radio/Audio System Description and Operation
Control Module References
Amplifier Inputs (UQA)
Radio Power, Ground and Serial Data
AMP, ELEC RUN BOARD, ESC/ALC EXH, EXP/PTO, INFOTMNT, and TREC Fuses
FSCM, ITBC and RDO Fuses
Low Speed Bus - 1 of 3
G301
Figure 3:

Amplifier Inputs (UQA)


Object Number: 1854535  Size: FS
Master Electrical Component List
Radio/Audio System Description and Operation
Control Module References
Front Speakers (UQ3/UQ5)
Amplifier (UQA) and Rear Seat Audio (UK6) Power, Ground and Serial Data
Figure 4:

Front Speakers (UQ3/UQ5)


Object Number: 1854536  Size: FS
Master Electrical Component List
Radio/Audio System Description and Operation
Control Module References
Rear Speakers UQ3/UQ5
Amplifier Inputs (UQA)
Figure 5:

Rear Speakers (UQ3/UQ5)


Object Number: 1854537  Size: FS
Master Electrical Component List
Radio/Audio System Description and Operation
Control Module References
Front Speakers (UQA)
Front Speakers (UQ3/UQ5)
Figure 6:

Front Speakers (UQA)


Object Number: 1854539  Size: FS
Master Electrical Component List
Radio/Audio System Description and Operation
Control Module References
Rear Speakers (UQA)
Rear Speakers UQ3/UQ5
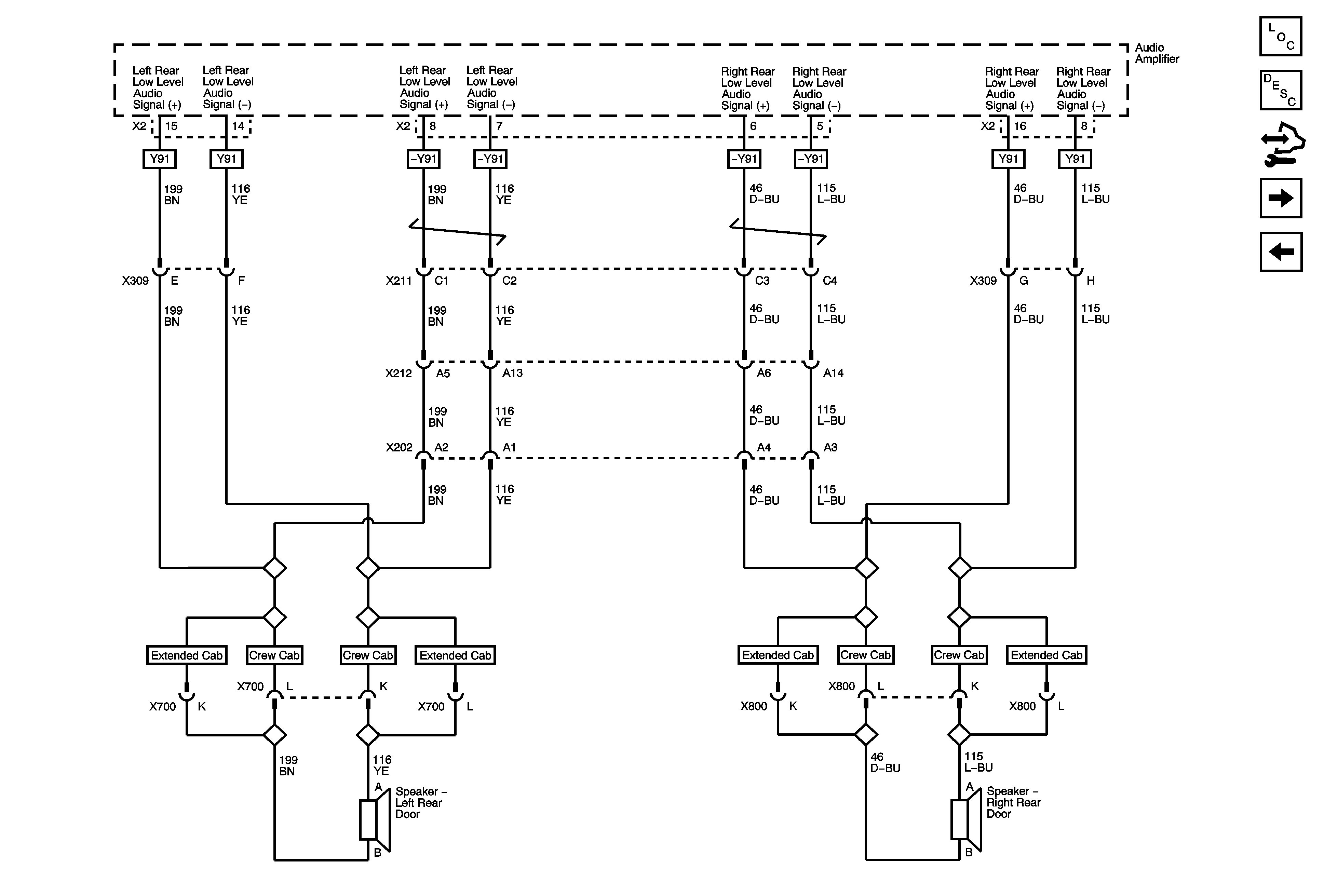
Figure 7:

Rear Speakers (UQA)


Object Number: 1854540  Size: FS
Master Electrical Component List
Radio/Audio System Description and Operation
Control Module References
Digital Radio Receiver (U2K)
Front Speakers (UQA)
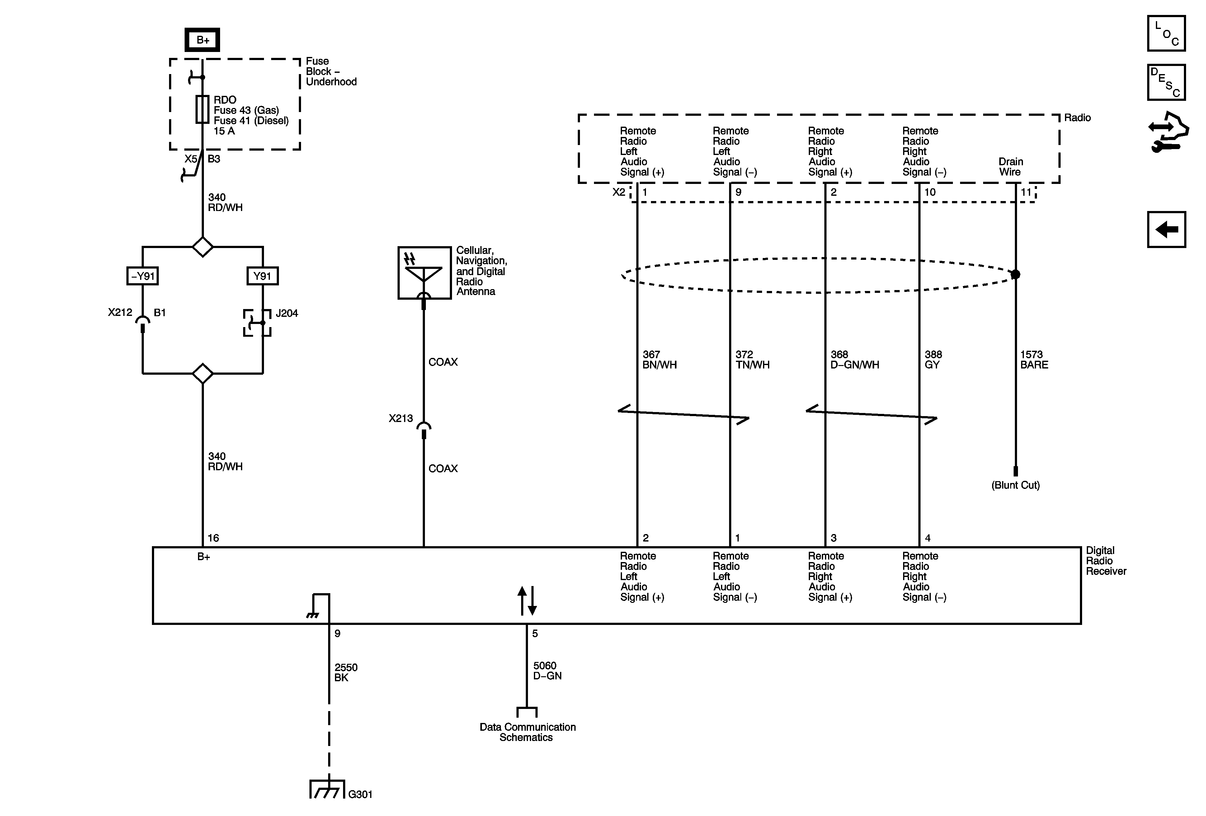
Figure 8:

Digital Radio Receiver (U2K)


Object Number: 1854541  Size: FS
Master Electrical Component List
Radio/Audio System Description and Operation
Control Module References
Rear Speakers (UQA)
B+ Bus - 2 of 3
Low Speed Bus - 2 of 3
G301