GM Service Manual Online
For 1990-2009 cars only
Makes
🢒
Chevrolet
🢒
2007
🢒
Silverado - 4WD
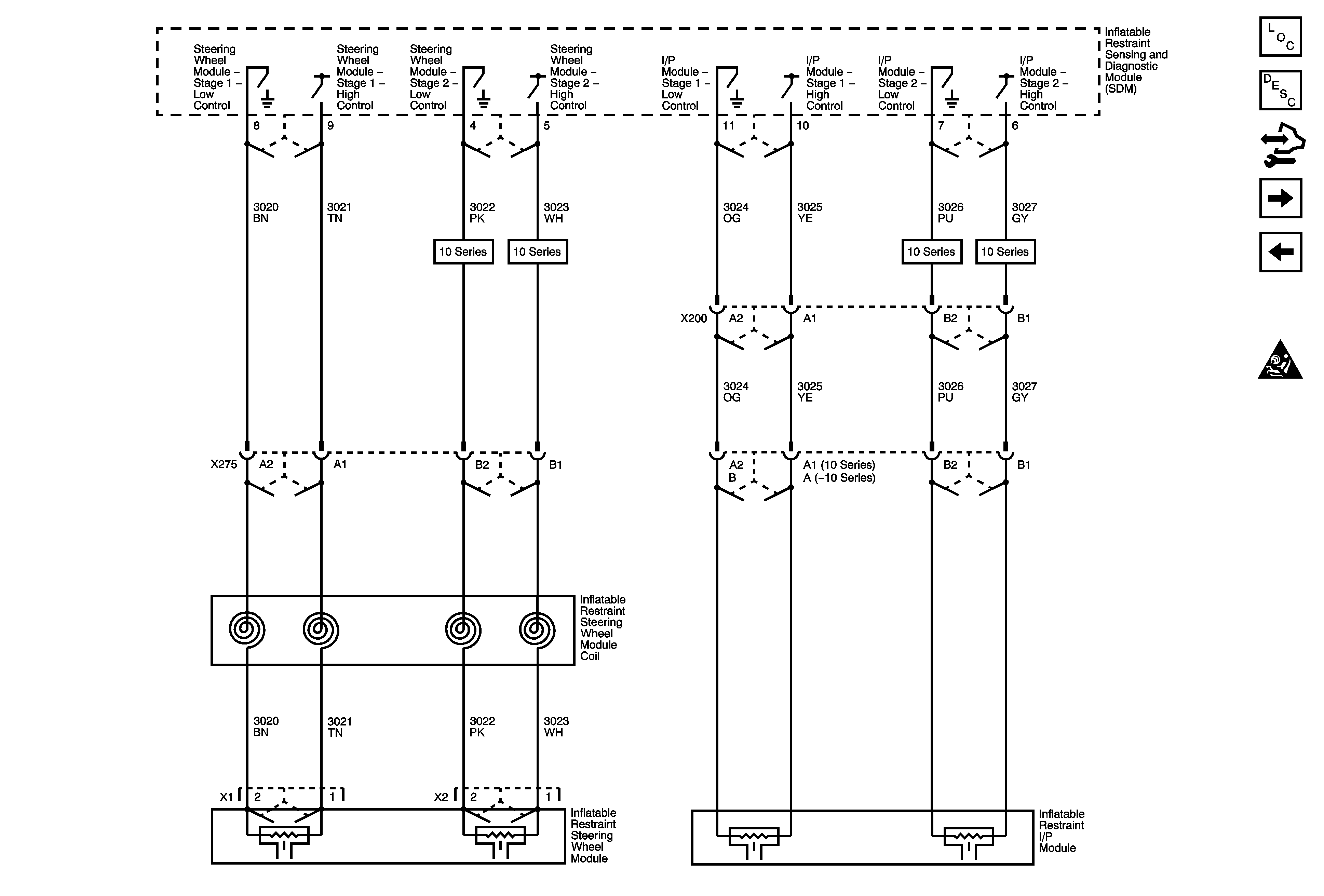
🢒 Steering Wheel and I/P Module
Steering Wheel and I/P Module
Steering Wheel and I/P Module
Master Electrical Component List
SIR System Description and Operation
Control Module References
Side Impact Modules and Sensors (ASF)
Module Power, Ground, Serial Data and Front Sensors
SIR Schematic Icons