GM Service Manual Online
For 1990-2009 cars only
Makes
🢒
Chevrolet
🢒
2007
🢒
Silverado - 4WD
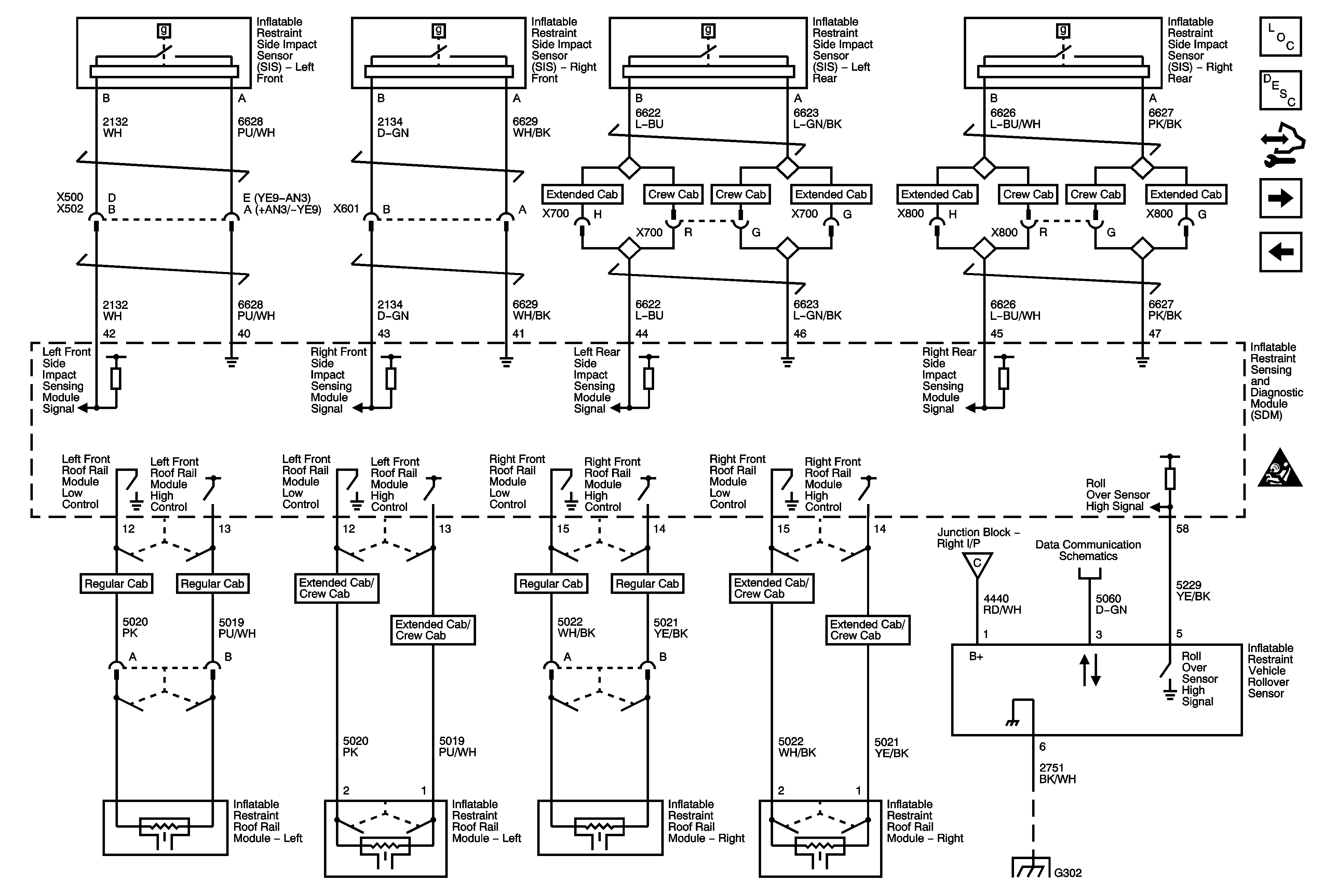
🢒 Side Impact Modules and Sensors (ASF)
Side Impact Modules and Sensors (ASF)
Side Impact Modules and Sensors (ASF)
Master Electrical Component List
SIR System Description and Operation
Control Module References
Passenger Presence System 1 of 2
Steering Wheel and I/P Module
SIR Schematic Icons
Module Power, Ground, Serial Data and Front Sensors
Low Speed Bus - 3 of 3
G302