GM Service Manual Online
For 1990-2009 cars only
Makes
🢒
Chevrolet
🢒
2007
🢒
Silverado - 4WD
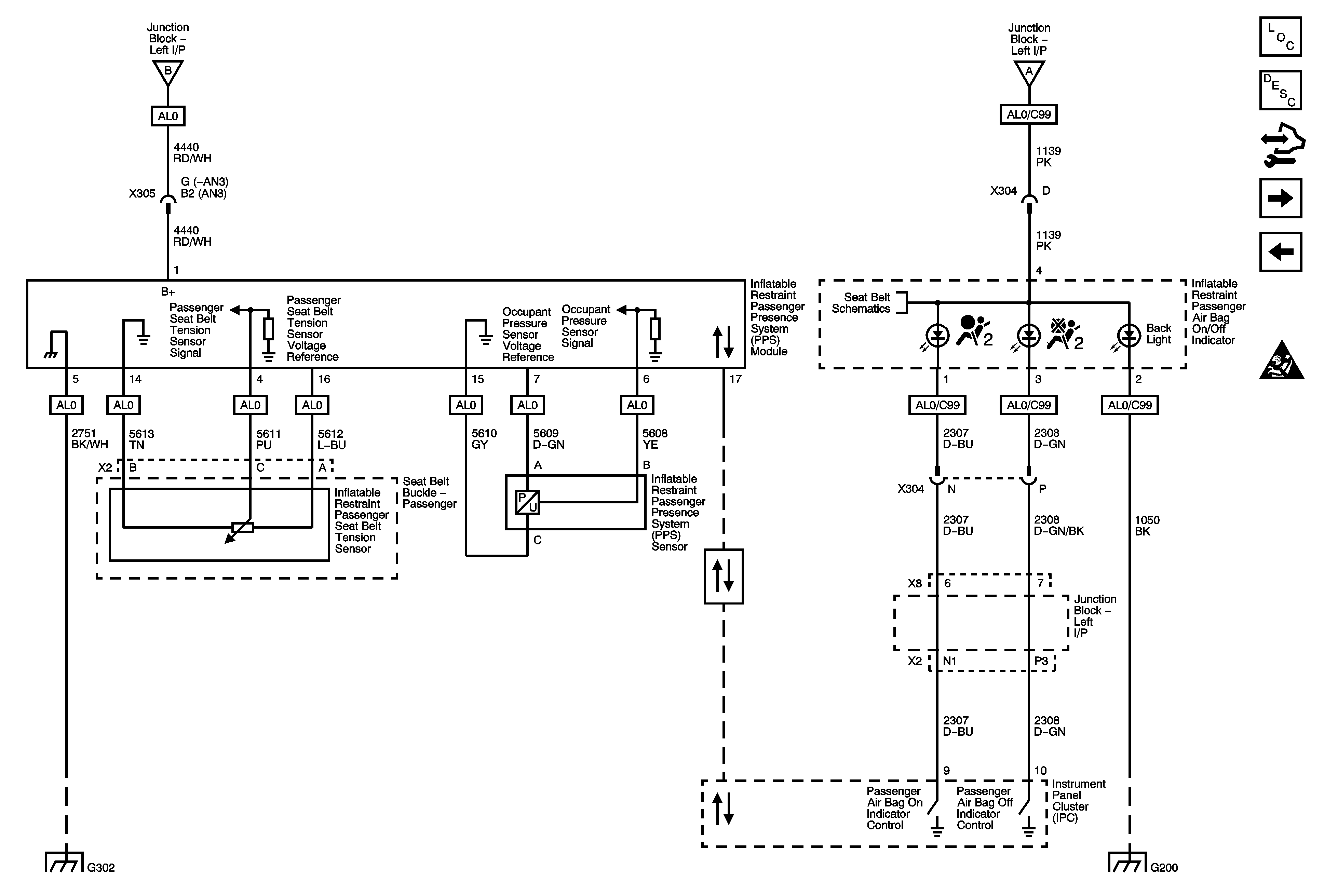
🢒 Passenger Presence System 1 of 2
Passenger Presence System 1 of 2
Passenger Presence System 1 of 2
Master Electrical Component List
SIR System Description and Operation
Control Module References
Passenger Presence System 2 of 2
Side Impact Modules and Sensors (ASF)
SIR Schematic Icons
Module Power, Ground, Serial Data and Front Sensors
Module Power, Ground, Serial Data and Front Sensors
Low Speed Bus - 3 of 3
G302
G200 2 of 2