GM Service Manual Online
For 1990-2009 cars only
Makes
🢒
Chevrolet
🢒
2007
🢒
Silverado - 4WD
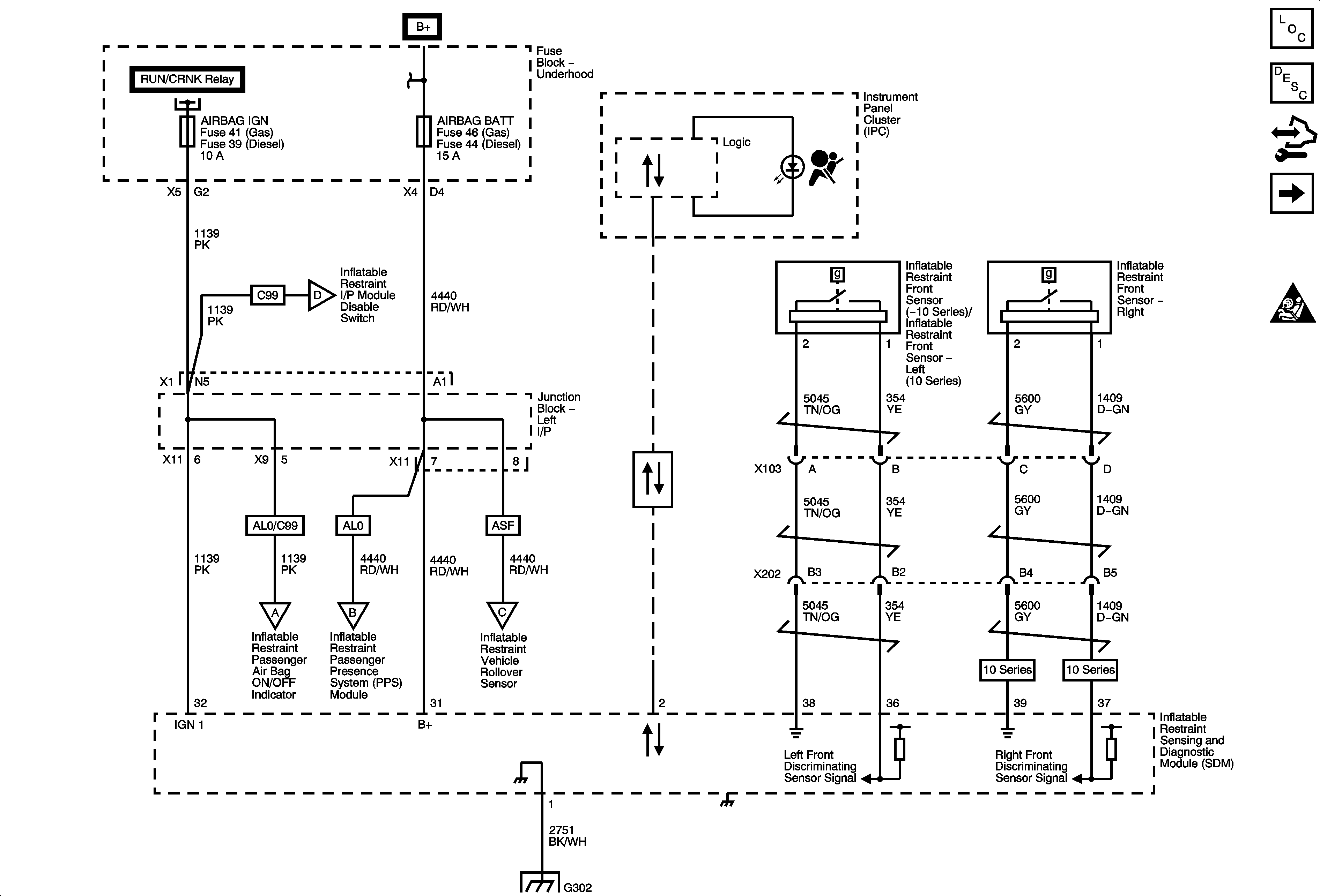
🢒 Module Power, Ground, Serial Data and Front Sensors
Module Power, Ground, Serial Data and Front Sensors
Module Power, Ground, Serial Data and Front Sensors
Master Electrical Component List
SIR System Description and Operation
Control Module References
Steering Wheel and I/P Module
SIR Schematic Icons
Ignition II/III Voltage
RUN/CRANK BUS - AIRBAG IGN, MISC IGN and SEO/ALC Fuses
AIRBAG BATT, ALC COMP, EAP, LGM, SEO B1 and SEO B2 Fuses
Passenger Presence System 2 of 2
Low Speed Bus - 3 of 3
Passenger Presence System 1 of 2
Passenger Presence System 1 of 2
Side Impact Modules and Sensors (ASF)
G302