GM Service Manual Online
For 1990-2009 cars only
Makes
🢒
Chevrolet
🢒
2006
🢒
Tahoe - 2WD
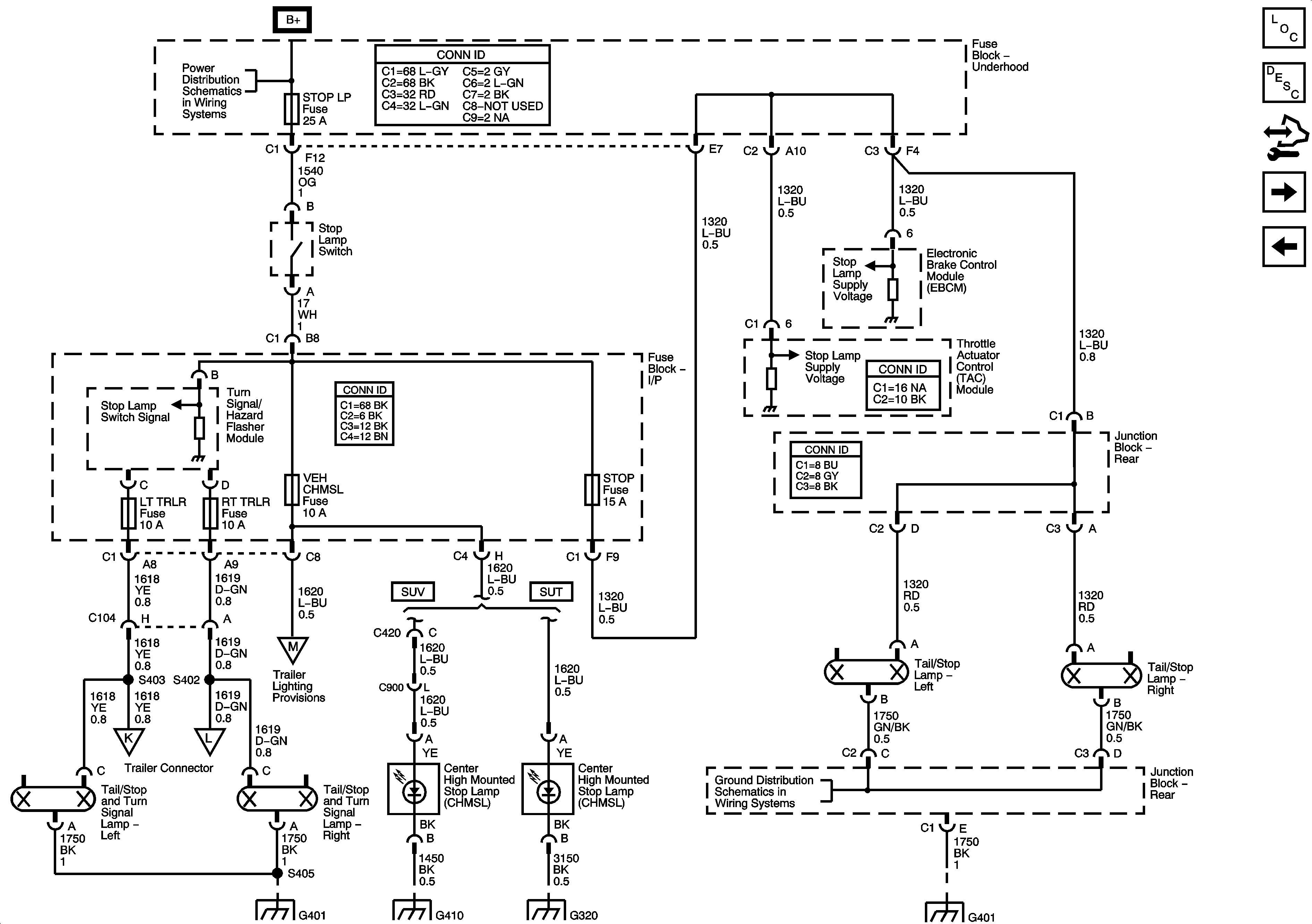
🢒 Stop Lamps
Stop Lamps
Stop Lamps
Master Electrical Component List
Exterior Lighting Systems Description and Operation
Control Module References
Rear Turn Signal Lamps
Off-Road Lighting Control
Rear Turn Signal Lamps
4WS, RR DEFOG, RR WPR, STOP LP, VEH CHMSL, and VEH STOP Fuses
Trailer Lighting Provisions
Trailer Lighting Provisions
Trailer Lighting Provisions
G300, G310, G401, and G403
G300, G310, G401, and G403
G402, G405, and G410
G320 (SUT)
G300, G310, G401, and G403