GM Service Manual Online
For 1990-2009 cars only
Makes
🢒
Chevrolet
🢒
2005
🢒
TrailBlazer - 4WD
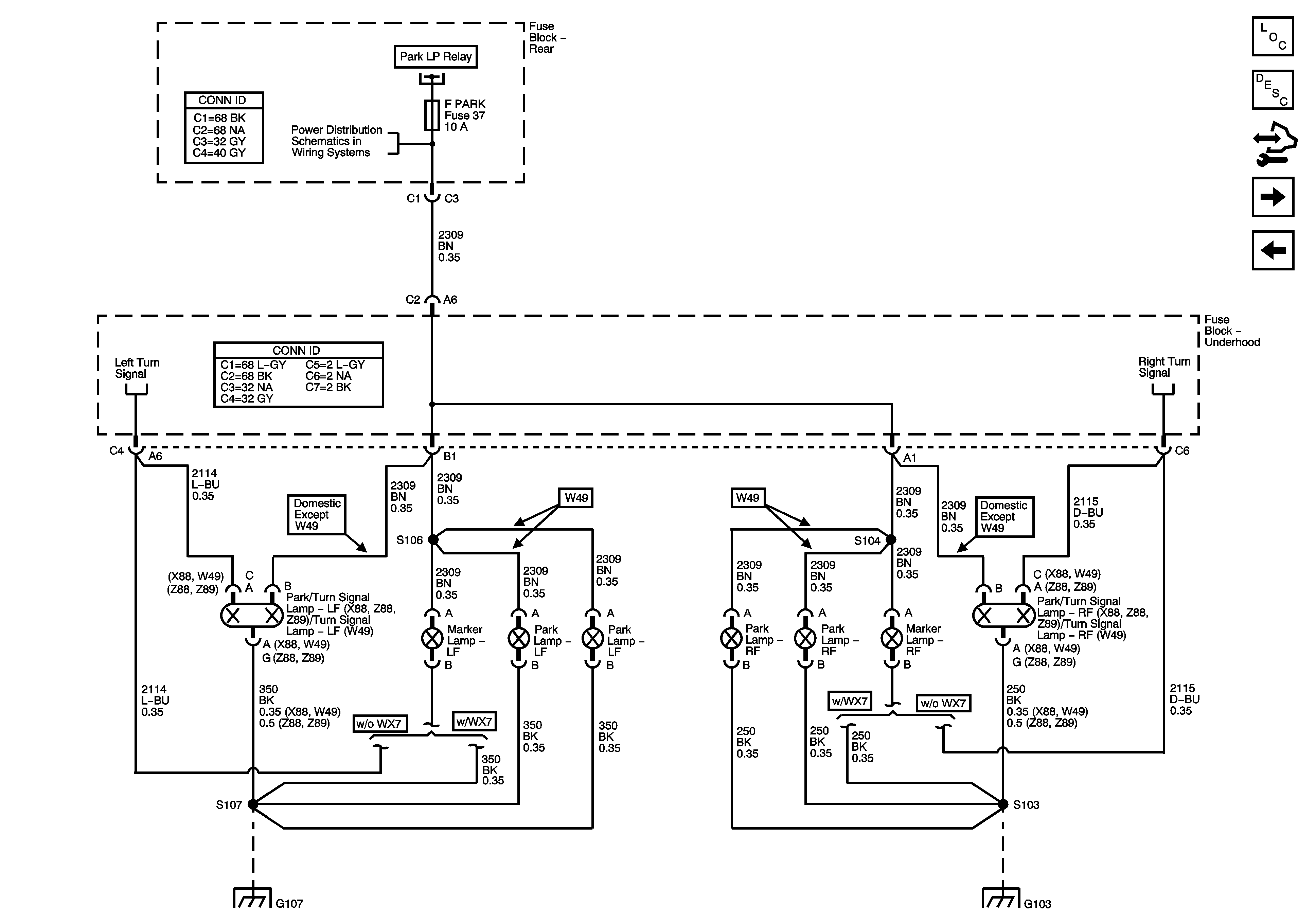
🢒 Marker and Front Park Lamps
Marker and Front Park Lamps
Marker and Front Park Lamps
Master Electrical Component List
Exterior Lighting Systems Description and Operation
Control Module References
Clearance, License, and Rear Park Lamps
Park Lamp Relay
FPARK, LGM#2, LR PARK, RRFOG, RRPARK, TR PARK, Fuses, and RRWIPER Circuit Breaker
Park Lamp Relay
Left Turn Signals
G104, G105, and G107
Right Turn Signals
G101, G103, G106, and G110