GM Service Manual Online
For 1990-2009 cars only
Makes
🢒
Chevrolet
🢒
2005
🢒
TrailBlazer - 4WD
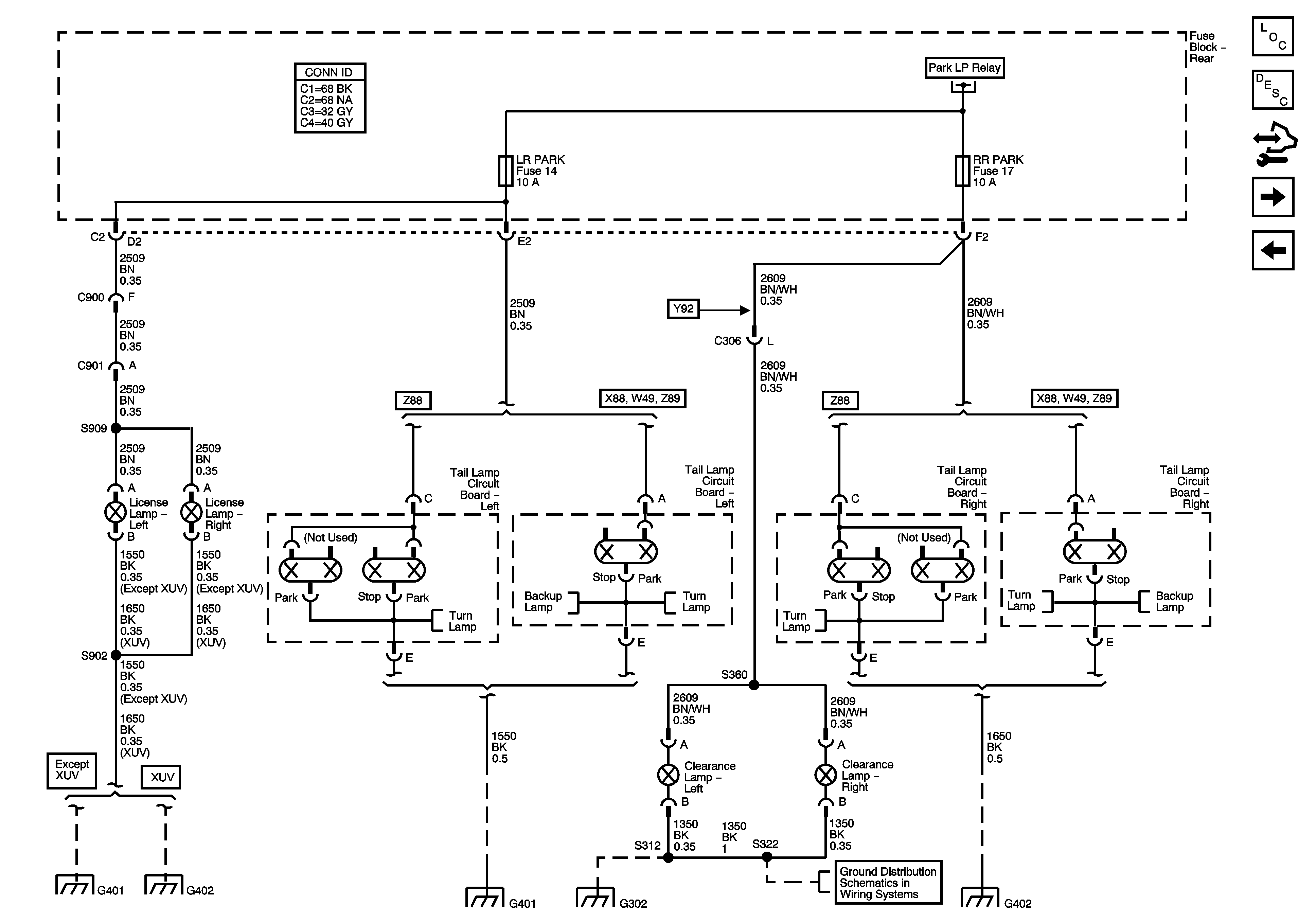
🢒 Clearance, License, and Rear Park Lamps
Clearance, License, and Rear Park Lamps
Clearance, License, and Rear Park Lamps
Master Electrical Component List
Exterior Lighting Systems Description and Operation
Control Module References
Stop Lamps
Marker and Front Park Lamps
Park Lamp Relay
Left Turn Signals
Backup Lamps
Left Turn Signals
Right Turn Signals
Right Turn Signals
Backup Lamps
G401, G402, and G403 - Except XUV
G401, G402, G403 - XUV
G401, G402, and G403 - Except XUV
G302 - 1 of 2, G303, and G304
G302 - 2 of 2
G401, G402, and G403 - Except XUV