GM Service Manual Online
For 1990-2009 cars only
Makes
🢒
Chevrolet
🢒
2005
🢒
TrailBlazer - 4WD
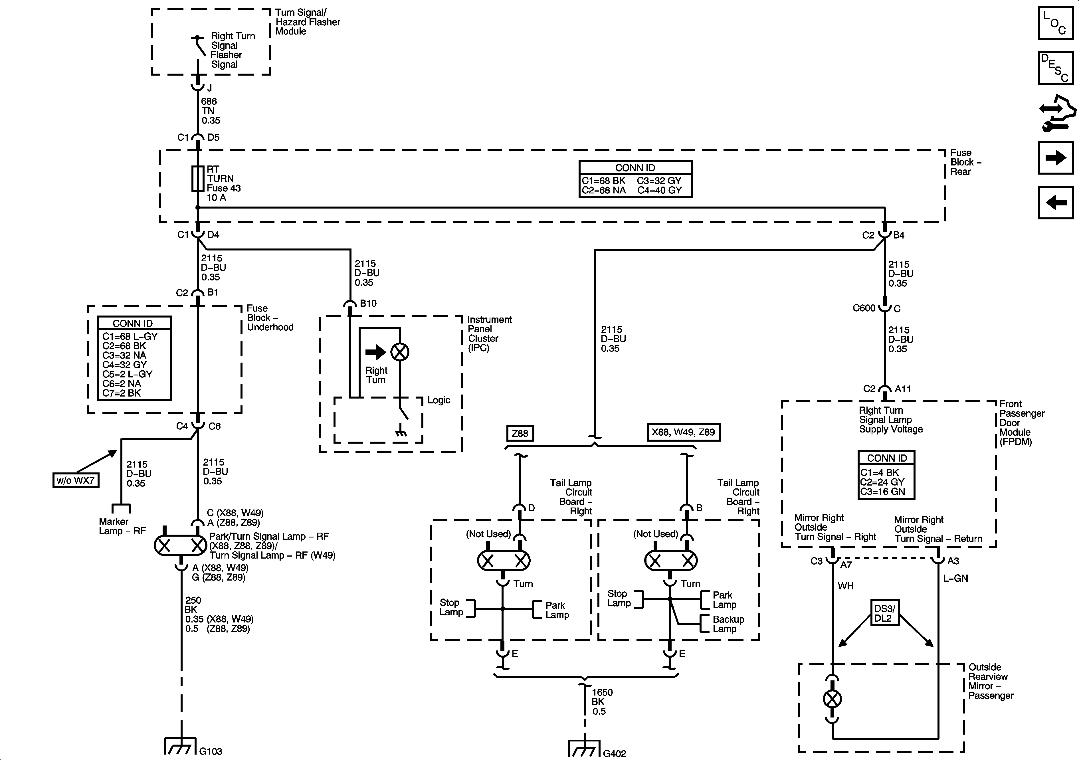
🢒 Right Turn Signals
Right Turn Signals
Right Turn Signals
Master Electrical Component List
Exterior Lighting Systems Description and Operation
Control Module References
Backup Lamps
Left Turn Signals
Marker and Front Park Lamps
Stop Lamps
Clearance, License, and Rear Park Lamps
Stop Lamps
Clearance, License, and Rear Park Lamps
Backup Lamps
G101, G103, G106, and G110
G401, G402, and G403 - Except XUV